Restauration de mon ami6 1969

Dans ce salon, on y met de la photo en grande quantité!
C'est l'endroit où on suit toutes les restaurations. Venez nous faire un résumé complet du coup de jeune que vous avez offert à votre belle !

Et ici c'est aussi la photo prise ce week-end pendant les vacances sur la côte ouest, les photos de vos grands-parents et de leur vieille 2CV AZAM...

Modérateurs : Deuchémoi, zamzam

Avatar du membre
Ami93100
Deuchiste intéressé
Deuchiste intéressé
Messages : 69
Enregistré le : 06 mai 2019, 21:06
Ma deuche : Ami6 1969
Date de naissance : 10 sept. 1953
Localisation : Bobigny
Âge : 72

Re: Restauration de mon ami6 1969

Message par Ami93100 »

:salut:
Encore de la rouille!! Le haut de l'encadré de porte est bien bouffé lui aussi, et des 2 côtés.
Je pense qu'il doit y avoir un problème d'étanchéité qui vient du toit..quequ'un connait ce problème ou il ny a que moi ?
Autre question, si je veux réparer cette partie, il faut que je coupe un grand rectangle et que j'en soude une autre a la place, ma question: il faudra souder bord à bord ?
Du coup je n'ai pas encore retourné la belle :lol:
À bientôt
:salut:
Fichiers joints
20190906_163526.jpg


Avatar du membre
Ami93100
Deuchiste intéressé
Deuchiste intéressé
Messages : 69
Enregistré le : 06 mai 2019, 21:06
Ma deuche : Ami6 1969
Date de naissance : 10 sept. 1953
Localisation : Bobigny
Âge : 72

Re: Restauration de mon ami6 1969

Message par Ami93100 »

:salut:
Bon, ben jai pas pu attendre, jai retourné la belle, non sans mal mais cest fait !
20190907_142650.jpg
20190907_142836.jpg
20190907_142836.jpg
20190907_153140.jpg
À bientôt pour la suite
:salut:
Avatar du membre
Ami93100
Deuchiste intéressé
Deuchiste intéressé
Messages : 69
Enregistré le : 06 mai 2019, 21:06
Ma deuche : Ami6 1969
Date de naissance : 10 sept. 1953
Localisation : Bobigny
Âge : 72

Re: Restauration de mon ami6 1969

Message par Ami93100 »

:salut:
Hier c'était le grand jour : j'ai enfin pu redescendre la caisse et voir si tous les points de fixation étaient bien en place, et bien tout est ok!
Donc finie la carrosserie, maintenant place au remontage, pour la peinture ça sera plus tard ...
20191003_123559.jpg
20191003_125802.jpg
20191003_131824.jpg
À bientôt pour la suite
:salut:
Avatar du membre
renato13
Docteur deuchiste
Docteur deuchiste
Messages : 11516
Enregistré le : 26 juil. 2011, 10:41
Ma deuche : azlp grise 1960
Date de naissance : 06 nov. 1955
Localisation : istres

Re: Restauration de mon ami6 1969

Message par renato13 »

:salut: :clap: dommage de pas profité que tout et déposer pour tout peindre. Mais bon chacun fait comme il veut .

en tout cas beau travail :pouce: :clap: :salut:
Avatar du membre
Ami93100
Deuchiste intéressé
Deuchiste intéressé
Messages : 69
Enregistré le : 06 mai 2019, 21:06
Ma deuche : Ami6 1969
Date de naissance : 10 sept. 1953
Localisation : Bobigny
Âge : 72

Re: Restauration de mon ami6 1969

Message par Ami93100 »

Pour la peinture c'est 1 problème le sous.. je n'ai pas pour le moment de quoi la peindre, je dépense petit à petit et comme la peinture c'est pas donné je préfère continuer à avancer le boulot et à peindre... plus tard...mais ça va se faire
:salut:
Avatar du membre
renato13
Docteur deuchiste
Docteur deuchiste
Messages : 11516
Enregistré le : 26 juil. 2011, 10:41
Ma deuche : azlp grise 1960
Date de naissance : 06 nov. 1955
Localisation : istres

Re: Restauration de mon ami6 1969

Message par renato13 »

Ami93100 a écrit :Pour la peinture c'est 1 problème le sous.. je n'ai pas pour le moment de quoi la peindre, je dépense petit à petit et comme la peinture c'est pas donné je préfère continuer à avancer le boulot et à peindre... plus tard...mais ça va se faire
:salut:

Je comprend bien ,on fait comme on peu . Tu a bien travailler , nickel tout ton travail :clap: :tchin: :salut:
Avatar du membre
Filofax
Docteur deuchiste
Docteur deuchiste
Messages : 1745
Enregistré le : 08 juin 2018, 16:09
Ma deuche : 2CV6 Spéciale AZKA 1986
Date de naissance : 31 mai 1970
Localisation : Près de Brest

Re: Restauration de mon ami6 1969

Message par Filofax »

Je te conseil tout de même de mettre un petit coup de Rustol CIP (ou équivalent) sur les endroits que tu as refait, pour éviter que la rouille ne vienne saccager le travail que tu as réalisé.
Un pot de coûte pas très cher, et un petit coup de pinceau ça ce fait vite.
Ce sera juste pas très beau, mais.....
Avatar du membre
bomacars
Deuchiste de référence
Deuchiste de référence
Messages : 689
Enregistré le : 01 oct. 2016, 18:14
Ma deuche : AZKA 82 + AZKA 88
Date de naissance : 20 nov. 1953
Localisation : Les mages 30960 (GARD) et Belgique (Région Wallonne)
Âge : 73

Re: Restauration de mon ami6 1969

Message par bomacars »

Ami93100 a écrit :Pour la peinture c'est 1 problème le sous.. je n'ai pas pour le moment de quoi la peindre, je dépense petit à petit et comme la peinture c'est pas donné je préfère continuer à avancer le boulot et à peindre... plus tard...mais ça va se faire
:salut:
Prix assez interessant pour de la peinture et produits dérivés dans le Nord, mais il faut y aller ou si tu connais quelqu'un qui passe par la, par contre ils ne disposent que des teintes RAL.
http://users.skynet.be/bemicolor/indust ... serie.html
Avatar du membre
Fredjojo
Docteur deuchiste
Docteur deuchiste
Messages : 1317
Enregistré le : 28 mai 2017, 20:13
Ma deuche : 2CV AZA1966 ENAC
Date de naissance : 30 nov. 1963
Localisation : Bois-Colombes // Bar Le Duc 55000

Restauration de mon ami6 1969

Message par Fredjojo »

Bonjour Bruno
Finalement tu as acheté quoi comme poste par point ?
Fred
Avatar du membre
Ami93100
Deuchiste intéressé
Deuchiste intéressé
Messages : 69
Enregistré le : 06 mai 2019, 21:06
Ma deuche : Ami6 1969
Date de naissance : 10 sept. 1953
Localisation : Bobigny
Âge : 72

Re: Restauration de mon ami6 1969

Message par Ami93100 »

:salut:
Merci Renato,
Fredjojo j'ai pris le telwin modular 230, très bien pour la restau de l'ami6, il soude de 1 à 2mm, jamais senti un manque de puissance, un peu cher mais bon....
Filofax j'ai mis du rustol sur bcp d'endroits, en primaire, et sur certaines pièces moteur ( aération etc),
Bomacars je mets ton adresse de côté ça a lair pas trop cher, merci.
:salut:
Avatar du membre
Fredjojo
Docteur deuchiste
Docteur deuchiste
Messages : 1317
Enregistré le : 28 mai 2017, 20:13
Ma deuche : 2CV AZA1966 ENAC
Date de naissance : 30 nov. 1963
Localisation : Bois-Colombes // Bar Le Duc 55000

Re: Restauration de mon ami6 1969

Message par Fredjojo »

Dommage que tu as fini la carrosserie , je serais bien passé voir :(
Avatar du membre
Végé
Nouveau deuchiste
Nouveau deuchiste
Messages : 32
Enregistré le : 15 juil. 2019, 22:07
Ma deuche : Ami8 1969
Date de naissance : 25 juil. 1994
Localisation : Longwy
Âge : 31

Re: Restauration de mon ami6 1969

Message par Végé »

Bravo, je suis très impressionné par tout le travail que tu as pu faire (sisi j'ai bien repris le sujet depuis le début :P ) et je peux comprendre tes périodes de découragement, mais tu as tenu bon et le résultat est à la hauteur ! Hâte de voir la suite et bon courage ! :volant:
Avatar du membre
Ami93100
Deuchiste intéressé
Deuchiste intéressé
Messages : 69
Enregistré le : 06 mai 2019, 21:06
Ma deuche : Ami6 1969
Date de naissance : 10 sept. 1953
Localisation : Bobigny
Âge : 72

Re: Restauration de mon ami6 1969

Message par Ami93100 »

:salut:
Hello, j'en suis a la partie électricité, ça se complique..
Au niveau du tableau de bord ça semble ok, reste a faire le branchement au niveau du bouton de demarreur et la je suis 1 peu perdu.
Quelqu'un aurait de la documentation sur l'ami6 de 1969 ?

Quels sont les 2 fils qui arrivent au bouton commande du démarreur ?
:salut:
Avatar du membre
bob41
Docteur deuchiste
Docteur deuchiste
Messages : 8690
Enregistré le : 09 mai 2016, 16:00
Ma deuche : 2CV A 50 ; 2CV AZ 59 ; 2CV azam 65 ; 2CV 6 79 ; Dyane 67 ; AMI6 62 ; AMI8 77 ; HY 72 67
Date de naissance : 26 sept. 1966
Localisation : Sologne viticole (Contres) et Corse (Loreto-di-Casinca)
Âge : 59

Re: Restauration de mon ami6 1969

Message par bob41 »

:salut:

Un fil vient du plus, avant ou après contact, sur une AMI 6 je ne me souviens plus !
L'autre fil va au solénoïde de démarrage sur le démarreur.

:salut:
Avatar du membre
Fredjojo
Docteur deuchiste
Docteur deuchiste
Messages : 1317
Enregistré le : 28 mai 2017, 20:13
Ma deuche : 2CV AZA1966 ENAC
Date de naissance : 30 nov. 1963
Localisation : Bois-Colombes // Bar Le Duc 55000

Re: Restauration de mon ami6 1969

Message par Fredjojo »

Si tu as un contacteur a 3 plots comme celui la , il faut que tu retrouve les plots. Avec un ohmmètre tu cherche le contact entre 2 plots en ayant juste « mis le contact » et ensuite le plot restant est en contact avec le plus batterie lorsque tu tourne le contacteur dans la derniere position qui est fugitive qui envoi la tension sur le solenoide Image
Avatar du membre
Ami93100
Deuchiste intéressé
Deuchiste intéressé
Messages : 69
Enregistré le : 06 mai 2019, 21:06
Ma deuche : Ami6 1969
Date de naissance : 10 sept. 1953
Localisation : Bobigny
Âge : 72

Re: Restauration de mon ami6 1969

Message par Ami93100 »

Merci fred, mais cest 1 contacteur a 2 plots, le contacteur de démarrage est à part
Avatar du membre
Fredjojo
Docteur deuchiste
Docteur deuchiste
Messages : 1317
Enregistré le : 28 mai 2017, 20:13
Ma deuche : 2CV AZA1966 ENAC
Date de naissance : 30 nov. 1963
Localisation : Bois-Colombes // Bar Le Duc 55000

Re: Restauration de mon ami6 1969

Message par Fredjojo »

Alors sur le contacteur a clef 2 plots juste le + batterie permanent via surement fusible ? Et depart du + apres contact vers bobine et autres accessoires et une borne du contacteur de démarreur l autre borne de ce contacteur fugitif vers le solenoide du demarreur
Avatar du membre
Fredjojo
Docteur deuchiste
Docteur deuchiste
Messages : 1317
Enregistré le : 28 mai 2017, 20:13
Ma deuche : 2CV AZA1966 ENAC
Date de naissance : 30 nov. 1963
Localisation : Bois-Colombes // Bar Le Duc 55000

Re: Restauration de mon ami6 1969

Message par Fredjojo »

Si ça peux t aider j ai trouvé ca
82432C1E-74DE-48B5-BC4E-021D9BF42399.jpeg
E916E968-B689-4AE8-9A15-265D591600AD.jpeg
Avatar du membre
Ami93100
Deuchiste intéressé
Deuchiste intéressé
Messages : 69
Enregistré le : 06 mai 2019, 21:06
Ma deuche : Ami6 1969
Date de naissance : 10 sept. 1953
Localisation : Bobigny
Âge : 72

Re: Restauration de mon ami6 1969

Message par Ami93100 »

Ok bob, donc, dans 1 premier temps je peux faire ce montage ( en considérant que ça fonctionne avec le +)
Après il faudra que je trouve le + après contact.

Pour le (-) je ne sais pas bien comment on fait , on met 1 fil ou on considère que cest pas nécessaire ?
15708793863626238552745672595051.jpg
:salut:
Avatar du membre
Ami93100
Deuchiste intéressé
Deuchiste intéressé
Messages : 69
Enregistré le : 06 mai 2019, 21:06
Ma deuche : Ami6 1969
Date de naissance : 10 sept. 1953
Localisation : Bobigny
Âge : 72

Re: Restauration de mon ami6 1969

Message par Ami93100 »

Merci Fred, javais aussi trouvé ce doc, mais j'ai du mal à m'en servir, parcequ' on ne peut pas suivre le trajet d'1 fil, car il va la plupart du temps dans 1 nappe....
:salut:
Avatar du membre
Fredjojo
Docteur deuchiste
Docteur deuchiste
Messages : 1317
Enregistré le : 28 mai 2017, 20:13
Ma deuche : 2CV AZA1966 ENAC
Date de naissance : 30 nov. 1963
Localisation : Bois-Colombes // Bar Le Duc 55000

Re: Restauration de mon ami6 1969

Message par Fredjojo »

Du moment que le gros cable - batterie est relié sur la boite ou a un autre endroit je sais pas sur l ami cela suffit.
Avatar du membre
Ami93100
Deuchiste intéressé
Deuchiste intéressé
Messages : 69
Enregistré le : 06 mai 2019, 21:06
Ma deuche : Ami6 1969
Date de naissance : 10 sept. 1953
Localisation : Bobigny
Âge : 72

Re: Restauration de mon ami6 1969

Message par Ami93100 »

Ok, bien compris !
Avatar du membre
Ami93100
Deuchiste intéressé
Deuchiste intéressé
Messages : 69
Enregistré le : 06 mai 2019, 21:06
Ma deuche : Ami6 1969
Date de naissance : 10 sept. 1953
Localisation : Bobigny
Âge : 72

Re: Restauration de mon ami6 1969

Message par Ami93100 »

Ça doit pas être ça, le (+)batterie va direct au solenoid et le (-) va sur la boite..et rien ne se passe, et cest le montage d'origine sans rien toucher..j'ai dû mal comprendre
15708841856931753688903070541451.jpg
Avatar du membre
Fredjojo
Docteur deuchiste
Docteur deuchiste
Messages : 1317
Enregistré le : 28 mai 2017, 20:13
Ma deuche : 2CV AZA1966 ENAC
Date de naissance : 30 nov. 1963
Localisation : Bois-Colombes // Bar Le Duc 55000

Restauration de mon ami6 1969

Message par Fredjojo »

D origine tu a le gros + batterie gros cable directe sur le démarreur ( pour la puissance) et le plus de ton bouton alimente juste ponctuellement le solenoide qui deplace le lanceur vers le volant et qui connecte la puissance a l intérieur du démarreur
Avatar du membre
Fredjojo
Docteur deuchiste
Docteur deuchiste
Messages : 1317
Enregistré le : 28 mai 2017, 20:13
Ma deuche : 2CV AZA1966 ENAC
Date de naissance : 30 nov. 1963
Localisation : Bois-Colombes // Bar Le Duc 55000

Re: Restauration de mon ami6 1969

Message par Fredjojo »

La puissance de la batterie arrive cosse A et le bouton alimente la petite cosse du solenoide et lorsque le solenoide se deplace il connecte la cosse A a la cosse B a l interieur et le démarreur tourneImage
Avatar du membre
bob41
Docteur deuchiste
Docteur deuchiste
Messages : 8690
Enregistré le : 09 mai 2016, 16:00
Ma deuche : 2CV A 50 ; 2CV AZ 59 ; 2CV azam 65 ; 2CV 6 79 ; Dyane 67 ; AMI6 62 ; AMI8 77 ; HY 72 67
Date de naissance : 26 sept. 1966
Localisation : Sologne viticole (Contres) et Corse (Loreto-di-Casinca)
Âge : 59

Re: Restauration de mon ami6 1969

Message par bob41 »

:salut:

Alors sur AMI 6 pas de fusible sur le plus qui va au bouton de commande du démarreur. C'est un plus avant ou après contact, ça n'a pas d'importance.
D'après le schéma ce serait un plus avant contact.
Le second fil du bouton va au solénoïde, comme j''ai dit plus haut, en vert sur la photo ci-dessus.
Il n'y a pas de masse sur le bouton de commande, la masse se fait par la carcasse du démarreur. Le branchement des fils sur ce bouton est indifférent puisque c''est juste un interrupteur.

:salut:
Avatar du membre
Fredjojo
Docteur deuchiste
Docteur deuchiste
Messages : 1317
Enregistré le : 28 mai 2017, 20:13
Ma deuche : 2CV AZA1966 ENAC
Date de naissance : 30 nov. 1963
Localisation : Bois-Colombes // Bar Le Duc 55000

Re: Restauration de mon ami6 1969

Message par Fredjojo »

Si ca a de l importance ! Ne pas pouvoir actionner le démarreur sans la clef c est forcement apres contact
Avatar du membre
Ami93100
Deuchiste intéressé
Deuchiste intéressé
Messages : 69
Enregistré le : 06 mai 2019, 21:06
Ma deuche : Ami6 1969
Date de naissance : 10 sept. 1953
Localisation : Bobigny
Âge : 72

Re: Restauration de mon ami6 1969

Message par Ami93100 »

:salut:
Merci pour vos réponses, j'essaye demain ça commence à s'éclaircir dans ma tête
:salut:
Avatar du membre
Ami93100
Deuchiste intéressé
Deuchiste intéressé
Messages : 69
Enregistré le : 06 mai 2019, 21:06
Ma deuche : Ami6 1969
Date de naissance : 10 sept. 1953
Localisation : Bobigny
Âge : 72

Re: Restauration de mon ami6 1969

Message par Ami93100 »

:salut:
Quel joli bruit ce demarreur, merci encore pour votre aide
:merci:
:salut:
Avatar du membre
bob41
Docteur deuchiste
Docteur deuchiste
Messages : 8690
Enregistré le : 09 mai 2016, 16:00
Ma deuche : 2CV A 50 ; 2CV AZ 59 ; 2CV azam 65 ; 2CV 6 79 ; Dyane 67 ; AMI6 62 ; AMI8 77 ; HY 72 67
Date de naissance : 26 sept. 1966
Localisation : Sologne viticole (Contres) et Corse (Loreto-di-Casinca)
Âge : 59

Re: Restauration de mon ami6 1969

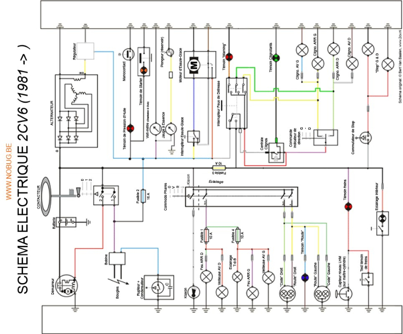
Message par bob41 »

Fredjojo a écrit :Si ca a de l importance ! Ne pas pouvoir actionner le démarreur sans la clef c est forcement apres contact
:salut:

Si tu regardes bien les différents schémas, la commande du solénoïde est prise avant contact.
Je n'ai pas celui de l'AMI 6 sous la main, mais sur mon AMI 6 c'est comme ça.

Ci-dessous deux schémas de 2 CV 6 (un recopié et un d'origine RTA) : la commande est avant contact. Tu ne t'en aperçois pas quand tu mets en route car les deux commandes, contact et démarreur, se font en même temps.
Schéma électrique 2 CV 6.jpg
Schéma électrique 2 CV 6_2.jpg
:salut:
Répondre
www.piecesauto-pro.fr