2 cv Branchement autoradio "moderne"

Clignotants, alternateurs, allumage électronique, panne d'essuie-glaces, batterie qui fuit, tension batterie, point de masse, remontage des faisceaux, branchement de la bobine, phares...

Modérateurs : Deuchémoi, zamzam, Eric13190

Avatar du membre
webvince
Deuchiste de référence
Deuchiste de référence
Messages : 694
Enregistré le : 26 sept. 2013, 11:42
Ma deuche : 2CV AZKA 6 Spéciale 03/1982
Date de naissance : 02 août 1973
Localisation : Bourges (18)
Âge : 52

2 cv Branchement autoradio "moderne"

Message par webvince »

Avis aux électriciens !
Je veux brancher un autoradio moderne, donc avec mémorisation, dans ma Deuche.
Il me faut donc un + permanent, un + après contact et une masse.
Pour la masse pas de soucis, je compte me brancher sur une vis quelconque sur le tablier...
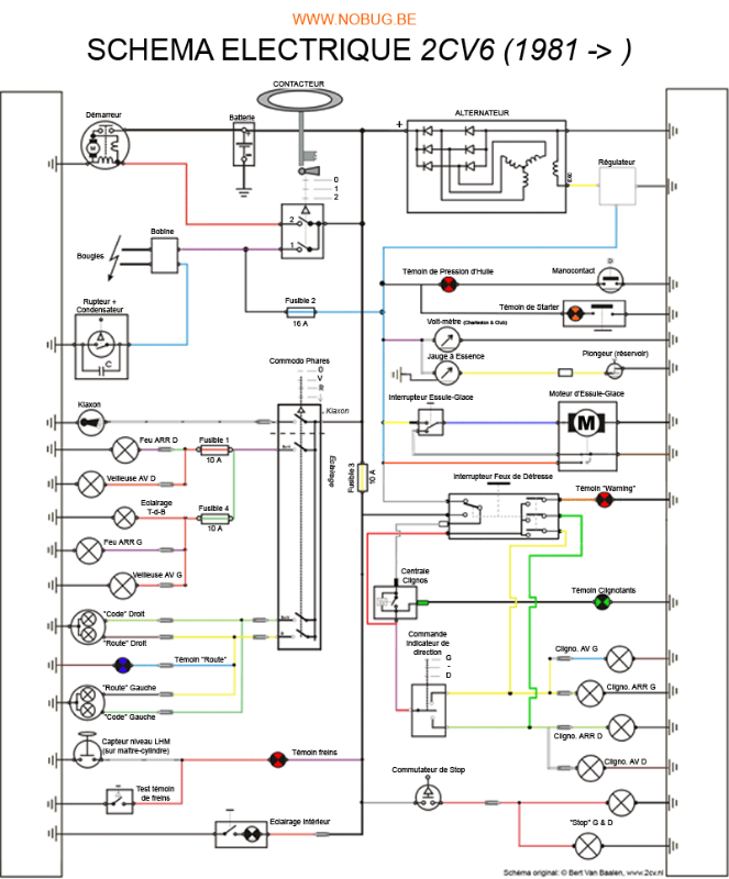
Pour les plus, je me demandais s'il n'était pas possible de profiter des fusibles existants ?
D'après le schéma joint, il me suffirait de brancher :
- mon + permanent sur le fusible 3 10A ?
- mon + après contact sur le fusible 2 16A ?

Tout ça en sortie de la boite à fusibles ?

Sachant qu'en plus mon autoradio possède un fusible 10A, ça fait pas un peu ceinture et bretelles ?

Pour éviter les parasites, que faut-il prévoir ?

Merci pour conseils avisés :wink:
Fichiers joints
FondSchema.png


Carpe diem (quam minimum credula postero)
Cueille le jour présent sans te soucier du lendemain.
Avatar du membre
renato13
Docteur deuchiste
Docteur deuchiste
Messages : 11498
Enregistré le : 26 juil. 2011, 10:41
Ma deuche : azlp grise 1960
Date de naissance : 06 nov. 1955
Localisation : istres

Re: Branchement autoradio "moderne"

Message par renato13 »

:salut:

A mon avis,si ton poste a déjà un fusible 10A , çà suffit largement ,trop de fusible tue les fusibles :lol:
les plus tu les prend au çà ta range , du moment que tu a un plus avant contact,pour la mémoire,et un plus après contact pour alimenter le poste
la masse n'importe ou sur la caisse. :salut:

(pour les parasites , normalement tu devrait pas en avoir ,les alternateurs , maintenant son parasité)
Avatar du membre
webvince
Deuchiste de référence
Deuchiste de référence
Messages : 694
Enregistré le : 26 sept. 2013, 11:42
Ma deuche : 2CV AZKA 6 Spéciale 03/1982
Date de naissance : 02 août 1973
Localisation : Bourges (18)
Âge : 52

Re: Branchement autoradio "moderne"

Message par webvince »

Vu comme ça c'est plus simple effectivement... Mais comment savoir si le fusible du poste protège les deux + ?
Carpe diem (quam minimum credula postero)
Cueille le jour présent sans te soucier du lendemain.
Avatar du membre
Deuchémoi
Docteur deuchiste
Docteur deuchiste
Messages : 16561
Enregistré le : 19 sept. 2009, 17:09
Ma deuche : 2cv6 Spécial AZKA Bleue céleste 11/87
Date de naissance : 30 oct. 1968
Localisation : Vitrolles (13) ... au soleil !!!

Re: Branchement autoradio "moderne"

Message par Deuchémoi »

Voilà ce que j'ai fait:
+ permanent tiré directement de la batterie, protégé par un fusible de l'autoradio.
+ après contact récupéré au tableau de bord sur ... je ne sais plus quel accessoire !
- directe à la batterie !
:wink:
Pas de demande d'aide mécanique en Message Privé. Toutes les demandes se font dans les salons publics. Merci !
       /¯\
(°\=/°)
... Ma présentation
2cv6 Spécial AZKA Bleue céleste 11/87
       Image

ImageImage  Image
       Image
Avatar du membre
webvince
Deuchiste de référence
Deuchiste de référence
Messages : 694
Enregistré le : 26 sept. 2013, 11:42
Ma deuche : 2CV AZKA 6 Spéciale 03/1982
Date de naissance : 02 août 1973
Localisation : Bourges (18)
Âge : 52

Re: Branchement autoradio "moderne"

Message par webvince »

Bon, merci pour les idées, je vais prendre ma lampe témoin et chercher des + :laughing:
Carpe diem (quam minimum credula postero)
Cueille le jour présent sans te soucier du lendemain.
Avatar du membre
renato13
Docteur deuchiste
Docteur deuchiste
Messages : 11498
Enregistré le : 26 juil. 2011, 10:41
Ma deuche : azlp grise 1960
Date de naissance : 06 nov. 1955
Localisation : istres

Re: Branchement autoradio "moderne"

Message par renato13 »

webvince a écrit :Vu comme ça c'est plus simple effectivement... Mais comment savoir si le fusible du poste protège les deux + ?
:salut:

Ben c’est obligé le fusible protège le poste complet .Les deux plus passe part le fusible du poste, c’est le fabricant qui a tout prévu dans la conception du poste.
Le seul truc que tu aura , si tu débranche la batterie, ou le fusible du poste grille !! il te faudra initialisé le code. Comme tout les poste sur les moderne. :salut:
Avatar du membre
Deuchémoi
Docteur deuchiste
Docteur deuchiste
Messages : 16561
Enregistré le : 19 sept. 2009, 17:09
Ma deuche : 2cv6 Spécial AZKA Bleue céleste 11/87
Date de naissance : 30 oct. 1968
Localisation : Vitrolles (13) ... au soleil !!!

Re: Branchement autoradio "moderne"

Message par Deuchémoi »

renato13 a écrit :Les deux plus passe part le fusible du poste
De mémoire, il n'y a que mon + permanent qui est protégé par le fusible du poste. Le + après-contact est protégé par le fusible de la voiture de la ligne sur laquelle il est branché.
:wink:
Pas de demande d'aide mécanique en Message Privé. Toutes les demandes se font dans les salons publics. Merci !
       /¯\
(°\=/°)
... Ma présentation
2cv6 Spécial AZKA Bleue céleste 11/87
       Image

ImageImage  Image
       Image
Avatar du membre
renato13
Docteur deuchiste
Docteur deuchiste
Messages : 11498
Enregistré le : 26 juil. 2011, 10:41
Ma deuche : azlp grise 1960
Date de naissance : 06 nov. 1955
Localisation : istres

Re: Branchement autoradio "moderne"

Message par renato13 »

Deuchémoi a écrit :
renato13 a écrit :Les deux plus passe part le fusible du poste
De mémoire, il n'y a que mon + permanent qui est protégé par le fusible du poste. Le + après-contact est protégé par le fusible de la voiture de la ligne sur laquelle il est branché.
:wink:
Ben oui c’est çà , le plus permanent direct sur le plus avec le fusible, et le plus après contact qui viens du fusible de la voiture
rentre dans le poste, après c’est le poste qui gère !!! exemple si tu viens avoir un cour jus sur le plus après contact , quant tu allume ton poste ou en roulant ,
c’est ton fusible de la voiture et du poste qui va griller , pas le poste, :salut:
Avatar du membre
Fredjojo
Docteur deuchiste
Docteur deuchiste
Messages : 1317
Enregistré le : 28 mai 2017, 20:13
Ma deuche : 2CV AZA1966 ENAC
Date de naissance : 30 nov. 1963
Localisation : Bois-Colombes // Bar Le Duc 55000

Re: Branchement autoradio "moderne"

Message par Fredjojo »

La logique voudrait que le Seul fusible de ton poste protege le + Permanent (Memoire) que beaucoup tire directement depuis la batterie , Le + après contact étant protégé sur les voitures modernes par 1 des fusibles .
Si tu n'a pas le schéma ni d'explication avec le poste ,tu retire le fusible du poste et tu teste la continuité entre le fuse et les 2 alim pour vérifier laquelle est protégé .
Et mefie toi si tu n'utilise pas souvent la 2cv suivant les postes la memoire est gourmande
Sinon tu chante :lol:
Avatar du membre
webvince
Deuchiste de référence
Deuchiste de référence
Messages : 694
Enregistré le : 26 sept. 2013, 11:42
Ma deuche : 2CV AZKA 6 Spéciale 03/1982
Date de naissance : 02 août 1973
Localisation : Bourges (18)
Âge : 52

Re: Branchement autoradio "moderne"

Message par webvince »

Tu n'es pas si loin de la réalité : pour l'instant tout les matins mon loulou de 4 ans 1/2 me fait un pot pourri de comptines apprises à l'école :laughing:
Les explications sont succinctes pour les branchements de l'autoradio : tu es sensé le connecter sur la prise aux normes que toutes les bagnoles ont aujourd'hui et basta ! Ils ont quand même eu la bonté de mettre à quoi correspond chaque couleur de fil... Mais alors un schéma complet, faut pas rêver ! :enerve:
Carpe diem (quam minimum credula postero)
Cueille le jour présent sans te soucier du lendemain.
Avatar du membre
deuch25
Docteur deuchiste
Docteur deuchiste
Messages : 982
Enregistré le : 19 mai 2017, 20:18
Ma deuche : 2cv 4 435cm3 1972
Date de naissance : 01 avr. 1972
Localisation : Doubs

Re: 2 cv Branchement autoradio "moderne"

Message par deuch25 »

Bonjour les deuchistes amis,

Il est intéressant ce sujet.... :D

Vu que j'aimerai également m'installer un autoradio prochainement, si c'était possible d'avoir à l'occasion une photo du montage avec les fils branchés ou un shéma "fait maison ", car lorsque je vois tous les fils qui sortent d'un autoradio moderne , et la 2cv qui reçoit peut etre que 2 ou 3 fils ca me fait peur à faire cette installation... :boulet2: :boulet2:
Avatar du membre
webvince
Deuchiste de référence
Deuchiste de référence
Messages : 694
Enregistré le : 26 sept. 2013, 11:42
Ma deuche : 2CV AZKA 6 Spéciale 03/1982
Date de naissance : 02 août 1973
Localisation : Bourges (18)
Âge : 52

Re: 2 cv Branchement autoradio "moderne"

Message par webvince »

A priori les fiches des autoradios actuels sont normalisées... Ouf ! 8)
Apparemment sur nos p'tites vieilles on a besoin que de 3 fils, voire 4 éventuellement si antenne électronique.
Sur la notice du mien ils disent :
- rouge : + après contact
- jaune : + permanent
- noir : masse évidemment
- bleu/blanc : alimentation de l'antenne électronique
Carpe diem (quam minimum credula postero)
Cueille le jour présent sans te soucier du lendemain.
Avatar du membre
renato13
Docteur deuchiste
Docteur deuchiste
Messages : 11498
Enregistré le : 26 juil. 2011, 10:41
Ma deuche : azlp grise 1960
Date de naissance : 06 nov. 1955
Localisation : istres

Re: 2 cv Branchement autoradio "moderne"

Message par renato13 »

webvince a écrit :A priori les fiches des autoradios actuels sont normalisées... Ouf ! 8)
Apparemment sur nos p'tites vieilles on a besoin que de 3 fils, voire 4 éventuellement si antenne électronique.
Sur la notice du mien ils disent :
- rouge : + après contact
- jaune : + permanent
- noir : masse évidemment
- bleu/blanc : alimentation de l'antenne électronique

:salut:

Ben voila ,tu peut pas te tromper, jaune +permanent , n’importe ou , soi direct a la batterie ,soi au neiman ou ailleurs , si c’est un plus permanent.
Et pareil pour le plus après contact soi au fusible soi au neiman ou ailleurs,
la masse sur la carrosserie, après le reste ,tu tant fou , antenne électrique sur la 2cv :siffle: , :lol:
après les autres fils c'est les sortie de haut parleur droite gauche. Une fois brancher ton autoradio et protéger part le fusible,
que se soi sur le plus permanent ,ou après contact, sil y a un court circuit le poste et protéger part le fusible,.
c’est pas compliqué a brancher un poste, .Part contre il est vrai si ta voiture reste longtemps sans tourner la mémoire çà pompe !!! :salut:
Avatar du membre
Deuchémoi
Docteur deuchiste
Docteur deuchiste
Messages : 16561
Enregistré le : 19 sept. 2009, 17:09
Ma deuche : 2cv6 Spécial AZKA Bleue céleste 11/87
Date de naissance : 30 oct. 1968
Localisation : Vitrolles (13) ... au soleil !!!

Re: 2 cv Branchement autoradio "moderne"

Message par Deuchémoi »

webvince a écrit :A priori les fiches des autoradios actuels sont normalisées... Ouf ! 8)
Apparemment sur nos p'tites vieilles on a besoin que de 3 fils, voire 4 éventuellement si antenne électronique.
Sur la notice du mien ils disent :
- rouge : + après contact
- jaune : + permanent
- noir : masse évidemment
- bleu/blanc : alimentation de l'antenne électronique
T'as oublié les
violet + violet/blanc : HP avD
Rouge + rouge/blanc : HP avG
Bleu + bleu/blanc : HP arD
Vert+ Vert/blanc : HP arG
... ou tout autre combinaison de ce style !!
Et pour les connexions: une barrette de sucres !

:wink:
Pas de demande d'aide mécanique en Message Privé. Toutes les demandes se font dans les salons publics. Merci !
       /¯\
(°\=/°)
... Ma présentation
2cv6 Spécial AZKA Bleue céleste 11/87
       Image

ImageImage  Image
       Image
Avatar du membre
deuch25
Docteur deuchiste
Docteur deuchiste
Messages : 982
Enregistré le : 19 mai 2017, 20:18
Ma deuche : 2cv 4 435cm3 1972
Date de naissance : 01 avr. 1972
Localisation : Doubs

Re: 2 cv Branchement autoradio "moderne"

Message par deuch25 »

Génial vos explications, j'ai tout compris dis donc!! :D :D

par contre, au cas ou la voiture tourne pas pendant un bon moment, disons plusieurs jours de suite...y a t'il un truc a faire pour pas vider la batterie, ( à part débrancher la batterie)? du genre peut on mettre une cosse sur le circuit et il suffirait de la débrancher?? :laughing:
Avatar du membre
webvince
Deuchiste de référence
Deuchiste de référence
Messages : 694
Enregistré le : 26 sept. 2013, 11:42
Ma deuche : 2CV AZKA 6 Spéciale 03/1982
Date de naissance : 02 août 1973
Localisation : Bourges (18)
Âge : 52

Re: 2 cv Branchement autoradio "moderne"

Message par webvince »

C'est plutôt ça qu'il faut si immobilisation prolongée :wink:
https://www.amazon.fr/dp/B00DEID79G/ref ... w=g&hvqmt=
Carpe diem (quam minimum credula postero)
Cueille le jour présent sans te soucier du lendemain.
Avatar du membre
Deuchémoi
Docteur deuchiste
Docteur deuchiste
Messages : 16561
Enregistré le : 19 sept. 2009, 17:09
Ma deuche : 2cv6 Spécial AZKA Bleue céleste 11/87
Date de naissance : 30 oct. 1968
Localisation : Vitrolles (13) ... au soleil !!!

Re: 2 cv Branchement autoradio "moderne"

Message par Deuchémoi »

A mon avis, tu ne fais rien et tu ne rajoutes rien !
Il m'est arrivé de laisser la mienne pendant une quinzaine de jours sans la démarrer, et la mémoire de l'autoradio n'avait pas bouffé toute la batterie !! J'ai pu redémarrer sans soucis ! Bon, la modernité de mon autoradio est toute relative, puisqu'il date des années 2000 ! Mais il avait (déjà !!!) la façade détachable, les mémorisation des stations, le RDS, le trafic routier, réglage de l'heure automatique etc ... etc... Ha oui : il avait aussi la FM !! :laughing:
Maintenant, si tu dois la stocker pendant les 3 ou 4 mois d'hiver, vaut mieux débrancher la batterie de toute façon ...
:wink:
Pas de demande d'aide mécanique en Message Privé. Toutes les demandes se font dans les salons publics. Merci !
       /¯\
(°\=/°)
... Ma présentation
2cv6 Spécial AZKA Bleue céleste 11/87
       Image

ImageImage  Image
       Image
Avatar du membre
Poyducotam
Deuchiste de référence
Deuchiste de référence
Messages : 758
Enregistré le : 02 nov. 2015, 19:41
Ma deuche : aucune... pour l'instant
Date de naissance : 23 août 1966
Localisation : Finistère nord (Brest)

Re: 2 cv Branchement autoradio "moderne"

Message par Poyducotam »

Quelques petites mises au point :
Le fusible intégré à l'autoradio ne peut pas protéger 2 sources (permanent et alim), sinon il n'y aurait pas 2 fils.
Pour le montage d'un autoradio moderne (avec façade ancienne), ce que dit Deuchémoi est complètement valide : c'est aussi le montage que j'ai mis en place.
Pour les connecteurs, le web est précis sur les couleurs https://fr.wikipedia.org/wiki/Connecteu ... ISO_10487) : c'est avec cette page que j'ai réalisé mes connexions.

Les HP, j'ai récupéré des HP d'un 807/C8/Ulysse/Phédra qui partait à la casse : j'ai déboité l'arrière et récupéré les tweeters et boomers avec leur caisson de montage.
Les tweeters sont dans la grille de ventilation avant, et les boomers sous les sièges arrières ^^

Et la batterie s'est vidée... Sauf que la batterie était très vieille (au moins 10 ans) et il n'y avait pas de cause à effet vis-à-vis du poste :)
J'ai remplacé la batterie et là, peu importe le temps d'immobilisation, la voiture démarre nickel :clap:
Avatar du membre
webvince
Deuchiste de référence
Deuchiste de référence
Messages : 694
Enregistré le : 26 sept. 2013, 11:42
Ma deuche : 2CV AZKA 6 Spéciale 03/1982
Date de naissance : 02 août 1973
Localisation : Bourges (18)
Âge : 52

Re: 2 cv Branchement autoradio "moderne"

Message par webvince »

D'après la notice de mon poste (un Pioneer très sobre trouvé dans les soldes :clap: ) la batterie se vide si on branche les deux fils plus sur un plus permanent : dans ce cas le poste n'est jamais vraiment éteint mais en veille ! Sauf si on retire la façade... Ce qui est déconseillé sans avoir éteint le poste, c'est à dire coupé le + après contact, ce qui est impossible si on branche le fil rouge sur un + permanent... Enfin, on tourne en rond là... Bref, vous m'avez compris :laughing:
Donc peu de chance de vider la batterie si on fait correctement les branchements...

Merci pour le lien ! :clap:
Carpe diem (quam minimum credula postero)
Cueille le jour présent sans te soucier du lendemain.
Avatar du membre
renato13
Docteur deuchiste
Docteur deuchiste
Messages : 11498
Enregistré le : 26 juil. 2011, 10:41
Ma deuche : azlp grise 1960
Date de naissance : 06 nov. 1955
Localisation : istres

Re: 2 cv Branchement autoradio "moderne"

Message par renato13 »

webvince a écrit :D'après la notice de mon poste (un Pioneer très sobre trouvé dans les soldes :clap: ) la batterie se vide si on branche les deux fils plus sur un plus permanent : dans ce cas le poste n'est jamais vraiment éteint mais en veille ! Sauf si on retire la façade... Ce qui est déconseillé sans avoir éteint le poste, c'est à dire coupé le + après contact, ce qui est impossible si on branche le fil rouge sur un + permanent... Enfin, on tourne en rond là... Bref, vous m'avez compris :laughing:
Donc peu de chance de vider la batterie si on fait correctement les branchements...

Merci pour le lien ! :clap:
:salut.

JE vais précisé se que je dit plus haut.
Sur les autoradio moderne,ou moins moderne , il y a deux fils +. Le plus après contact c’est pour utiliser le poste, uniquement quant le contact et mis ,ou en roulant. Donc on branche

le plus après contact du poste,sur un plus après contact de la voiture.L’autre plus permanent , c’est pour alimenter les mémoires ,et l'ordinateur de bord, montre ,verrouillage centralisé, bref .

Direct sur la batterie ou neiman.

A partir de la si on branche comme çà, je vois pas la difficulté.

Pour les fusibles , les fusibles peuvent servir pour plusieurs appareil, expl jauge essence ,plafonnier ,voyant de tableau de bord bref , pour un fusible de poste c’est pareil

se n'ai pas parce que il y a un fusible qu'il protège un circuit, un poste en roulant ou en marche avec le contact et protéger part le fusible qui est derrière le poste au dessus du bloc raccordement ou

a coté,ou a l’intérieur . Certain autoradio on deux fusible , un sur chaque circuit .( nissan ,opel certain poste ).

Après la batterie si elle est bonne , même que tu roule pas un mois, çà va pas te vider la batterie, mais si ta voiture reste 5/6 mois sans tourner ,tu peut avoir des soucis pour démarrer. :salut:
Avatar du membre
Poyducotam
Deuchiste de référence
Deuchiste de référence
Messages : 758
Enregistré le : 02 nov. 2015, 19:41
Ma deuche : aucune... pour l'instant
Date de naissance : 23 août 1966
Localisation : Finistère nord (Brest)

Re: 2 cv Branchement autoradio "moderne"

Message par Poyducotam »

Allez hop, c'est cadeau :)

Au passage, la fameuse boule du levier de vitesse venant de chez ARS développement :)
Fichiers joints
autoradio-.jpg
Avatar du membre
pat77
Docteur deuchiste
Docteur deuchiste
Messages : 1336
Enregistré le : 06 mars 2010, 14:31
Ma deuche : Dyane 4 1971 Blanc Meije 1
Date de naissance : 07 mars 1971
Localisation : Seine et Marne
Âge : 54

Re: 2 cv Branchement autoradio "moderne"

Message par pat77 »

salut, tu as vérifié que l'autoradio perdait les mémoires en le débranchant? Ce n'est pas sûr, le mien ne perd que les réglages de volume, basses, aiguës mais pas les stations. J'ai un coupe-circuit sur la deuche qui me garantit que la batterie ne se décharge pas avec le poste. Tu es peut être tombé sur un modèle avec mémoires persistantes.
Dyane 4 1971
Blanc Meije 1
Avatar du membre
webvince
Deuchiste de référence
Deuchiste de référence
Messages : 694
Enregistré le : 26 sept. 2013, 11:42
Ma deuche : 2CV AZKA 6 Spéciale 03/1982
Date de naissance : 02 août 1973
Localisation : Bourges (18)
Âge : 52

Re: 2 cv Branchement autoradio "moderne"

Message par webvince »

Exactement ce que je voulais faire, avec pendule et allume-cigare... Et au moment du montage c'est le drame : j'avais le choix entre 2 autoradios au même prix, un avec CD et l'autre sans... Qui peut le plus peut le moins, j'ai pris avec CD... Manque de bol, trop long du coup il dépasse de ma console, empêchant de passer la 4ème... :cry: :boulet2:
Plus qu'à me rabattre sur une fixation sous le vide poche... Et repenser la fixation pendule et allume cigare...
Carpe diem (quam minimum credula postero)
Cueille le jour présent sans te soucier du lendemain.
Avatar du membre
Poyducotam
Deuchiste de référence
Deuchiste de référence
Messages : 758
Enregistré le : 02 nov. 2015, 19:41
Ma deuche : aucune... pour l'instant
Date de naissance : 23 août 1966
Localisation : Finistère nord (Brest)

Re: 2 cv Branchement autoradio "moderne"

Message par Poyducotam »

Celui que j'ai posé fait CD aussi.
En revanche, il a fallu rehausser l'embase avec deux entretoises maisons (tasseaux) pour que la façade puisse basculer par-dessus le bord de la planche et son bourrelet.
Le boitier vient d'une société basée à Nazelle-Négron (Indre-et-Loire Classic' Auto pour les citer) que j'ai monté à l'envers (dessus/dessous).

L'horloge ? Double face, elle vient de chez Babou ou autre.
Pour l'instant je réfléchis encore pour la prise 12V (enfin Madame me donnera son aval sur une des propositions); mais l'autoradio peut aussi alimenter un un téléphone par sa prise USB (calibrée pour)
Avatar du membre
webvince
Deuchiste de référence
Deuchiste de référence
Messages : 694
Enregistré le : 26 sept. 2013, 11:42
Ma deuche : 2CV AZKA 6 Spéciale 03/1982
Date de naissance : 02 août 1973
Localisation : Bourges (18)
Âge : 52

Re: 2 cv Branchement autoradio "moderne"

Message par webvince »

Bon, j'ai installé ça ce we, finalement j'ai fait simple : une épissure sur le plus permanent arrivant au Neiman, une autre sur le plus après contact ressortant du Neiman. Pour l'instant j'ai mis des fusibles volants de 10A sur chaque fil mais pour faire plus propre je vais ajouter une boite pour 2 fusibles sous la tablette.
Mon poste garde bien les mémoires, l'antenne électronique capte à merveille... Et ce matin la batterie n'était pas à plat ! :clap:
Carpe diem (quam minimum credula postero)
Cueille le jour présent sans te soucier du lendemain.
Avatar du membre
Deuchémoi
Docteur deuchiste
Docteur deuchiste
Messages : 16561
Enregistré le : 19 sept. 2009, 17:09
Ma deuche : 2cv6 Spécial AZKA Bleue céleste 11/87
Date de naissance : 30 oct. 1968
Localisation : Vitrolles (13) ... au soleil !!!

Re: 2 cv Branchement autoradio "moderne"

Message par Deuchémoi »

:???:
Pourquoi rajouter des fusibles alors que le circuit est (normalement !) déjà protégé en amont ?
:pense:
Pas de demande d'aide mécanique en Message Privé. Toutes les demandes se font dans les salons publics. Merci !
       /¯\
(°\=/°)
... Ma présentation
2cv6 Spécial AZKA Bleue céleste 11/87
       Image

ImageImage  Image
       Image
Avatar du membre
webvince
Deuchiste de référence
Deuchiste de référence
Messages : 694
Enregistré le : 26 sept. 2013, 11:42
Ma deuche : 2CV AZKA 6 Spéciale 03/1982
Date de naissance : 02 août 1973
Localisation : Bourges (18)
Âge : 52

Re: 2 cv Branchement autoradio "moderne"

Message par webvince »

D'après le schéma électrique les fusibles sont en aval du Neiman, donc m'étant branché directement sur celui-ci, mes fils ne sont pas protégés par les fusibles existants... Me trompe-je ?
Carpe diem (quam minimum credula postero)
Cueille le jour présent sans te soucier du lendemain.
Avatar du membre
Deuchémoi
Docteur deuchiste
Docteur deuchiste
Messages : 16561
Enregistré le : 19 sept. 2009, 17:09
Ma deuche : 2cv6 Spécial AZKA Bleue céleste 11/87
Date de naissance : 30 oct. 1968
Localisation : Vitrolles (13) ... au soleil !!!

Re: 2 cv Branchement autoradio "moderne"

Message par Deuchémoi »

webvince a écrit :D'après le schéma électrique les fusibles sont en aval du Neiman, donc m'étant branché directement sur celui-ci, mes fils ne sont pas protégés par les fusibles existants... Me trompe-je ?
Ha, oui alors ... Comme je n'ai pas regardé le schéma avant, il est fort probable que tu ais raison ... ! :oops:
:wink:
Pas de demande d'aide mécanique en Message Privé. Toutes les demandes se font dans les salons publics. Merci !
       /¯\
(°\=/°)
... Ma présentation
2cv6 Spécial AZKA Bleue céleste 11/87
       Image

ImageImage  Image
       Image
Avatar du membre
webvince
Deuchiste de référence
Deuchiste de référence
Messages : 694
Enregistré le : 26 sept. 2013, 11:42
Ma deuche : 2CV AZKA 6 Spéciale 03/1982
Date de naissance : 02 août 1973
Localisation : Bourges (18)
Âge : 52

Re: 2 cv Branchement autoradio "moderne"

Message par webvince »

:wink: Très instructif ce schéma.

Par contre je pense à un truc à posteriori : en créant une dérivation parallèle, je peux me retrouver à tirer 18A sur le fil principal alors que chacun de mes fils secondaires ne tirera que 9A ! Donc il vaudrait mieux que je mette mes fusibles avant la dérivation... Ce qui revient à mon idée première de me brancher en sortie de boite à fusibles :|
Carpe diem (quam minimum credula postero)
Cueille le jour présent sans te soucier du lendemain.
Avatar du membre
Poyducotam
Deuchiste de référence
Deuchiste de référence
Messages : 758
Enregistré le : 02 nov. 2015, 19:41
Ma deuche : aucune... pour l'instant
Date de naissance : 23 août 1966
Localisation : Finistère nord (Brest)

Re: 2 cv Branchement autoradio "moderne"

Message par Poyducotam »

Je pense qu'un fusible supplémentaire au niveau de la boite à fusible serait le bien venu, et plus élégant :)
Quand on a un fusible qui pète, on ne cherche pas partout dans quel coin il se loge (comme sur les voitures modernes avec 3 coeurs électriques).
Répondre
www.piecesauto-pro.fr