Bonjour.
Est il normal que lorsque j'appuie sur le bouton du demareur, celui ci se lance même sans contact ?
Alors bien sûr ma 2cv ne démarre pas car pas de contact, mais le moteur est bien lancé par le demareur
Demarreur de 2cv qui se lance même sans contact
Modérateurs : Deuchémoi, zamzam, Eric13190
- Deuchémoi
- Docteur deuchiste

- Messages : 17160
- Enregistré le : 19 sept. 2009, 17:09
- Ma deuche : 2cv6 Spécial AZKA Bleue céleste 11/87
- Date de naissance : 30 oct. 1968
- Localisation : Vitrolles (13) ... au soleil !!!
Re: Demareur qui se lance même sans contact
J'imagine que tu lances le démarreur, mais que l'allumage rentre dans la danse grâce au "contact" !
A confirmer.

A confirmer.
Pas de demande d'aide mécanique en Message Privé. Toutes les demandes se font dans les salons publics. Merci !
/¯\(°\=/°)... Ma présentation
2cv6 Spécial AZKA Bleue céleste 11/87
- Mica
- Deuchiste de référence

- Messages : 704
- Enregistré le : 04 sept. 2025, 18:28
- Ma deuche : 2cv Charleston 1983
- Date de naissance : 28 août 1975
- Localisation : Marseille
- Âge : 50
Re: Demareur qui se lance même sans contact
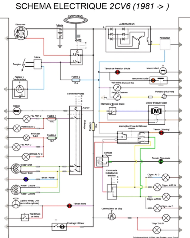
En regardant le shema electrique le la 2cv6, on voit que le + du démarreur est directement branché à la batterie et que l'action de la clé a deux fonctions, l'une est de mettre le contact et d'envoyer le + à la bobine, et l'autre en tournant encore est de mettre le démarreur à la masse pour le faire tourner.
Cela explique le fait que la tirette ou le bouton de la 2cv4 a la même action que le deuxième tour de clef dela 2cv6 et qu'elle met le démarreur à la masse quoi qu'il arrive, que la bobine soit alimentée ou non. Les deux fonctions sont séparées contrairement à la 2cv6: la clef met le contact, le bouton actionne le démarreur.
Je pense que si on débranche sur le neiman d'une 2cv6 le fil du contact, le démarreur va se lancer quand même au second tour de clef, sans emmener le moteur puisque bobine coupée. Le principe même du coupe-circuit.
Cela explique le fait que la tirette ou le bouton de la 2cv4 a la même action que le deuxième tour de clef dela 2cv6 et qu'elle met le démarreur à la masse quoi qu'il arrive, que la bobine soit alimentée ou non. Les deux fonctions sont séparées contrairement à la 2cv6: la clef met le contact, le bouton actionne le démarreur.
Je pense que si on débranche sur le neiman d'une 2cv6 le fil du contact, le démarreur va se lancer quand même au second tour de clef, sans emmener le moteur puisque bobine coupée. Le principe même du coupe-circuit.
" La nuit, tous les chats sont plats" ( Proverbe routier)
- pat77
- Docteur deuchiste

- Messages : 1445
- Enregistré le : 06 mars 2010, 14:31
- Ma deuche : Dyane 4 1971 Blanc Meije 1
- Date de naissance : 07 mars 1971
- Localisation : Seine et Marne
- Âge : 55
Re: Demareur qui se lance même sans contact
Sur la 2cv6, quand on tourne la clé, ça met le contact et si on va plus loin, ça lance le démarreur et comme le contact est mis, ça démarre.
Dans la 2cv4, il faut tourner la clé pour le contact et lancer le démarreur avec un bouton à part, d'ailleurs, au début, on oubli de mettre le contact et on a tendance à noyer la voiture.
Le contact alimente les vis platinée et la bobine, le démarreur a besoin d'un plus batterie direct qui ne peut pas être coupé. Pourquoi ils ont fait ça et pas mis la même chose que la 2cv6? mystère.
Dans la 2cv4, il faut tourner la clé pour le contact et lancer le démarreur avec un bouton à part, d'ailleurs, au début, on oubli de mettre le contact et on a tendance à noyer la voiture.
Le contact alimente les vis platinée et la bobine, le démarreur a besoin d'un plus batterie direct qui ne peut pas être coupé. Pourquoi ils ont fait ça et pas mis la même chose que la 2cv6? mystère.
Dyane 4 1971
Blanc Meije 1
Blanc Meije 1
- celeste
- Docteur deuchiste

- Messages : 944
- Enregistré le : 22 nov. 2013, 14:06
- Ma deuche : AZ56,AZAM 63, AZA 68, Acadiane travaux, Acadiane camping car,
- Date de naissance : 28 janv. 1960
- Localisation : 18600 Givardon
Re: Demareur qui se lance même sans contact
Cela simplifie le circuit électrique, dans les années 1930 toutes les voitures avaient cela, beaucoup de démarreur avec commande par câble. Après avec les relais, ect , en vue de simplicité cela devient courant
@lain
- Eric13190
- Docteur deuchiste

- Messages : 9613
- Enregistré le : 01 janv. 2020, 15:10
- Ma deuche : 2 cv6 club 1976
- Date de naissance : 04 sept. 1973
- Localisation : Allauch
- Âge : 52
Re: Demarreur de 2cv qui se lance même sans contact
Sur les 2cv6 d'avant 1974, c'est aussi le cas, ont a une clé de contact avec un démarreur par poussoir sur le tableau de bord.
"La 2cv est une des rares voiture où l'important reste la personne". Quino

- Keops
- Nouveau deuchiste

- Messages : 21
- Enregistré le : 18 sept. 2025, 19:01
- Ma deuche : 2cv4
- Date de naissance : 10 déc. 1980
- Localisation : Var
Re: Demarreur de 2cv qui se lance même sans contact
Super, merci beaucoup pour vos réponses