Petit ressort de crémaillère introuvable sur 2cv 1956

Remontage axes de pivot, changement des soufflets de cardan, claquement essieu arrière, démontage colonne de direction, roulement de roue, problème de direction...

Modérateurs : Deuchémoi, zamzam, Eric13190

Répondre
Avatar du membre
D’artagnan 65
Deuchiste intéressé
Deuchiste intéressé
Messages : 52
Enregistré le : 20 avr. 2020, 18:57
Ma deuche : 2cv az
Date de naissance : 19 mai 1980
Localisation : BORDEAUX

Petit ressort de crémaillère introuvable sur 2cv 1956

Message par D’artagnan 65 »

Bonjour la communauté,
J’ai un petit problème pour racheter une pièce de ma 2cv de 1956.

En démontant ma crémaillère, j’ai enlevé le vieux joint rectangulaire, qui ont laissé apparaître deux ressorts. L’un deux est défectueux et je voudrais le racheter je ne trouve sur aucun site et aucune revue technique la référence de ce ressort.
Vous voyez duquel je veux parler ? Ci-joint la photo pour mieux m’exprimer.

Merci à vous ! :merci:

PS: j’ai pas mal de passions ( apiculture / électronique/ histoire / et 2cv) et vous êtes de très très très loin le meilleur forum que je connaisse.( gentillesse / professionnalisme / rapidité !!!!) voilà il fallait que je vous le dise!
Fichiers joints
0FED03F1-D479-46E4-A8F0-A43AB3C5CA2E.jpeg
0FED03F1-D479-46E4-A8F0-A43AB3C5CA2E.jpeg (22.31 Kio) Vu 3889 fois


Avatar du membre
RICMAN41
Docteur deuchiste
Docteur deuchiste
Messages : 3333
Enregistré le : 03 août 2014, 18:47
Ma deuche : 2cv(79,85)AKpickup(76)Acadiane(85)
Date de naissance : 03 févr. 1972
Localisation : Ouzouer le marché 41
Âge : 54

Re: Petit ressort de crémaillère introuvable

Message par RICMAN41 »

:salut: C'est le ressort d'appui de dé de guidage de rotule de crémaillère , diamètre intérieur 13.5 mm .
n°d'origine A 442-75
Avatar du membre
michel28
Deuchiste confirmé
Deuchiste confirmé
Messages : 419
Enregistré le : 22 sept. 2019, 07:19
Ma deuche : 2CV Charleston 1983
Date de naissance : 10 févr. 1943
Localisation : Maintenon (28)
Âge : 83

Re: Petit ressort de crémaillère introuvable sur 2cv 1956

Message par michel28 »

Bonjour
Sur le site Méhari Club Cassis on le trouve sauf erreur
https://www.mehariclub.com/fr/1005386-- ... emaillere/
Avatar du membre
D’artagnan 65
Deuchiste intéressé
Deuchiste intéressé
Messages : 52
Enregistré le : 20 avr. 2020, 18:57
Ma deuche : 2cv az
Date de naissance : 19 mai 1980
Localisation : BORDEAUX

Re: Petit ressort de crémaillère introuvable sur 2cv 1956

Message par D’artagnan 65 »

C’est la tout le problème !

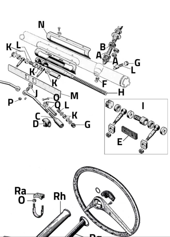
La référence que tu montres est le ressort de poussoir de crémaillère ( A côté de la lettre I) je cherche le ressort qui est près de la lettre J sur le schéma et n’arrive pas à trouvé un site pour le commander

:???:
Fichiers joints
C6A9CD11-AB89-44FB-BFC8-C82BC557DD8E.jpeg
Avatar du membre
RICMAN41
Docteur deuchiste
Docteur deuchiste
Messages : 3333
Enregistré le : 03 août 2014, 18:47
Ma deuche : 2cv(79,85)AKpickup(76)Acadiane(85)
Date de naissance : 03 févr. 1972
Localisation : Ouzouer le marché 41
Âge : 54

Re: Petit ressort de crémaillère introuvable sur 2cv 1956

Message par RICMAN41 »

:salut: je t'ai mis la réf d'origine après il faut les appeler.
Avatar du membre
bob41
Docteur deuchiste
Docteur deuchiste
Messages : 8690
Enregistré le : 09 mai 2016, 16:00
Ma deuche : 2CV A 50 ; 2CV AZ 59 ; 2CV azam 65 ; 2CV 6 79 ; Dyane 67 ; AMI6 62 ; AMI8 77 ; HY 72 67
Date de naissance : 26 sept. 1966
Localisation : Sologne viticole (Contres) et Corse (Loreto-di-Casinca)
Âge : 59

Re: Petit ressort de crémaillère introuvable sur 2cv 1956

Message par bob41 »

:salut:

C'est curieux, sur le catalogue de pièces de rechange qui concerne les anciennes, il n'y a pas ce ressort ! :o
Et comme ça fait très longtemps que je n'ai pas démonté de direction sur une ancienne, je ne me rappelle pas s'il y en a un ou non !

Voici les schéma de crémaillère d'AZ. Pas de ressort.
crémaillère AZ_1R.jpg
crémaillère AZ_2R.jpg
:salut:
Avatar du membre
RICMAN41
Docteur deuchiste
Docteur deuchiste
Messages : 3333
Enregistré le : 03 août 2014, 18:47
Ma deuche : 2cv(79,85)AKpickup(76)Acadiane(85)
Date de naissance : 03 févr. 1972
Localisation : Ouzouer le marché 41
Âge : 54

Re: Petit ressort de crémaillère introuvable sur 2cv 1956

Message par RICMAN41 »

:salut: :salut: :salut: Bob sur mon catalogue ils y sont avec les réf d’origine
Avatar du membre
bob41
Docteur deuchiste
Docteur deuchiste
Messages : 8690
Enregistré le : 09 mai 2016, 16:00
Ma deuche : 2CV A 50 ; 2CV AZ 59 ; 2CV azam 65 ; 2CV 6 79 ; Dyane 67 ; AMI6 62 ; AMI8 77 ; HY 72 67
Date de naissance : 26 sept. 1966
Localisation : Sologne viticole (Contres) et Corse (Loreto-di-Casinca)
Âge : 59

Re: Petit ressort de crémaillère introuvable sur 2cv 1956

Message par bob41 »

:salut:

Quelle date ton catalogue ? Et y t-il des dates écrites au niveau de la référence.
Le mien est de 1960 et son AZ de 1956 !

:salut:
Avatar du membre
RICMAN41
Docteur deuchiste
Docteur deuchiste
Messages : 3333
Enregistré le : 03 août 2014, 18:47
Ma deuche : 2cv(79,85)AKpickup(76)Acadiane(85)
Date de naissance : 03 févr. 1972
Localisation : Ouzouer le marché 41
Âge : 54

Re: Petit ressort de crémaillère introuvable sur 2cv 1956

Message par RICMAN41 »

bob41 a écrit : 12 avr. 2021, 16:11 :salut:

Quelle date ton catalogue ? Et y t-il des dates écrites au niveau de la référence.
Le mien est de 1960 et son AZ de 1956 !

:salut:
je te dis ça ce soir là je suis au boulot :pleurs: :pleurs:
Avatar du membre
D’artagnan 65
Deuchiste intéressé
Deuchiste intéressé
Messages : 52
Enregistré le : 20 avr. 2020, 18:57
Ma deuche : 2cv az
Date de naissance : 19 mai 1980
Localisation : BORDEAUX

Re: Petit ressort de crémaillère introuvable sur 2cv 1956

Message par D’artagnan 65 »

Si je les met pas vous pensez que c’est grave?
Avatar du membre
CHARLYSTONE
Docteur deuchiste
Docteur deuchiste
Messages : 7189
Enregistré le : 27 févr. 2018, 14:52
Ma deuche : 2cv charleston de 06. 1990 2cv6 04.1983
Date de naissance : 30 avr. 1958
Localisation : 38 pres de bourgoin jallieu

Re: Petit ressort de crémaillère introuvable sur 2cv 1956

Message par CHARLYSTONE »

D’artagnan 65 a écrit : 12 avr. 2021, 19:07 Si je les met pasww vous pensez que c’est grave?
Bonjour, la direction est l'élément de sécurité très important, surtout ne pas trafiqué, un ressort ça se trouve :salut:
Avatar du membre
Filofax
Docteur deuchiste
Docteur deuchiste
Messages : 1745
Enregistré le : 08 juin 2018, 16:09
Ma deuche : 2CV6 Spéciale AZKA 1986
Date de naissance : 31 mai 1970
Localisation : Près de Brest

Re: Petit ressort de crémaillère introuvable sur 2cv 1956

Message par Filofax »

D’artagnan 65, sur ton schéma il y a un ressort.
Sur le schéma de Bob41, il y a un caoutchouc.

Je ne sais pas du tout, mais les ressorts n'auraient-ils pas été remplacé par ce caoutchouc ?

Si oui, tu as ta réponse, tu pourrais les remplacer :wink:
Avatar du membre
RICMAN41
Docteur deuchiste
Docteur deuchiste
Messages : 3333
Enregistré le : 03 août 2014, 18:47
Ma deuche : 2cv(79,85)AKpickup(76)Acadiane(85)
Date de naissance : 03 févr. 1972
Localisation : Ouzouer le marché 41
Âge : 54

Re: Petit ressort de crémaillère introuvable sur 2cv 1956

Message par RICMAN41 »

bob41 a écrit : 12 avr. 2021, 16:11 Quelle date ton catalogue ? Et y t-il des dates écrites au niveau de la référence.
Le mien est de 1960 et son AZ de 1956 !
Bob , le catalogue est pour modèles de 1949 à 1959 , pas de date au niveau de la réf et effectivement il n'y a pas de caoutchouc.
Avatar du membre
RICMAN41
Docteur deuchiste
Docteur deuchiste
Messages : 3333
Enregistré le : 03 août 2014, 18:47
Ma deuche : 2cv(79,85)AKpickup(76)Acadiane(85)
Date de naissance : 03 févr. 1972
Localisation : Ouzouer le marché 41
Âge : 54

Re: Petit ressort de crémaillère introuvable sur 2cv 1956

Message par RICMAN41 »

0095.jpg
Avatar du membre
bob41
Docteur deuchiste
Docteur deuchiste
Messages : 8690
Enregistré le : 09 mai 2016, 16:00
Ma deuche : 2CV A 50 ; 2CV AZ 59 ; 2CV azam 65 ; 2CV 6 79 ; Dyane 67 ; AMI6 62 ; AMI8 77 ; HY 72 67
Date de naissance : 26 sept. 1966
Localisation : Sologne viticole (Contres) et Corse (Loreto-di-Casinca)
Âge : 59

Re: Petit ressort de crémaillère introuvable sur 2cv 1956

Message par bob41 »

:salut:

Donc si je regarde les schémas, le ressort a été remplacé par la barrette en caoutchouc.
Sur un autre catalogue de 1968 j'ai la confirmation. Il est écrit :

AZ 442-75 : Plaquette antibruit (caoutchouc). Depuis octobre 64. Remplace modèle précédent (pour 2 ressorts)

Tout est donc clair. La crémaillère de cette 2 CV de 1956 est d'origine.
Et la plaquette caoutchouc est refabriquée, parce qu'on peut remplacer les ressorts par cette plaquette.
Ici par exemple :

https://www.cipere.fr/fr/Citroen-2CV/Al ... /ANR12027/

:salut:
Avatar du membre
Filofax
Docteur deuchiste
Docteur deuchiste
Messages : 1745
Enregistré le : 08 juin 2018, 16:09
Ma deuche : 2CV6 Spéciale AZKA 1986
Date de naissance : 31 mai 1970
Localisation : Près de Brest

Re: Petit ressort de crémaillère introuvable sur 2cv 1956

Message par Filofax »

Avatar du membre
D’artagnan 65
Deuchiste intéressé
Deuchiste intéressé
Messages : 52
Enregistré le : 20 avr. 2020, 18:57
Ma deuche : 2cv az
Date de naissance : 19 mai 1980
Localisation : BORDEAUX

Re: Petit ressort de crémaillère introuvable sur 2cv 1956

Message par D’artagnan 65 »

Top les amis merci beaucoup !
Répondre
www.piecesauto-pro.fr