Schéma électrique 2cv de 1981
Modérateurs : Deuchémoi, zamzam, Eric13190
- Luigi
- Nouveau deuchiste

- Messages : 29
- Enregistré le : 08 janv. 2018, 00:54
- Ma deuche : 2cv azka
- Date de naissance : 21 mars 1999
- Localisation : Région parisienne
Schéma électrique 2cv de 1981
Salut à tous je me demandais si quelqu'un aurait le schéma électrique pour une 2cv de 1981 car mon faisseaux est mort et vu le prix de ce dernier par les revendeurs je préfère faire cela moi même merci d'avance et bonne journée
- bob41
- Docteur deuchiste

- Messages : 8690
- Enregistré le : 09 mai 2016, 16:00
- Ma deuche : 2CV A 50 ; 2CV AZ 59 ; 2CV azam 65 ; 2CV 6 79 ; Dyane 67 ; AMI6 62 ; AMI8 77 ; HY 72 67
- Date de naissance : 26 sept. 1966
- Localisation : Sologne viticole (Contres) et Corse (Loreto-di-Casinca)
- Âge : 59
Re: Schéma électrique 2cv de 1981
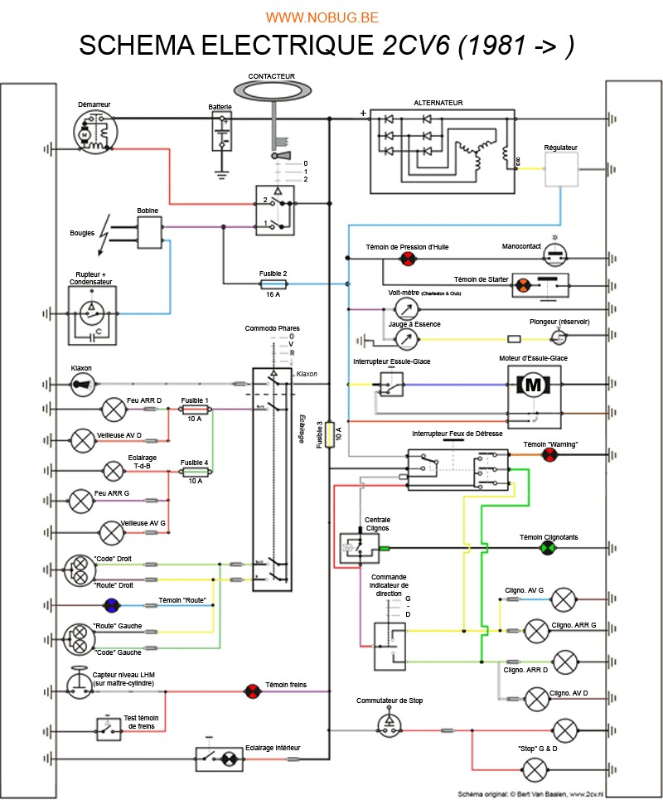
En voici un :
- Luigi
- Nouveau deuchiste

- Messages : 29
- Enregistré le : 08 janv. 2018, 00:54
- Ma deuche : 2cv azka
- Date de naissance : 21 mars 1999
- Localisation : Région parisienne
Re: Schéma électrique 2cv de 1981
Merci beaucoup bob!!!