[RÉSOLU]Court-circuit entre le moteur d’essuie glace et le régulateur de tension sur 2cv
Modérateurs : Deuchémoi, zamzam, Eric13190
- Brice64
- Nouveau deuchiste

- Messages : 15
- Enregistré le : 21 oct. 2025, 15:33
- Ma deuche : 2CV Charleston 1989
- Date de naissance : 27 nov. 1984
- Localisation : Pau
[RÉSOLU]Court-circuit entre le moteur d’essuie glace et le régulateur de tension sur 2cv
Bonjour,
Sur une rénovation sur une 2CV Charleston de 1989, j’ai supprimé des fils qui ont été ajoutés pour un auto radio, des antibrouillards et une centrale clignotant montée en plus de la centrale cylindrique de l’habitacle pour avoir un faisceau plus « sain ». Avant mes manipulations (réparation de la caisse et du châssis pour cause de rouille, obligeant le démontage complet de la 2cv) elle tournait très bien suite au montage d’un allumage électronique MCC.
A présent, lorsque que je mets le contact, le fusible du circuit avec le moteur d’essuie glace, cligno, régulateur, etc… grille. J’ai isolé les différents éléments sur ce circuit. J’ai fait le test avec l’ampoule de 5W. Ce sont le moteur d’essuie glace et le régulateur de tension qui font s’éclairer très fortement l’ampoule.
Je me suis focalisé d’abord sur le moteur d’essuie glace. Toujours avec l’ampoule, il frémit mais ne fonctionne pas. J’ai testé en le branchant directement à la batterie et là il fonctionne. La batterie est à 12V au multimètre. A l’arrivée au moteur d’essuie glace 10,98V sur les cosses. Je ne comprends pas (je n’ai pas de grande connaissance en élec, et je me fais aidé par un ami prof de techno).
J’y pense, l’ancien propriétaire a ajouté un fil sur la cosse moins de la batterie pour le raccorder directement à la masse.
Pour le régulateur de tension ça reste un mystère. Nous avons démarré la 2cv et testé si l’alternateur rechargé la batterie en débranchant la batterie moteur tournant. Tout c’est arrêté. Je suis sceptique sur ce test d’alternateur, en bon élève je fais confiance au prof. J’ai amené la batterie au garage qui m’a annoncé qu’elle était morte. J’ai donc à présent une batterie neuve.
Mes questions: à votre avis qu’est-ce qui ne va pas ? Je suis très frustré car avant la suppression des fils « ajoutés » tout fonctionnait.
Comment puis-je tester l’alternateur ?
Comment isoler un court circuit entre l’essuie glace et le régulateur ?
Le régulateur est d’origine. Comment le tester ?
Merci pour votre aide.
Brice
Sur une rénovation sur une 2CV Charleston de 1989, j’ai supprimé des fils qui ont été ajoutés pour un auto radio, des antibrouillards et une centrale clignotant montée en plus de la centrale cylindrique de l’habitacle pour avoir un faisceau plus « sain ». Avant mes manipulations (réparation de la caisse et du châssis pour cause de rouille, obligeant le démontage complet de la 2cv) elle tournait très bien suite au montage d’un allumage électronique MCC.
A présent, lorsque que je mets le contact, le fusible du circuit avec le moteur d’essuie glace, cligno, régulateur, etc… grille. J’ai isolé les différents éléments sur ce circuit. J’ai fait le test avec l’ampoule de 5W. Ce sont le moteur d’essuie glace et le régulateur de tension qui font s’éclairer très fortement l’ampoule.
Je me suis focalisé d’abord sur le moteur d’essuie glace. Toujours avec l’ampoule, il frémit mais ne fonctionne pas. J’ai testé en le branchant directement à la batterie et là il fonctionne. La batterie est à 12V au multimètre. A l’arrivée au moteur d’essuie glace 10,98V sur les cosses. Je ne comprends pas (je n’ai pas de grande connaissance en élec, et je me fais aidé par un ami prof de techno).
J’y pense, l’ancien propriétaire a ajouté un fil sur la cosse moins de la batterie pour le raccorder directement à la masse.
Pour le régulateur de tension ça reste un mystère. Nous avons démarré la 2cv et testé si l’alternateur rechargé la batterie en débranchant la batterie moteur tournant. Tout c’est arrêté. Je suis sceptique sur ce test d’alternateur, en bon élève je fais confiance au prof. J’ai amené la batterie au garage qui m’a annoncé qu’elle était morte. J’ai donc à présent une batterie neuve.
Mes questions: à votre avis qu’est-ce qui ne va pas ? Je suis très frustré car avant la suppression des fils « ajoutés » tout fonctionnait.
Comment puis-je tester l’alternateur ?
Comment isoler un court circuit entre l’essuie glace et le régulateur ?
Le régulateur est d’origine. Comment le tester ?
Merci pour votre aide.
Brice
- Mica
- Apprenti deuchiste

- Messages : 291
- Enregistré le : 04 sept. 2025, 18:28
- Ma deuche : 2cv Charleston 1983
- Date de naissance : 28 août 1975
- Localisation : Marseille
- Âge : 50
Re: Court-circuit entre le moteur d’essuie glace et le régulateur de tension
Hello,
Pour tester l'alternateur, tu laisses ta batterie branchée, tu mesures la tension sur la batterie, moteur éteint, qui doit être aux alentours de 12 virgule quelque chose.
Tu démarres et tu mesures à nouveau, ta tension doit augmenter jusqu'à 14 plus ou moins. Tu sauras si ton alternateur fonctionne.
En même temps, tu testes ton régulateur en accélérant à la main moteur tournant et ta tension ne doit pas dépasser 14,5 environ. Si ca monte encore plus quand tu accélères, c'est que ton régulateur est HS.
Si tu as 12v à la batterie, et 10,98 en arrivant au moteur d'essuie glaces, c'est qu'un appareil sur la même ligne donc branché en série, consomme la différence. Remonte le fil pour voir.
Pour tester l'alternateur, tu laisses ta batterie branchée, tu mesures la tension sur la batterie, moteur éteint, qui doit être aux alentours de 12 virgule quelque chose.
Tu démarres et tu mesures à nouveau, ta tension doit augmenter jusqu'à 14 plus ou moins. Tu sauras si ton alternateur fonctionne.
En même temps, tu testes ton régulateur en accélérant à la main moteur tournant et ta tension ne doit pas dépasser 14,5 environ. Si ca monte encore plus quand tu accélères, c'est que ton régulateur est HS.
Si tu as 12v à la batterie, et 10,98 en arrivant au moteur d'essuie glaces, c'est qu'un appareil sur la même ligne donc branché en série, consomme la différence. Remonte le fil pour voir.
" La nuit, tous les chats sont plats" ( Proverbe routier)
- Brice64
- Nouveau deuchiste

- Messages : 15
- Enregistré le : 21 oct. 2025, 15:33
- Ma deuche : 2CV Charleston 1989
- Date de naissance : 27 nov. 1984
- Localisation : Pau
Re: Court-circuit entre le moteur d’essuie glace et le régulateur de tension
Entendu pour vérifier l'alternateur.
Pour le régulateur, c'est plus difficile car dès que je le connecte le fusible grille
.
Pour le régulateur, c'est plus difficile car dès que je le connecte le fusible grille
- Mica
- Apprenti deuchiste

- Messages : 291
- Enregistré le : 04 sept. 2025, 18:28
- Ma deuche : 2cv Charleston 1983
- Date de naissance : 28 août 1975
- Localisation : Marseille
- Âge : 50
Re: Court-circuit entre le moteur d’essuie glace et le régulateur de tension
Si un fusible grille, c'est soit dû à une surtension soit un court-circuit.
Logiquement le régulateur reçoit directement le courant de l'alternateur et n'est pas protégé par un fusible, c 'est la sortie du régulateur qui est en défaut.
Ton régulateur semble en court-circuit ou un truc comme ça.
Logiquement le régulateur reçoit directement le courant de l'alternateur et n'est pas protégé par un fusible, c 'est la sortie du régulateur qui est en défaut.
Ton régulateur semble en court-circuit ou un truc comme ça.
" La nuit, tous les chats sont plats" ( Proverbe routier)
- pat77
- Docteur deuchiste

- Messages : 1373
- Enregistré le : 06 mars 2010, 14:31
- Ma deuche : Dyane 4 1971 Blanc Meije 1
- Date de naissance : 07 mars 1971
- Localisation : Seine et Marne
- Âge : 54
Re: Court-circuit entre le moteur d’essuie glace et le régulateur de tension
Tu as dit avoir refait le faisceau, tu as certainement dû te tromper dans le remontage quelque part. Tu n'as pas inversé les cosses du régulateur par hasard?
De toute façon, tu ne peux pas te passer de régulateur pour rouler, ta tension sera trop haute et ta batterie risque d'exploser.
Tu as une photo du régulateur?
De toute façon, tu ne peux pas te passer de régulateur pour rouler, ta tension sera trop haute et ta batterie risque d'exploser.
Tu as une photo du régulateur?
Dyane 4 1971
Blanc Meije 1
Blanc Meije 1
- Brice64
- Nouveau deuchiste

- Messages : 15
- Enregistré le : 21 oct. 2025, 15:33
- Ma deuche : 2CV Charleston 1989
- Date de naissance : 27 nov. 1984
- Localisation : Pau
Re: Court-circuit entre le moteur d’essuie glace et le régulateur de tension
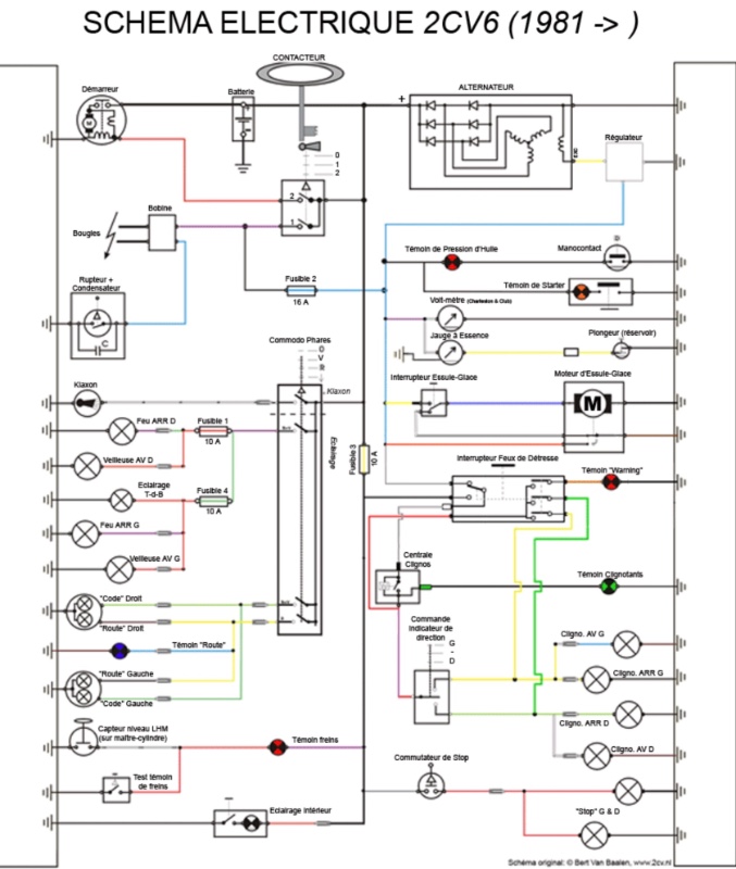
Merci pour vos réponses et le schéma, très instructif. Il n'est pas impossible en effet que l'erreur vienne du mec au bout de la clé de 8... Je m'y repenche vendredi. Voici les photos du régulateur et de sa connectique ainsi que le neiman.
- Lolodubalaou
- Docteur deuchiste

- Messages : 1858
- Enregistré le : 17 nov. 2022, 22:04
- Ma deuche : 2cv Sausss Ente
- Date de naissance : 10 nov. 1956
- Localisation : Golfe du Morbihan
Re: Court-circuit entre le moteur d’essuie glace et le régulateur de tension
Hi,
c'est une excellente action, redoutablement efficace pour fusiller les diodes redresseuses dans l'alternateur !
Laurent
PS : on peut le faire avec une dynamo mais pas avec un alternateur.
- François44
- Docteur deuchiste

- Messages : 1133
- Enregistré le : 29 août 2015, 17:47
- Ma deuche : 2cv6 special 1981
- Date de naissance : 15 juil. 1964
- Localisation : Rezé,tout près de Nantes...
Re: Court-circuit entre le moteur d’essuie glace et le régulateur de tension
D'accord pour tout le reste, mais je me permets de corriger ; si un fusible grille, effectivement ça peut être à cause d'un court-circuit mais aussi d'une sur-intensité (ce que produit un court-circuit) et non pas d'une surtension.
En gros, le fusible se moque de se voir traversé par 2, 6, 12 ou 24v par-contre, si sur une voiture en 12V, on met sur un circuit protégé par un fusible de 2A un consommateur qui a besoin de 10A, là, il ne va pas aimer...
- Mica
- Apprenti deuchiste

- Messages : 291
- Enregistré le : 04 sept. 2025, 18:28
- Ma deuche : 2cv Charleston 1983
- Date de naissance : 28 août 1975
- Localisation : Marseille
- Âge : 50
Re: Court-circuit entre le moteur d’essuie glace et le régulateur de tension
Voila, c'est exactement ce que je voulais dire 
Bon , pour moi ça vaut le coup de remplacer ce régulateur
Bon , pour moi ça vaut le coup de remplacer ce régulateur
" La nuit, tous les chats sont plats" ( Proverbe routier)
- Brice64
- Nouveau deuchiste

- Messages : 15
- Enregistré le : 21 oct. 2025, 15:33
- Ma deuche : 2CV Charleston 1989
- Date de naissance : 27 nov. 1984
- Localisation : Pau
Re: Court-circuit entre le moteur d’essuie glace et le régulateur de tension sur 2cv
Et bien voilà ! Mon ami prof de techno est revu et il y avait bien un problème de connexion pour l'essuie glaces comme vous l'avez diagnostiqué (aucune couleur ne correspond). Les grands esprits se rencontrent ! Il a réussi aussi a trouver également un petit court circuit à l'intérieur du moteur d'essuie glace entre les 3 petites pattes. Le fil bleu à la sortie du moteur était à la masse. C'est chose réglée.
Plus de problème d'intensité coté habitacle. Le fusible tient !
Coté Neiman après vérification des schémas, les couleurs sont en théorie inversées (mauve et rouge). Nous avons inversé, testé, ce n'était pas ça. Il n'y a plus de position contact le moteur démarre de suite lors du test. Peut-être les couleurs sont juste inversées sur les fils.
Pour le régulateur. C'est confirmé il est mort. La tension monte en flèche, 17V après démarrage, ce qui laisse penser que l'alternateur est lui plutôt en forme. Je passe donc commande d'un régulateur.
Merci à tous pour votre aide. Suite au prochain épisode.
Plus de problème d'intensité coté habitacle. Le fusible tient !
Coté Neiman après vérification des schémas, les couleurs sont en théorie inversées (mauve et rouge). Nous avons inversé, testé, ce n'était pas ça. Il n'y a plus de position contact le moteur démarre de suite lors du test. Peut-être les couleurs sont juste inversées sur les fils.
Pour le régulateur. C'est confirmé il est mort. La tension monte en flèche, 17V après démarrage, ce qui laisse penser que l'alternateur est lui plutôt en forme. Je passe donc commande d'un régulateur.
Merci à tous pour votre aide. Suite au prochain épisode.
- Brice64
- Nouveau deuchiste

- Messages : 15
- Enregistré le : 21 oct. 2025, 15:33
- Ma deuche : 2CV Charleston 1989
- Date de naissance : 27 nov. 1984
- Localisation : Pau
Re: Court-circuit entre le moteur d’essuie glace et le régulateur de tension sur 2cv
Bonjour à tous,
Juste un petit mot pour confirmer que l'installation du régulateur neuf a résolu les derniers problèmes électriques. Tout roule de ce coté là. Y'a d'autres problèmes, mais pas électrique !
Brice
Juste un petit mot pour confirmer que l'installation du régulateur neuf a résolu les derniers problèmes électriques. Tout roule de ce coté là. Y'a d'autres problèmes, mais pas électrique !
Brice
- Eric13190
- Docteur deuchiste

- Messages : 9327
- Enregistré le : 01 janv. 2020, 15:10
- Ma deuche : 2 cv6 club 1976
- Date de naissance : 04 sept. 1973
- Localisation : Allauch
- Âge : 52
Re: Court-circuit entre le moteur d’essuie glace et le régulateur de tension sur 2cv
Salut.
Bonne nouvelle
Je marque Résolu
Bonne nouvelle
Je marque Résolu
"La 2cv est une des rares voiture où l'important reste la personne". Quino

- Deuchémoi
- Docteur deuchiste

- Messages : 16827
- Enregistré le : 19 sept. 2009, 17:09
- Ma deuche : 2cv6 Spécial AZKA Bleue céleste 11/87
- Date de naissance : 30 oct. 1968
- Localisation : Vitrolles (13) ... au soleil !!!
Re: [RÉSOLU]Court-circuit entre le moteur d’essuie glace et le régulateur de tension sur 2cv
Merci du retour.
Pas de demande d'aide mécanique en Message Privé. Toutes les demandes se font dans les salons publics. Merci !
/¯\(°\=/°)... Ma présentation
2cv6 Spécial AZKA Bleue céleste 11/87