voici quelques schémas électrique 2cv

Clignotants, alternateurs, allumage électronique, panne d'essuie-glaces, batterie qui fuit, tension batterie, point de masse, remontage des faisceaux, branchement de la bobine, phares...

Modérateurs : Deuchémoi, zamzam, Eric13190

Répondre
Avatar du membre
florian
Deuchiste intéressé
Deuchiste intéressé
Messages : 98
Enregistré le : 19 déc. 2016, 16:57
Ma deuche : 2cv azk
Date de naissance : 18 avr. 1978
Localisation : 83 gorges du verdon

voici quelques schémas électrique 2cv

Message par florian »

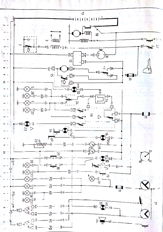
voici quelques schémas des évolution
f1BRhXX0J8MVDF8WEKCUA9UY.jpg
Er719JALWyhAVMJAbUSyDLdC.jpg
Ye7egdWe2R5Ft6E8XT8fFAbN.jpg

---------------------------------------------------------------------------------------------------------------------------------------------------------------------------------------------------------------------------------------------------------------------------------------------------------------------------------------------------------------------------------------------------------------------------------------
0rBHVDeTfeD00SYXhdUJJJ58.jpg
Lt43TfE82efSV8TCh6h5d49R.jpg
---------------------------------------------------------------------------------------------------------------------------------------------------------------------------------------------------------------------------------------------------------------------------------------------------------------------------------------------------------------------------------------------------------------------------------------
5gMM4g1C4M1K47b2CeFK7g8V.jpg
--------------------------------------------------------------------------------------------------------------------------------------------------------------------------------------------------------------------------------------------------------------------------------------------------------------------------------------------------------------------------------------------------------------------------------------------------
yrFEA6Hb2e9CaSbV6f7AUfBV.jpg
bSaDgPY5H6Q53eAEVbdfdPP6.jpg
8LJ2TUWVbadPadL5yTAFT2H5.jpg


Répondre
www.piecesauto-pro.fr