help pas de recharge 6 volts sur 2cv

Clignotants, alternateurs, allumage électronique, panne d'essuie-glaces, batterie qui fuit, tension batterie, point de masse, remontage des faisceaux, branchement de la bobine, phares...

Modérateurs : Deuchémoi, zamzam, Eric13190

Répondre
Avatar du membre
yoanx17
Deuchiste intéressé
Deuchiste intéressé
Messages : 48
Enregistré le : 13 mai 2019, 22:41
Ma deuche : azlp-po 1959
Date de naissance : 25 mars 1979
Localisation : a10 sortie 36
Âge : 46

help pas de recharge 6 volts sur 2cv

Message par yoanx17 »

bon mes soucis administratifs étant réglés, fini les tours à 5 km à la ronde, on prend la route ! :gnark:

au démarrage j'ai bien vu que ça pétait pas la forme, j'avais dans l'idée d'aller à 15 bornes et revenir, mais le beau temps de mise, et les bouchons à Royan on prolongé la promenade, je me suis dépêcher de rentrer avant la nuit, mais j'ai quand même du mettre les veilleuses, et ça a pas trainé, à 3 km de la maison, rétrogradage, le moteur cale et .............. plus assez de jus pour relancer le démarreur !

la loose ! j'ai du démonter la batterie la charger et ramener la deuch 2 h après.
:pleurs:
Alors parlons bien parlons peu j'ai regarder un peu tout les sujets et je suis perplexe.
pour info j'ai une paris rhone G11 r 76
à la base mon régul était un cibié mais ne fonctionnait pas du tout.
je l'ai changé pour un sna ed2s14 testé par le vendeur (un pro) qui m'a assuré qu'il fonctionnais et était compatible avec ma 2cv.

une fois ce régul monté j'ai
avec une batterie à 6.2 V :

3 volt sur la cosse EXC,
6.2 v entre la masse et la sortie BAt
en accélérant 8 V sur la borne DYN

donc j'en conclu que ma dynamo marche, que la partie excitation du régulateur marche
mais que pour une raison X le jus qui arrive de la dynamo ne retourne pas à la batterie...

j'ai ouvert mon régul et :
_20191230_155907.JPG
j'ai noté que si je contrait vers le haut la palette avec le point rouge, le courant augmente vers la batterie, et l'ampèrmètre monte :D

donc ?

je cherche une corde :???:


Avatar du membre
Fredjojo
Docteur deuchiste
Docteur deuchiste
Messages : 1317
Enregistré le : 28 mai 2017, 20:13
Ma deuche : 2CV AZA1966 ENAC
Date de naissance : 30 nov. 1963
Localisation : Bois-Colombes // Bar Le Duc 55000

Re: help pas de recharge 6 volts

Message par Fredjojo »

Ta dynamo excitation par le moins est bien compatible avec ce regu dans la liste des docs d'azam76.
La partie conjoncteur qui devrait s'enclencher vers 6,5V n a pas l'air de fonctionner ,ET IL NE FAUT SURTOUT PAS LA FORCER A LA MAIN car si le moteur se coupe et si le contact ne redescend pas la dynamo se transforme en moteur avec la batterie.
La partie regulateur tension n'a pas l'air de fonctionner car je ne pense pas que cela puisser monter au dessus de 7,5v , cette palette lorsque moteur accelerer vibre ? .
Le vendeur la testé Comment ?
Je ne connais pas ce regu , mais peux tu t'assurer que la Masse est parfaite sur ton regu?.
Il y a une resistance en dessous verifier si pas HS.
On ne voit pas bien mais il n'y a pas vis de réglage sur la palette du conjoncteur ?
Ne pas forcé sur les pattes si ressort etc sinon tous les reglages sont mort
Avatar du membre
yoanx17
Deuchiste intéressé
Deuchiste intéressé
Messages : 48
Enregistré le : 13 mai 2019, 22:41
Ma deuche : azlp-po 1959
Date de naissance : 25 mars 1979
Localisation : a10 sortie 36
Âge : 46

Re: help pas de recharge 6 volts

Message par yoanx17 »

la masse du régul est ok

la résistance aussi.

et il n'y a effectivement pas de vis de réglage...

je ne comprend pas ce qui déconne, il faudrait que je trouve un schéma de ce régul pour tester les bobines...

peut être y a t'il un faut contact quelque part ou un bobinage hs...

si quelqu’un connait un moyen de le tester...
Avatar du membre
Fredjojo
Docteur deuchiste
Docteur deuchiste
Messages : 1317
Enregistré le : 28 mai 2017, 20:13
Ma deuche : 2CV AZA1966 ENAC
Date de naissance : 30 nov. 1963
Localisation : Bois-Colombes // Bar Le Duc 55000

Re: help pas de recharge 6 volts

Message par Fredjojo »

Il faut peut etre tout revoir
La dynamo
1/ La Borne Excitation est bien ISOLE du corps de la dynamo ?
Mettre feuille de papier entre charbon Dyn
Débrancher les 2 cosses venant du regu Exc + Dyn
Mesurer a l ohmmètre pas de contact entre borne Exc et Masse dynamo.

2/ Les 4 inducteurs n'ont pas ete démontés et remis en série n'importe comment ( il y a un sens d'enroulement bien spécifique )
Les jonctions des inducteurs entre eux ne sont pas nus et ne risque pas de toucher le corps de la dynamo, Les longueur sous tete des vis de fixations de la dynamo sont isolés et ne risque pas de toucher les jonctions inducteur et le corps de la dynamo
Les 4 masses polaires n'ont pas ete demonté et non remis a leur place initiale.
En gardant les meme parametres du 1 , Mesurer entre Borne Dyn et borne Exc env 2,8 ohm.

3/ Les charbons font au moins 1 cm de long ? , Retirer le papier sous le charbon dynamo et mesurer si continuité désormais entre Borne Excitation et la Masse .

Pour l'induit il faut que ce soit le bon modèle et sans grognard pas facile a tester.

test entre La cosse Excitation dynamo et cosse excitation regu pas de coupure, pas court circuit avec la masse , câble abime par le corps ventillo
test idem etre cosse dyn dynamo et cosse dyn regu

pour le regulateur
Masse doit etre parfaite , si la tension au borne de la batterie est a 6,21 par exemple , en mesurant la tension sur le regu entre borne Masse et BAt on retrouve 6,21

A aucun moment tu n'as essayer de remagnetiser la dynamo en branchant l'excitation de la dyn au +BATT , Attention ne pas le faire EXCITATION PAR LE MOINS.


Moteur démarré légerement acceleré puis acceleré vers 2500/ 3000 au moins 20/30 secondes
observe les 2 palettes du regu , celui cote exci/ dyn devrait osciller peut etre trop vite pour que ton oeil le voit.
celui coté +batt devrait etre le conjoncteur , la palette doit bouger tout doucement et a la valeur de la conjonction les 2 grains doivent se coller .
NE PAS CHERCHER A LES FAIRE SE TOUCHER , CELA DOIT SE FAIRE UNIQUEMENT PAR Circulation Tension / Courant
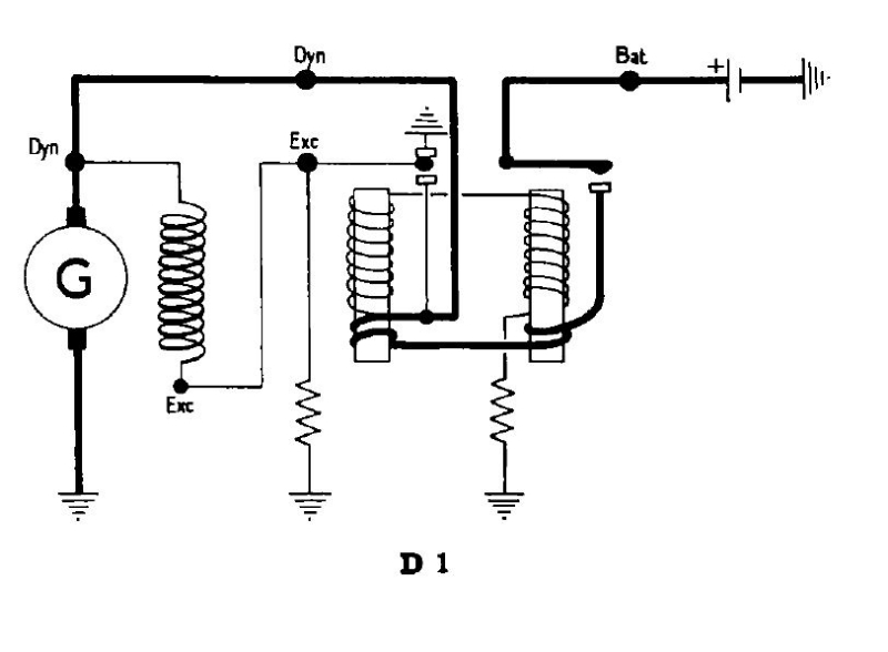
Le schéma de ton regu , je ne l'ai pas . Le modele ducellier doit ressemble a cette image mais n'est surement pas le meme que le tien mais ca reste dans le meme esprit.
Ce n'est pas facile de tester les continuité car cela se mort la queue et pas possibilité de dissocier sans destruction.
Il faut juste garder a l'esprit qu'il a ete reglé sur banc, et que la combinaison ressort , nombre de spires et tension dans les bobinages font que les palettes s'actionnent ou non a un valeur determiné par le constructeur.

D1.JPG
dynamoexcmoins.JPG
dynamoexcmoins.JPG (29.81 Kio) Vu 15753 fois
Avatar du membre
azam76
Apprenti deuchiste
Apprenti deuchiste
Messages : 308
Enregistré le : 27 août 2018, 17:19
Ma deuche : 2CV AZAM 1966
Date de naissance : 08 sept. 1968
Localisation : LE HAVRE

Re: help pas de recharge 6 volts

Message par azam76 »

Si, il y a un réglage à faire (plus exactement un appairage), et ce réglage du conjoncteur-disjoncteur est toujours merdique, quelque soit le régulateur. C'est rarement une vis, plus souvent une palette à tordre ou un nombre de tour de bobinage à ajuster, mais plus personne n'a de banc test pour réaliser cette opération d'appairage avec la dynamo.
Tu as les valeurs de réglage dans T1-Opération A 535-0 pour les régulateurs Ducellier et Paris-Rhône, mais sans le banc, quasi impossible à faire.

C'est pour cela que j'ai monté un régulateur électronique, plus besoin d'appairage à réaliser :gnark:

Pour revenir à ton régulateur:
SI tu a 8V à la borne DYN en accélérant, c'est déjà que ta dynamo fonctionne mais que le limiteur de tension n'est pas réglé (lamelle ressort non adéquate?) ou la résistance qui renvoie le courant sur l'excitation est trop faible (doit faire environ 20 ohm, fil résistif). Il doit vibrer pour limiter le courant d'excitation pour obtenir une valeur de 7,5V, pas plus, sou risque de flinguer la batterie. Quel courant de la borne EXC à la dynamo?

Et clairement, le conjoncteur n'est pas non plus réglé, ressort peut être pas bon aussi ou il manque la résistance de 20 Ohm entre EXC et la masse.

Peux-tu vérifier les valeurs des résistances et nous dire ?

Pour info, le schéma du régulateur Paris Rhône:
Régulateur-1.jpg
:enchante:
Avatar du membre
Fredjojo
Docteur deuchiste
Docteur deuchiste
Messages : 1317
Enregistré le : 28 mai 2017, 20:13
Ma deuche : 2CV AZA1966 ENAC
Date de naissance : 30 nov. 1963
Localisation : Bois-Colombes // Bar Le Duc 55000

help pas de recharge 6 volts

Message par Fredjojo »

Azam il est en excitation par le moins et regu 2 bobines tension/ disjoncteur snc patin couffin deja les resistances sont pas les meme entre les notres alors la
Avatar du membre
azam76
Apprenti deuchiste
Apprenti deuchiste
Messages : 308
Enregistré le : 27 août 2018, 17:19
Ma deuche : 2CV AZAM 1966
Date de naissance : 08 sept. 1968
Localisation : LE HAVRE

Re: help pas de recharge 6 volts

Message par azam76 »

Effectivement, j'avais oublié :boulet2: .

Il faudrait le schéma du régulateur pour voir plus en détail, je ne connait pas trop ce régulateur. De mémoire, sur un ed2s14 que j'avais vu en brocante de pièce, il doit y avoir un fil résistif enroulé sur du mica dessous le régulateur. Il faut faire attention que rien ne touche ce fil résistif, et que les extrémité soient bien en contact avec les deux vis de maintient.

La partie conjonction peut aussi facilement se tester juste avec une alimentation stabilisée réglable.
:tchin:
:enchante:
Avatar du membre
azam76
Apprenti deuchiste
Apprenti deuchiste
Messages : 308
Enregistré le : 27 août 2018, 17:19
Ma deuche : 2CV AZAM 1966
Date de naissance : 08 sept. 1968
Localisation : LE HAVRE

Re: help pas de recharge 6 volts

Message par azam76 »

Trouvé ça pour les germanophiles, ce que je ne suis pas :enerve2:

https://www.andre-citroen-club.de/forum ... le/?page=2

Ya des éléments intéressant sur le montage d'un régulateur électronique et détails des régulateurs Ducellier.
Avatar du membre
yoanx17
Deuchiste intéressé
Deuchiste intéressé
Messages : 48
Enregistré le : 13 mai 2019, 22:41
Ma deuche : azlp-po 1959
Date de naissance : 25 mars 1979
Localisation : a10 sortie 36
Âge : 46

Re: help pas de recharge 6 volts sur 2cv

Message par yoanx17 »

bon impossible de trouver un schéma de fonctionnement de ce régulateur,
aujourd'hui j'ai pris les voltages
sur la batterie 6.2 moteur accéléré,
7.5 sur la borne dyn du régul

j'ai mis les phares, les clignots et le feu de recul, la tension batterie descent à 6.1 pas moins, et rien ne se passe même quand je descent le régime moteur
sauf que le courant sur la borne dyn varie suivant le régime

par contre, chose étrange,
ma dynamo étant régulée par la masse, est-ce normal que je trouve une tension positive quand je place sur la borne ext le + du volltetre et que l'autre fiche est sur la masse ?
Avatar du membre
Fredjojo
Docteur deuchiste
Docteur deuchiste
Messages : 1317
Enregistré le : 28 mai 2017, 20:13
Ma deuche : 2CV AZA1966 ENAC
Date de naissance : 30 nov. 1963
Localisation : Bois-Colombes // Bar Le Duc 55000

help pas de recharge 6 volts sur 2cv

Message par Fredjojo »

Mais c une tension tres faible , le probleme est que le conjoncteur ne s enclenche pas, il devrait s enclencher vers 6.5 si tu as 7.5 a la borne dyn tu devrais les retrouver sur le haut du conjoncteur. Tu avais quoi comme regul avant d acheter celui la ?
Tu peux essayer de retirer le cable de masse du regu tu l isole , et tu retire un cable volant du - de la batterie a la masse du regu
Avatar du membre
yoanx17
Deuchiste intéressé
Deuchiste intéressé
Messages : 48
Enregistré le : 13 mai 2019, 22:41
Ma deuche : azlp-po 1959
Date de naissance : 25 mars 1979
Localisation : a10 sortie 36
Âge : 46

Re: help pas de recharge 6 volts sur 2cv

Message par yoanx17 »

Avant j'avais un cibié
Resté inactif depuis plus de 40 ans comme le reste !
Après avoir changer les charbons de la dynamo,
Je n'avais toujours rien qui en sortait, je pense que la partie excitation ne fonctionnait pas.
Après j'ai pas non plus vraiment chercher à comprendre pourquoi il ne marchait pas...

Mais je crois que maintenant que je suis sur que ma dynamo fonctionne, ça vaudrait peut-être le coup de voir s'il n'est pas simplement collé.... Ou les contacts oxydés...

J'ai contacté les demoiselles de levallois car le SNA était monté dans les années 55 mais...
Avatar du membre
Fredjojo
Docteur deuchiste
Docteur deuchiste
Messages : 1317
Enregistré le : 28 mai 2017, 20:13
Ma deuche : 2CV AZA1966 ENAC
Date de naissance : 30 nov. 1963
Localisation : Bois-Colombes // Bar Le Duc 55000

Re: help pas de recharge 6 volts sur 2cv

Message par Fredjojo »

Je n'ai trouvé aucune doc sur SNA paris , si tu es sur que ta dyn est bien remonté en exc - tu peux tester ce pdf .
Pour les grains juste un leger coup de papier de verre genre a l'eau (sans eau) très très fin.
si tu avais une alim de labo on pourrait le tester pour voir s'il réagit.
Fichiers joints
test Dynamo.pdf
(384.56 Kio) Téléchargé 323 fois
Avatar du membre
renato13
Docteur deuchiste
Docteur deuchiste
Messages : 11511
Enregistré le : 26 juil. 2011, 10:41
Ma deuche : azlp grise 1960
Date de naissance : 06 nov. 1955
Localisation : istres

Re: help pas de recharge 6 volts sur 2cv

Message par renato13 »

:salut:

JE donne mon avis sur se sujet. :siffle:

les dynamo paris Rhône ,ou ducellier fonctionne toutes les deux pareil, mais le courant circule pas dans le même sens

une a un bobinage enrouler part la droite ,l'autre part la gauche, une régule part le plus,une régule part le moins,

et tout çà et contrôler part le regu, c'est pour çà qu'il et très important de monter une dynamo appareiller de son regu.

une dynamo ,ducellier avec un regu ducellier.

une paris Rhône avec un regu paris Rhône, sinon c'est vrais çà peut fonctionner avec un panache paris Rhone ,et regu ducellier ou autre

mais très souvent ,çà marche pas ou mal ou pas longtemps,.

BREF pour ta Paris -Rhône G11r 76 il te faut pour avoir un bon fonctionnement un régulateur paris - Rhône XT 212

Quant on monte un regu de la même marque que la dynamo ,on est certain qu'il va réguler dans le bon sens de la dynamo. :salut:
Avatar du membre
Fredjojo
Docteur deuchiste
Docteur deuchiste
Messages : 1317
Enregistré le : 28 mai 2017, 20:13
Ma deuche : 2CV AZA1966 ENAC
Date de naissance : 30 nov. 1963
Localisation : Bois-Colombes // Bar Le Duc 55000

Re: help pas de recharge 6 volts sur 2cv

Message par Fredjojo »

Xt212 c pour les excitation + de la 111 pas la 76
Avatar du membre
renato13
Docteur deuchiste
Docteur deuchiste
Messages : 11511
Enregistré le : 26 juil. 2011, 10:41
Ma deuche : azlp grise 1960
Date de naissance : 06 nov. 1955
Localisation : istres

Re: help pas de recharge 6 volts sur 2cv

Message par renato13 »

Fredjojo a écrit :Xt212 c pour les excitation + de la 111 pas la 76

:salut:

le xt 212 fonctionne très bien pour la 76,la je suis pas de ton avis .
Avatar du membre
Fredjojo
Docteur deuchiste
Docteur deuchiste
Messages : 1317
Enregistré le : 28 mai 2017, 20:13
Ma deuche : 2CV AZA1966 ENAC
Date de naissance : 30 nov. 1963
Localisation : Bois-Colombes // Bar Le Duc 55000

Re: help pas de recharge 6 volts sur 2cv

Message par Fredjojo »

pas possible ou alors la tienne est bidouillé on parle de G11R76 pas de 7276
dynplus.JPG
dynmoins.JPG
Avatar du membre
lucky40
Docteur deuchiste
Docteur deuchiste
Messages : 3736
Enregistré le : 10 août 2015, 14:36
Ma deuche : AK400 76
Date de naissance : 22 mars 1955
Localisation : Haute Lande

Re: help pas de recharge 6 volts sur 2cv

Message par lucky40 »

Un régulateur électronique simplifierait les choses ! Caché dans un boitier d'origine de XT 212 , il est invisible, c'est pas très cher ( 80 euros) et ça fonctionne mieux qu'un régulateur électro-mécanique...
Pourquoi s'évertuer à faire systématiquement avec des pièces qui ont 60 ans, qui sont fatiguées et finalement pas très fiables surtout quand on souhaite rouler avec sa mémère l'esprit tranquille :???:
Avatar du membre
renato13
Docteur deuchiste
Docteur deuchiste
Messages : 11511
Enregistré le : 26 juil. 2011, 10:41
Ma deuche : azlp grise 1960
Date de naissance : 06 nov. 1955
Localisation : istres

Re: help pas de recharge 6 volts sur 2cv

Message par renato13 »

:salut:

Pour répondre a FRED,

il y a une multitude de régu qui peuvent fonctionner du moment que l'on respecte la marque ,

il y a deux marque de dynamo , les plus connue ducellier et paris Rhône ,elle régule une part le plus ,une part le moins ,

les bobinage son enrouler un a droite un a gauche , c'est bien pour les différencier,elle font toutes les deux le même travail ,mais pas de la même façon,

il le dis bien dans son premier message il avait un cibié qui fonctionner pas, un pros lui a testé un SNA EDS 14 ,et il donne des valeurs de charge ,pas bonne

le xt 212 paris Rhône c'est obligé qui régulera bien avec une dynamo paris Rhône, j invente rien les dynamos faut les appariée avec les regu de la même

marque , c'est connue çà , même si le xt 212 va pas ,il régulera toujours bien sur une dynamo paris Rhône ,les valeurs vont rester ou s'approcher de la bonne valeur .

si la dynamo et une paris Rhône ,faut monté un régulateur paris Rhône , je c'est très bien que çà peut fonctionner avec un regu ducellier ,ou autre,

mais quant on a un problème de régulation , faut commencer part monter un regu de la même marque ,et le XT212 va sur plein de dynamo paris Rhône . :salut:


( la solution et comme lucky a écrit un regu électronique ,s'il et pas accro de l'origine .) :salut: c'est juste mon avis tout çà les gars. :siffle:
Avatar du membre
Fredjojo
Docteur deuchiste
Docteur deuchiste
Messages : 1317
Enregistré le : 28 mai 2017, 20:13
Ma deuche : 2CV AZA1966 ENAC
Date de naissance : 30 nov. 1963
Localisation : Bois-Colombes // Bar Le Duc 55000

Re: help pas de recharge 6 volts sur 2cv

Message par Fredjojo »

Non rene je ne contrarie pas sur de la mecanique mais la tu te mets le doigt dans l oeil cette histoire de marque de dynamo et de regulation est archi fausse il faut juste regarder comment sont cablés les inducteurs et prendre les regu qui vont bien
Avatar du membre
renato13
Docteur deuchiste
Docteur deuchiste
Messages : 11511
Enregistré le : 26 juil. 2011, 10:41
Ma deuche : azlp grise 1960
Date de naissance : 06 nov. 1955
Localisation : istres

Re: help pas de recharge 6 volts sur 2cv

Message par renato13 »

Fredjojo a écrit :Non rene je ne contrarie pas sur de la mecanique mais la tu te mets le doigt dans l oeil cette histoire de marque de dynamo et de regulation est archi fausse il faut juste regarder comment sont cablés les inducteurs et prendre les regu qui vont bien

:salut:

C'est ton point de vue!!! :salut:
Avatar du membre
yoanx17
Deuchiste intéressé
Deuchiste intéressé
Messages : 48
Enregistré le : 13 mai 2019, 22:41
Ma deuche : azlp-po 1959
Date de naissance : 25 mars 1979
Localisation : a10 sortie 36
Âge : 46

Re: help pas de recharge 6 volts sur 2cv

Message par yoanx17 »

Ne vous battez pas de grâce...

Alors démoralisé de ne pas trouver de donc concernant mon SNA, j'ai ressorti le cibié, après un nettoyage des contacts et des connectiques,
Et jouer avec les petites vis de réglage ( là il y en as) le conjoncteur s'enclenche (et se coupe contact coupé) j'ai de l'excitation et ma dynamo donne 7,5 au maxi,

Par contre, j'ai apparament trop d'intensité de recharge, car même avec les phares, si j'accelére l'ampèremétre monte sur charge à fond et ne redescend que quand je coupe le contact, j'ai branché un petit ampèremètre en série sur le fils bat et je monte à + de 35 À.

Question c'est normal ?

Quand tout est OK que l'on roule, que doit indiqué l'ampèremétre du tableau de bords..

Merci
Avatar du membre
Fredjojo
Docteur deuchiste
Docteur deuchiste
Messages : 1317
Enregistré le : 28 mai 2017, 20:13
Ma deuche : 2CV AZA1966 ENAC
Date de naissance : 30 nov. 1963
Localisation : Bois-Colombes // Bar Le Duc 55000

help pas de recharge 6 volts sur 2cv

Message par Fredjojo »

Jamais vu le cibie mais la seul vis a regler etait le conjoncteur et cela ne se fait que sans la batterie sur une alim de labo . Les autres il ne fallait pas y toucher sauf avec un banc particulier. Ton ampèremètre ne doit pas etre juste car la plus grosse des dynamo et pas la tienne monte a 25A . Lorsque tu roule + les phares la batterie de vide et demande a la dynamo de charger le démarrage + la conso des phares lorsque la batterie est a nouveau charger le courant de charge devient moindreImage
Avatar du membre
yoanx17
Deuchiste intéressé
Deuchiste intéressé
Messages : 48
Enregistré le : 13 mai 2019, 22:41
Ma deuche : azlp-po 1959
Date de naissance : 25 mars 1979
Localisation : a10 sortie 36
Âge : 46

Re: help pas de recharge 6 volts sur 2cv

Message par yoanx17 »

Ouais.... Mais peut-être est-je réglé le point de conjonction à un régime trop bas, du coup la dynamo débité trop tôt à bas régime et comme plus elle tourne vite plus elle envoie de sauce je dépasse l'ampérage...

J'avais le moteur en marche avec un tout petit peu de starter trois fois rien...
Avatar du membre
Fredjojo
Docteur deuchiste
Docteur deuchiste
Messages : 1317
Enregistré le : 28 mai 2017, 20:13
Ma deuche : 2CV AZA1966 ENAC
Date de naissance : 30 nov. 1963
Localisation : Bois-Colombes // Bar Le Duc 55000

Re: help pas de recharge 6 volts sur 2cv

Message par Fredjojo »

c'est quoi la marque de l'amperemetre , ct bien un 6V ?
Renseigne toi si le super vendeur qui a testé le SNA s'il te le reprend sinon tu peux me l'envoyer je regarderais a combien il commute.
en attendant mets un voltmètre sur la batterie pour vérifier que tu ne dépasse pas en tension d’après la courbe ducellier plus haut.
Avatar du membre
renato13
Docteur deuchiste
Docteur deuchiste
Messages : 11511
Enregistré le : 26 juil. 2011, 10:41
Ma deuche : azlp grise 1960
Date de naissance : 06 nov. 1955
Localisation : istres

Re: help pas de recharge 6 volts sur 2cv

Message par renato13 »

:salut:


Mon avis Yoant 17, ne te prend pas la tête avec ton regu , tout les réglages que tu pourra faire ne seront jamais bon.

un régulateur et régler d'usine ,et seul un spécialiste avec le matériel ,pourrait faire un bon réglage. ( mais il y en à plus ).

Tout les regu son riveter ou sertie , c' est pas pour rien, c'est pour pas les toucher . les dynamos pareil on peut pas les bidouiller

si on reste dans la logique des choses, les deux marque ducellier ou paris Rhône régule différemment,donc il faut monter le bon regu

parce que le régulateur c'est lui qui régule la charge ,et non la dynamo .

sur ma 60 j'ai une dynamo la même que la tienne , Paris-Rhône G11 R 76, et un régulateur paris Rhône xt 212 ,,et la charge et nickel

depuis 4 ans que j'ai monter se moteur . je peut faire une vidéo ,mais bon en se moment ,j'ai d'autre soucis plus urgent . :salut:
Avatar du membre
yoanx17
Deuchiste intéressé
Deuchiste intéressé
Messages : 48
Enregistré le : 13 mai 2019, 22:41
Ma deuche : azlp-po 1959
Date de naissance : 25 mars 1979
Localisation : a10 sortie 36
Âge : 46

Re: help pas de recharge 6 volts sur 2cv

Message par yoanx17 »

Je suis du genre têtu...
Sans compter que j'ai remis la main sur un "grimoire"
Dans lequel il est expliqué comment réglé un cibié...
1579003236990944954005.jpg
1579003312704-2141528596.jpg
Avatar du membre
yoanx17
Deuchiste intéressé
Deuchiste intéressé
Messages : 48
Enregistré le : 13 mai 2019, 22:41
Ma deuche : azlp-po 1959
Date de naissance : 25 mars 1979
Localisation : a10 sortie 36
Âge : 46

Re: help pas de recharge 6 volts sur 2cv

Message par yoanx17 »

Je n'ai pas trouvé de date d'édition, mais vu les autos mentionnées début des années 50...
Le fichier joint 1579003495077-407694314.jpg n’est plus disponible.
Le fichier joint 1579003671632737259882.jpg n’est plus disponible.
1579003773602-591498923.jpg
Avatar du membre
renato13
Docteur deuchiste
Docteur deuchiste
Messages : 11511
Enregistré le : 26 juil. 2011, 10:41
Ma deuche : azlp grise 1960
Date de naissance : 06 nov. 1955
Localisation : istres

Re: help pas de recharge 6 volts sur 2cv

Message par renato13 »

:salut:

Bon ben bon réglage !!! :salut:

( surveille bien ta charge de la batterie !!!)
Avatar du membre
Fredjojo
Docteur deuchiste
Docteur deuchiste
Messages : 1317
Enregistré le : 28 mai 2017, 20:13
Ma deuche : 2CV AZA1966 ENAC
Date de naissance : 30 nov. 1963
Localisation : Bois-Colombes // Bar Le Duc 55000

Re: help pas de recharge 6 volts sur 2cv

Message par Fredjojo »

Je veux bien par mp bonne photo du grimoire la c illisible
Avatar du membre
plex11
Nouveau deuchiste
Nouveau deuchiste
Messages : 28
Enregistré le : 23 août 2020, 09:00
Ma deuche : 2cv azam 1967
Date de naissance : 20 déc. 1977
Localisation : Saint Georges les bains 07

Re: help pas de recharge 6 volts sur 2cv

Message par plex11 »

lucky40 a écrit : 07 janv. 2020, 19:09 Un régulateur électronique simplifierait les choses ! Caché dans un boitier d'origine de XT 212 , il est invisible, c'est pas très cher ( 80 euros) et ça fonctionne mieux qu'un régulateur électro-mécanique...
Pourquoi s'évertuer à faire systématiquement avec des pièces qui ont 60 ans, qui sont fatiguées et finalement pas très fiables surtout quand on souhaite rouler avec sa mémère l'esprit tranquille :???:
Je suis d’accord avec le regulateur électronique, mais ou est ce que l’on peut en trouver encore disponible??
Répondre
www.piecesauto-pro.fr