Outil de montage axe de pivot de 2cv

Rangez ici tous les outils que vous avez pu imaginer, créer, façonner, fabriquer ...
Pour avoir quelque chose de pratique et ne pas chercher trop longtemps l'outil-qui-va-bien, merci de créer votre post en tenant compte de l'exemple.

Modérateurs : Deuchémoi, zamzam, Eric13190

Répondre
Avatar du membre
Alex 46
Docteur deuchiste
Docteur deuchiste
Messages : 1362
Enregistré le : 28 juin 2024, 10:42
Ma deuche : 2cv6
Date de naissance : 24 juin 1972
Localisation : Nouvelle Aquitaine

Outil de montage axe de pivot de 2cv

Message par Alex 46 »

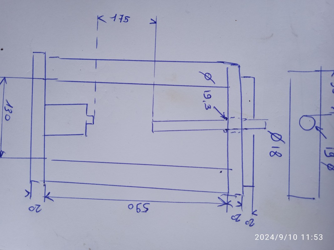
Salut suite à la demande de PoluxClassic et Eric.
C'est un cadre soudé avec un cric
IMG_20240910_115532.jpg
km
IMG_20240910_115319.jpg
IMG_20240910_115332_1.jpg
Le cric est fixé à un boulon et donc percé sur le rebord plat. Poussée autour de 4 T.

Les metplats sont épais et je pense peuvent être remplacés par des moins épais.

Le plan est pas top mais lisible.
( Je peux le refaire mais ce sera plus cher)

La longueur de la tige de butée fait :29.5 cm

Un bourrelet de soudure est fait à 7 cm en guise de butée. Peut être pour éviter ça on pourrait mettre une tige filetée avec 2 écrous de chaque côté.( Libre à vous)
:clap:


Avatar du membre
Deuchémoi
Docteur deuchiste
Docteur deuchiste
Messages : 16762
Enregistré le : 19 sept. 2009, 17:09
Ma deuche : 2cv6 Spécial AZKA Bleue céleste 11/87
Date de naissance : 30 oct. 1968
Localisation : Vitrolles (13) ... au soleil !!!

Re: Outil de montage axe de pivot de 2cv

Message par Deuchémoi »

J'avoue avoir un peu de mal à comprendre le fonctionnement. Certainement, parce que je ne me suis jamais penché sur la question ...
En fait c'est une mini presse hydraulique que tu as faite, non ?
Pourrais-tu nous mettre des photos en situation, des photos "vue de dessus", le détail de la fixation du cric sur son socle ? Bref ... du détail !
Merci.
:wink:
Pas de demande d'aide mécanique en Message Privé. Toutes les demandes se font dans les salons publics. Merci !
       /¯\
(°\=/°)
... Ma présentation
2cv6 Spécial AZKA Bleue céleste 11/87
       Image

ImageImage  Image
       Image
Avatar du membre
Alex 46
Docteur deuchiste
Docteur deuchiste
Messages : 1362
Enregistré le : 28 juin 2024, 10:42
Ma deuche : 2cv6
Date de naissance : 24 juin 1972
Localisation : Nouvelle Aquitaine

Re: Outil de montage axe de pivot de 2cv

Message par Alex 46 »

:pense:

Oui c'est ça c'est une mini presse.Le pivot est donc entre la "petite tige" et la grosse qui fait bloquage.

Tu met un ancien pivot sous le pivot à sortir, la tige en acier fait contre poussé en appui en haut du bras, le pivot est poussé par le cric sans démonter le bras, il faut mettre le châssis sur chandelles à l'avant.
Ancien pivot pour la poussée
Ancien pivot pour la poussée
La fixation du cric par dessous avec une vis noyée, le dessous du cric a été taraudé sur le côté bien-sûr ou un écrou soudé...
IMG_20240910_130822.jpg
Donc même chose qu'avec une presse sauf que le vérin pousse d'en bas, il n'y a rien a comprendre...
Avatar du membre
Alex 46
Docteur deuchiste
Docteur deuchiste
Messages : 1362
Enregistré le : 28 juin 2024, 10:42
Ma deuche : 2cv6
Date de naissance : 24 juin 1972
Localisation : Nouvelle Aquitaine

Re: Outil de montage axe de pivot de 2cv

Message par Alex 46 »

Diamètre de la tige orange 18 mm
Diamètre de la tige orange 18 mm
Avatar du membre
Eric13190
Docteur deuchiste
Docteur deuchiste
Messages : 9287
Enregistré le : 01 janv. 2020, 15:10
Ma deuche : 2 cv6 club 1976
Date de naissance : 04 sept. 1973
Localisation : Allauch
Âge : 52

Re: Outil de montage axe de pivot de 2cv

Message par Eric13190 »

:merci:
C'est donc une mini presse, il fallait y penser :pouce:
"La 2cv est une des rares voiture où l'important reste la personne". Quino
Image
Avatar du membre
Alex 46
Docteur deuchiste
Docteur deuchiste
Messages : 1362
Enregistré le : 28 juin 2024, 10:42
Ma deuche : 2cv6
Date de naissance : 24 juin 1972
Localisation : Nouvelle Aquitaine

Re: Outil de montage axe de pivot de 2cv

Message par Alex 46 »

Il existe des presses hydrauliques 6T, à partir de 112€ chez ManoMano.
Pour ceux qui veulent pas s'emmerder à couper souder percé. :megaphone:
Répondre
www.piecesauto-pro.fr