bonjour a tous je cherche un schéma pour le chauffage
ya trop longtemps que j'ai démonté je m'en souviens plus
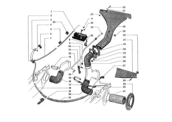
déjà le numéro 31 petite plaque en tole noir je sais plus ou elle va
si vous avez des schémas pour toutes la 2 cv je suis preneur !
merci
recherche schéma pour le remontage du chauffage sur 2 cv
Modérateurs : Deuchémoi, zamzam, Eric13190
- Deuchémoi
- Docteur deuchiste

- Messages : 16579
- Enregistré le : 19 sept. 2009, 17:09
- Ma deuche : 2cv6 Spécial AZKA Bleue céleste 11/87
- Date de naissance : 30 oct. 1968
- Localisation : Vitrolles (13) ... au soleil !!!
Re: demande de renseignements
C'est le déflecteur de chauffage dans les pieds !
@Eric13190 nous a mis des photos du sien ... Bouge pas, je recherche !!
...
Le voilà : viewtopic.php?f=17&t=15377&p=173441
Pas de demande d'aide mécanique en Message Privé. Toutes les demandes se font dans les salons publics. Merci !
/¯\(°\=/°)... Ma présentation
2cv6 Spécial AZKA Bleue céleste 11/87
- nono23
- Deuchiste confirmé

- Messages : 419
- Enregistré le : 26 févr. 2023, 13:26
- Ma deuche : 2cv6
- Date de naissance : 12 janv. 1969
- Localisation : 23190
Re: demande de renseignements
Nikel ma penser été bonne mais j'avais une doute merci a toiDeuchémoi a écrit : ↑22 mai 2023, 20:23C'est le déflecteur de chauffage dans les pieds !
@Eric13190 nous a mis des photos du sien ... Bouge pas, je recherche !!
![]()
...
Le voilà : viewtopic.php?f=17&t=15377&p=173441
![]()
NONO23