Je cherche un schéma électrique de 2CV6 Spécial de 84 qui tienne la route (le schéma, la voiture ça va).
J'en ai trouvé plusieurs, mais à chaque fois, quelque chose n'est pas logique...
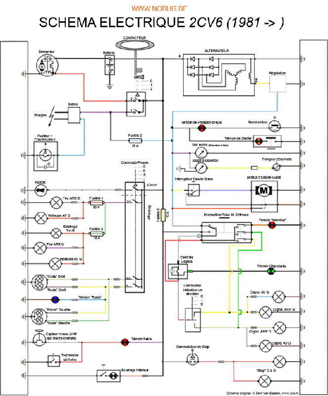
Celui-ci, le plus courant : Quand on le regarde, on voit que :
- circuit d'allumage, klaxon, codes, feux de route ne sont pas protégés par un fusible (je ne peut plus vérifier, ma 2CV est entièrement démontée).
Sur celui là : - certains fils changent de couleur tout seul
Je ne peux pas me baser sur le faisceau démonté, car pour la partie arrière par exemple, il n'y a que du vert partout ! (plafonnier, jauge à essence, feux stop, clignos D + G, veilleuses).
Merci d'avance à qui pourra me trouver un schéma correct. Je pourrais en faire un avec les couleurs qui me vont, mais je préférerais le faire conformément à un "vrai". A défaut d'autre chose, c'est ce que je ferais...
Christian.

