Bonjour,
Mes feux stop s'allument lorsque que je freine contact coupé. Est-ce normal?
Merci.
Allumage Feux stop sans contact sur ma 2cv
Modérateurs : Deuchémoi, zamzam, Eric13190
- Filofax
- Docteur deuchiste

- Messages : 1738
- Enregistré le : 08 juin 2018, 16:09
- Ma deuche : 2CV6 Spéciale AZKA 1986
- Date de naissance : 31 mai 1970
- Localisation : Près de Brest
Re: Allumage Feux stop sans contacte
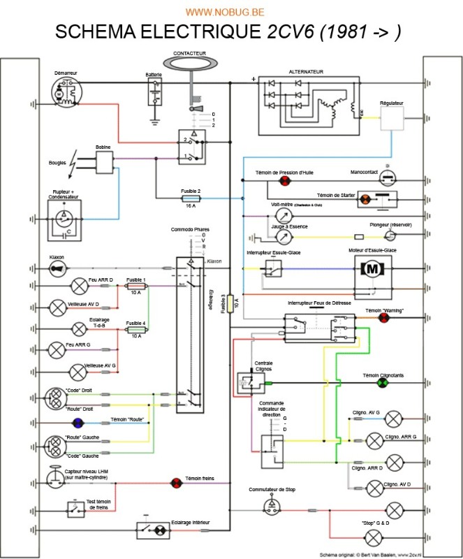
Oui, c'est tout à fait normal.
pour les 2cv après 1981, les feux stop sont reliés à un fusible (couleur jaune) qui est branché directement à la batterie et ne passe pas par le contacteur.
pour les 2cv après 1981, les feux stop sont reliés à un fusible (couleur jaune) qui est branché directement à la batterie et ne passe pas par le contacteur.
- CHARLYSTONE
- Docteur deuchiste

- Messages : 7062
- Enregistré le : 27 févr. 2018, 14:52
- Ma deuche : 2cv charleston de 06. 1990 2cv6 04.1983
- Date de naissance : 30 avr. 1958
- Localisation : 38 pres de bourgoin jallieu
Re: Allumage Feux stop sans contacte
+1
tes feux stop sont alimentés par un plus +permanent ou plus avant contact 
- Dag
- Nouveau deuchiste

- Messages : 33
- Enregistré le : 27 juin 2022, 16:29
- Ma deuche : 2cv6 club
- Date de naissance : 10 août 1982
- Localisation : 91
Re: Allumage Feux stop sans contacte
Hello,
Merci pour l’info!
Merci pour l’info!