Schéma électrique 2CV6 de 84

Clignotants, alternateurs, allumage électronique, panne d'essuie-glaces, batterie qui fuit, tension batterie, point de masse, remontage des faisceaux, branchement de la bobine, phares...

Modérateurs : Deuchémoi, zamzam, Eric13190

Répondre
Avatar du membre
Chrismargab
Deuchiste intéressé
Deuchiste intéressé
Messages : 56
Enregistré le : 20 juil. 2022, 15:39
Ma deuche : 2CV6 Spécial AZKA 1984
Date de naissance : 15 janv. 1967
Localisation : 67230

Schéma électrique 2CV6 de 84

Message par Chrismargab »

Bonjour,

Je cherche un schéma électrique de 2CV6 Spécial de 84 qui tienne la route (le schéma, la voiture ça va).
J'en ai trouvé plusieurs, mais à chaque fois, quelque chose n'est pas logique...

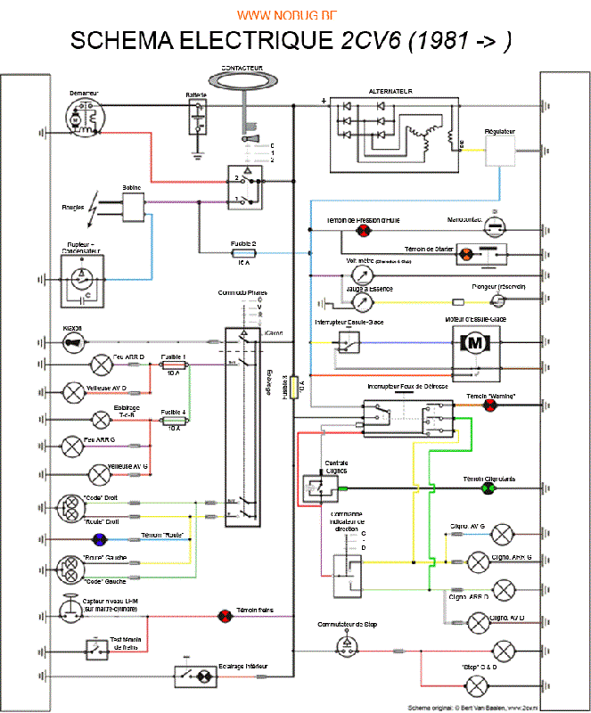
Celui-ci, le plus courant :
FondSchema.gif
Quand on le regarde, on voit que :
- circuit d'allumage, klaxon, codes, feux de route ne sont pas protégés par un fusible (je ne peut plus vérifier, ma 2CV est entièrement démontée).

Sur celui là :
schmalectrique.jpg.4dcf6b6d6f4f6c3fd33ffe4accb8f460.jpg
- certains fils changent de couleur tout seul :???: Regardez bien la connexion de la partie arrière du faisceau, dessinée sous la boite à fusibles. On voit que le fil de gauche est noir (N), mais nul part, plus loin, ne sort de fil noir. Au même endroit, il y a également un vert qui ne sort nul part.

Je ne peux pas me baser sur le faisceau démonté, car pour la partie arrière par exemple, il n'y a que du vert partout ! (plafonnier, jauge à essence, feux stop, clignos D + G, veilleuses).

Merci d'avance à qui pourra me trouver un schéma correct. Je pourrais en faire un avec les couleurs qui me vont, mais je préférerais le faire conformément à un "vrai". A défaut d'autre chose, c'est ce que je ferais...

Christian.


Avatar du membre
celeste
Docteur deuchiste
Docteur deuchiste
Messages : 941
Enregistré le : 22 nov. 2013, 14:06
Ma deuche : AZ56,AZAM 63, AZA 68, Acadiane travaux, Acadiane camping car,
Date de naissance : 28 janv. 1960
Localisation : 18600 Givardon

Re: Schéma électrique 2CV6 de 84

Message par celeste »

Bonjour,
pas grand connaisseur mais la couleur des fils n'est pas importante
seul les embouts sur les cosses le sont, les fils inutiles sont peux=t être les antibrouillards et feux recul dans certains pays
il me semble effectivement que dans ma 2cv6 tous n'étaient pas protégées
je ne peux en dire plus je roule en AZ

@lain
Avatar du membre
CHARLYSTONE
Docteur deuchiste
Docteur deuchiste
Messages : 7129
Enregistré le : 27 févr. 2018, 14:52
Ma deuche : 2cv charleston de 06. 1990 2cv6 04.1983
Date de naissance : 30 avr. 1958
Localisation : 38 pres de bourgoin jallieu

Re: Schéma électrique 2CV6 de 84

Message par CHARLYSTONE »

Bonjour, les fils sont de couleur vert, jaune et gris, les couleurs sont sur les cosses de branchement , je me sert de ce schéma pour ma 2cv de 83 et 90
Avatar du membre
Chrismargab
Deuchiste intéressé
Deuchiste intéressé
Messages : 56
Enregistré le : 20 juil. 2022, 15:39
Ma deuche : 2CV6 Spécial AZKA 1984
Date de naissance : 15 janv. 1967
Localisation : 67230

Re: Schéma électrique 2CV6 de 84

Message par Chrismargab »

CHARLYSTONE a écrit : 26 sept. 2022, 16:44 Bonjour, les fils sont de couleur vert, jaune et gris, les couleurs sont sur les cosses de branchement , je me sert de ce schéma pour ma 2cv de 83 et 90
C'està dire ? Quel schéma ?
celeste a écrit : 26 sept. 2022, 15:59 pas grand connaisseur mais la couleur des fils n'est pas importante
seul les embouts sur les cosses le sont, les fils inutiles sont peux=t être les antibrouillards et feux recul dans certains pays
Que la couleur soit sur le fil ou sur la cosse, il faut quand même que se soit la même à chaque extrémité, sinon comment savoir ce qu'alimente le fil (ou la cosse) noir si à l'autre bout il n'y a pas de noir ?
Avatar du membre
CHARLYSTONE
Docteur deuchiste
Docteur deuchiste
Messages : 7129
Enregistré le : 27 févr. 2018, 14:52
Ma deuche : 2cv charleston de 06. 1990 2cv6 04.1983
Date de naissance : 30 avr. 1958
Localisation : 38 pres de bourgoin jallieu

Re: Schéma électrique 2CV6 de 84

Message par CHARLYSTONE »

Le schéma 2CV 6 après 81,sur la mienne le câblage qui part au dessus de la batterie et qui va aux feux arrière les codes couleurs sont bonne, mais beaucoup de 2cv ont était bidouiller et certains n'ont pas respecté le schéma d'origine
Répondre
www.piecesauto-pro.fr