webvince a écrit :D'après la notice de mon poste (un Pioneer très sobre trouvé dans les soldes

) la batterie se vide si on branche les deux fils plus sur un plus permanent : dans ce cas le poste n'est jamais vraiment éteint mais en veille ! Sauf si on retire la façade... Ce qui est déconseillé sans avoir éteint le poste, c'est à dire coupé le + après contact, ce qui est impossible si on branche le fil rouge sur un + permanent... Enfin, on tourne en rond là... Bref, vous m'avez compris
Donc peu de chance de vider la batterie si on fait correctement les branchements...
Merci pour le lien !

:salut.
JE vais précisé se que je dit plus haut.
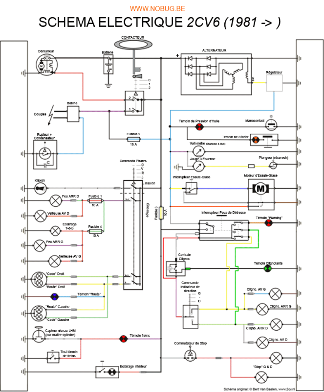
Sur les autoradio moderne,ou moins moderne , il y a deux fils +. Le plus après contact c’est pour utiliser le poste, uniquement quant le contact et mis ,ou en roulant. Donc on branche
le plus après contact du poste,sur un plus après contact de la voiture.L’autre plus permanent , c’est pour alimenter les mémoires ,et l'ordinateur de bord, montre ,verrouillage centralisé, bref .
Direct sur la batterie ou neiman.
A partir de la si on branche comme çà, je vois pas la difficulté.
Pour les fusibles , les fusibles peuvent servir pour plusieurs appareil, expl jauge essence ,plafonnier ,voyant de tableau de bord bref , pour un fusible de poste c’est pareil
se n'ai pas parce que il y a un fusible qu'il protège un circuit, un poste en roulant ou en marche avec le contact et protéger part le fusible qui est derrière le poste au dessus du bloc raccordement ou
a coté,ou a l’intérieur . Certain autoradio on deux fusible , un sur chaque circuit .( nissan ,opel certain poste ).
Après la batterie si elle est bonne , même que tu roule pas un mois, çà va pas te vider la batterie, mais si ta voiture reste 5/6 mois sans tourner ,tu peut avoir des soucis pour démarrer.
