Boite vitesse 2cv AZ bloquée - Changement ou réparation
Modérateurs : Deuchémoi, zamzam, Eric13190
- Lolodubalaou
- Docteur deuchiste

- Messages : 1946
- Enregistré le : 17 nov. 2022, 22:04
- Ma deuche : 2cv Sausss Ente
- Date de naissance : 10 nov. 1956
- Localisation : Golfe du Morbihan
Re: Boite vitesse 2cv AZ bloquée - Changement ou réparation
Pour ta distance conique, regarde au bleu de Prusse, où se situe l'appui.
Pour trouver du Bleu de Prusse mécanique, tu vas sur Amazon mais c'est cher.
De la simple graisse cuivrée joue tout à fait le même rôle !
Laurent
Pour trouver du Bleu de Prusse mécanique, tu vas sur Amazon mais c'est cher.
De la simple graisse cuivrée joue tout à fait le même rôle !
Laurent
- neutron
- Deuchiste intermédiaire

- Messages : 137
- Enregistré le : 18 déc. 2023, 21:48
- Ma deuche : 2CV AZAM 1964 & EX 2CV AZKA 1976
- Date de naissance : 30 nov. 1982
- Localisation : Poitiers (86)
Re: Boite vitesse 2cv AZ bloquée - Changement ou réparation
Tu m'avais dit que le remplacement systématique pouvait être moins "bon" que de laisser les anciens segments. Je vais suivre ta méthode. Pour le baladeur de 4e, j'ai bien une résistance mais reste à savoir où est la limite entre passage "facile" ou "trop facile"...Lolodubalaou a écrit : ↑24 nov. 2025, 05:43 Hi,
je ne connais pas de méthode reconnue pour valider les segments d'arrêt des BV de 2cv.
Il est recommandé de les changer ...
En pratique, pour le baladeur 2-3, je mets le pignon ou l'arbre qui a le segment d'arrêt vertical et je pose le baladeur dessus. La gravité ne doit pas lui faire passer le segment.
Pour le baladeur de 4, c'est idem mais le baladeur n'est pas bien lourd ... Aussi, c'est en poussant dessus à la main, pour savoir si cela passe "facile" à "trop facile" ...
C'est purement subjectif .... Donc non reproductible ...
Laurent
Effectivement, le bleu de Prusse n'est pas donné mais bon c'est commandé. Cela me servira peut-être quand je vais m'attaquer au moteur de la citroën 5HP
- Lolodubalaou
- Docteur deuchiste

- Messages : 1946
- Enregistré le : 17 nov. 2022, 22:04
- Ma deuche : 2cv Sausss Ente
- Date de naissance : 10 nov. 1956
- Localisation : Golfe du Morbihan
- neutron
- Deuchiste intermédiaire

- Messages : 137
- Enregistré le : 18 déc. 2023, 21:48
- Ma deuche : 2CV AZAM 1964 & EX 2CV AZKA 1976
- Date de naissance : 30 nov. 1982
- Localisation : Poitiers (86)
Re: Boite vitesse 2cv AZ bloquée - Changement ou réparation
Bonjour,
Après quelques semaines où les disponibilités se faisaient plus rares et un problème de mot de passe oublié (merci @Deuchémoi ), voici quelques nouvelles.
Les segments d'arrêt me semblent corrects. On verra en fonctionnement réel...
J'ai ajouté ma cale de 0,05 mm au cul du pignon d'attaque. Sauf qu'en vérifiant mes mesures après le serrage au couple, j'étais à 49,78 mm (pour 49,75 mm).
Pour me rapprocher de la cote, j'ai donc tout redémonté pour enlever la cale. J'ai maintenant 49,73 mm. J'espère avoir eu raison.
N'ayant pas encore nettoyer les flasque de frein, j'ai monté les sorties de boite sans l'arbre de cardan. J'ai mesuré un jeu latéral de 2,30 mm (légèrement supérieure à ce qu'il y avait avant).
J'ai vérifié l'épaisseur de mes cales car il me manquait 0,15 mm en mesurant l'ensemble. J'ai donc mis 2,45 mm théorique pour avoir 2,30 mm réel et atteindre un jeu nul.
Il me reste une cale de 0,05 et une de 0,10 mm (théorique). Est-ce que je pousse jusqu'à un jeu négatif ?
Pour finir, j'ai mesuré le jeu interdentaire en agrandissant la lumière de l'outil adéquat. L'aiguille fait un tour complet (0,80 mm) avant de s'arrêter sur la graduation 0,43 mm. Le jeu serait donc égal à 1,23 mm. (8 mesures sur 2 rotations)
Reste maintenant à repartir les cales pour avoir le jeu attendu.
Sinon, pour les joints papier, est-ce qu'un sens de pose est recommandé ?
Merci par avance pour vos retours.
Après quelques semaines où les disponibilités se faisaient plus rares et un problème de mot de passe oublié (merci @Deuchémoi ), voici quelques nouvelles.
Les segments d'arrêt me semblent corrects. On verra en fonctionnement réel...
J'ai ajouté ma cale de 0,05 mm au cul du pignon d'attaque. Sauf qu'en vérifiant mes mesures après le serrage au couple, j'étais à 49,78 mm (pour 49,75 mm).
Pour me rapprocher de la cote, j'ai donc tout redémonté pour enlever la cale. J'ai maintenant 49,73 mm. J'espère avoir eu raison.
N'ayant pas encore nettoyer les flasque de frein, j'ai monté les sorties de boite sans l'arbre de cardan. J'ai mesuré un jeu latéral de 2,30 mm (légèrement supérieure à ce qu'il y avait avant).
J'ai vérifié l'épaisseur de mes cales car il me manquait 0,15 mm en mesurant l'ensemble. J'ai donc mis 2,45 mm théorique pour avoir 2,30 mm réel et atteindre un jeu nul.
Il me reste une cale de 0,05 et une de 0,10 mm (théorique). Est-ce que je pousse jusqu'à un jeu négatif ?
Pour finir, j'ai mesuré le jeu interdentaire en agrandissant la lumière de l'outil adéquat. L'aiguille fait un tour complet (0,80 mm) avant de s'arrêter sur la graduation 0,43 mm. Le jeu serait donc égal à 1,23 mm. (8 mesures sur 2 rotations)
Reste maintenant à repartir les cales pour avoir le jeu attendu.
Sinon, pour les joints papier, est-ce qu'un sens de pose est recommandé ?
Merci par avance pour vos retours.
- neutron
- Deuchiste intermédiaire

- Messages : 137
- Enregistré le : 18 déc. 2023, 21:48
- Ma deuche : 2CV AZAM 1964 & EX 2CV AZKA 1976
- Date de naissance : 30 nov. 1982
- Localisation : Poitiers (86)
Re: Boite vitesse 2cv AZ bloquée - Changement ou réparation
Bonsoir,
Après calcul de la répartition des cales, il me fallait seulement 0,80 mm à droite. Problème, je n' avais pas de cales de 0,50.
J'ai donc mis la plus petite des 1,00 mm théorique, soit 0,90 mm (et donc 1,40 à gauche). Mon jeu interdentaire était dans la limite haute (entre 0,23 et 0,28 mm).
J'ai donc ajouté une cale de 0,10 à gauche pour passer à 1,50 mm (donc jeu total négatif de 0,10). Le jeu interdentaire est passé à 0,20 de moyenne.
J'ai essayé le bleu de Prusse acheté. Je n'obtiens pas du tout le même rendu que @Lolodubalaou ...
Après plusieurs essais, j'ai donc commencé par en mettre sur le pignon d'attaque. La trace laissée sur la couronne se trouve au niveau du marquage laissé lors de son fonctionnement. Je pense donc que c'est correct. Nouvel essai Par contre, pas de changement significatif sur le pignon A vos remarques
Après calcul de la répartition des cales, il me fallait seulement 0,80 mm à droite. Problème, je n' avais pas de cales de 0,50.
J'ai donc mis la plus petite des 1,00 mm théorique, soit 0,90 mm (et donc 1,40 à gauche). Mon jeu interdentaire était dans la limite haute (entre 0,23 et 0,28 mm).
J'ai donc ajouté une cale de 0,10 à gauche pour passer à 1,50 mm (donc jeu total négatif de 0,10). Le jeu interdentaire est passé à 0,20 de moyenne.
J'ai essayé le bleu de Prusse acheté. Je n'obtiens pas du tout le même rendu que @Lolodubalaou ...
Après plusieurs essais, j'ai donc commencé par en mettre sur le pignon d'attaque. La trace laissée sur la couronne se trouve au niveau du marquage laissé lors de son fonctionnement. Je pense donc que c'est correct. Nouvel essai Par contre, pas de changement significatif sur le pignon A vos remarques
- Lolodubalaou
- Docteur deuchiste

- Messages : 1946
- Enregistré le : 17 nov. 2022, 22:04
- Ma deuche : 2cv Sausss Ente
- Date de naissance : 10 nov. 1956
- Localisation : Golfe du Morbihan
Re: Boite vitesse 2cv AZ bloquée - Changement ou réparation
HI,
quand tu tournes ton arbre conique, tu "freines" la rotation de ta copuronne pour que le pignon vienne bien en appui sur la couronne.
Tu vas obtenir un marquage sur le pignon et sur la couronne !
Lauret
quand tu tournes ton arbre conique, tu "freines" la rotation de ta copuronne pour que le pignon vienne bien en appui sur la couronne.
Tu vas obtenir un marquage sur le pignon et sur la couronne !
Lauret
- neutron
- Deuchiste intermédiaire

- Messages : 137
- Enregistré le : 18 déc. 2023, 21:48
- Ma deuche : 2CV AZAM 1964 & EX 2CV AZKA 1976
- Date de naissance : 30 nov. 1982
- Localisation : Poitiers (86)
Re: Boite vitesse 2cv AZ bloquée - Changement ou réparation
Bonsoir,
Nouvel essai avec le bleu de Prusse mais sa texture a changé depuis ce weekend (liquide à pâteux).
Ce n'est pas forcément mieux malgré des aller-retours pour marquer la couronne.
Nouvel essai avec le bleu de Prusse mais sa texture a changé depuis ce weekend (liquide à pâteux).
Ce n'est pas forcément mieux malgré des aller-retours pour marquer la couronne.
- neutron
- Deuchiste intermédiaire

- Messages : 137
- Enregistré le : 18 déc. 2023, 21:48
- Ma deuche : 2CV AZAM 1964 & EX 2CV AZKA 1976
- Date de naissance : 30 nov. 1982
- Localisation : Poitiers (86)
Re: Boite vitesse 2cv AZ bloquée - Changement ou réparation
Sinon,
J'ai entièrement démonté le levier de vitesse pour bien le nettoyer Par contre, je n'ai pas le jeu de 0,60 mm attendu (à peine 0,20 mm). C'est également le cas sur l'autre levier que je n'ai pas démonté. Est-ce normal ?
J'ai fini d'assembler les éléments de la sortie de BV. On peut voir les voir les plaques qui ont été refaites et soudées au niveau du graisseur du cardan. J'ai également remis les axes des fourchettes. Il me reste à faire les réglages. Voilà pour les avancées
J'ai entièrement démonté le levier de vitesse pour bien le nettoyer Par contre, je n'ai pas le jeu de 0,60 mm attendu (à peine 0,20 mm). C'est également le cas sur l'autre levier que je n'ai pas démonté. Est-ce normal ?
J'ai fini d'assembler les éléments de la sortie de BV. On peut voir les voir les plaques qui ont été refaites et soudées au niveau du graisseur du cardan. J'ai également remis les axes des fourchettes. Il me reste à faire les réglages. Voilà pour les avancées
- Deuchémoi
- Docteur deuchiste

- Messages : 17027
- Enregistré le : 19 sept. 2009, 17:09
- Ma deuche : 2cv6 Spécial AZKA Bleue céleste 11/87
- Date de naissance : 30 oct. 1968
- Localisation : Vitrolles (13) ... au soleil !!!
Re: Boite vitesse 2cv AZ bloquée - Changement ou réparation
Pas de demande d'aide mécanique en Message Privé. Toutes les demandes se font dans les salons publics. Merci !
/¯\(°\=/°)... Ma présentation
2cv6 Spécial AZKA Bleue céleste 11/87
- neutron
- Deuchiste intermédiaire

- Messages : 137
- Enregistré le : 18 déc. 2023, 21:48
- Ma deuche : 2CV AZAM 1964 & EX 2CV AZKA 1976
- Date de naissance : 30 nov. 1982
- Localisation : Poitiers (86)
Re: Boite vitesse 2cv AZ bloquée - Changement ou réparation
Bonsoir,
Les fourchettes sont réglées, le carter du cul de boite et le levier de vitesse sont en place. J'ai commandé un embrayage 3 doigts à centrifuge en pensant pouvoir monter tout cela pendant les vacances... sauf que je n'avais pas examiné de près le volant moteur et la couronne.
Déjà, merci la clés à choc pour desserrer les 5 vis du volant.
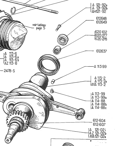
L'objectif premier était de remplacer le joint spi qui était bien sec. Mais avant de défaire cela, j'ai sorti la bague en bronze avec mon doigt et il n'y avait pas de joint spi (normal ?). La bague est cassée et bien usinée. Quand je la mesure, j'ai 16 mm en diamètre extérieur, 12 mm en diamètre intérieur et 16 mm de longueur. Problème, les références indiquent 18*12*10 ou 18.2*12*10 pour les bagues (et 12*18*12 pour les douilles à aiguilles). Quand je mesure le diamètre au bout du vilebrequin, j'ai 16,4 mm (peut-être 1 ou 2 dixièmes de plus). Cela me parait compliqué de rentrer une bague de 18 mm. Comment expliquer que le diamètre extérieur et la longueur ne coïncident pas ? Vous me conseillez quoi ?
Et comme un problème n'arrive jamais seul, un rivet de la couronne d'embrayage est cassé. Je n'ai pas l'impression que ce soit réparable. Merci par avance pour vos précieux conseils.
Les fourchettes sont réglées, le carter du cul de boite et le levier de vitesse sont en place. J'ai commandé un embrayage 3 doigts à centrifuge en pensant pouvoir monter tout cela pendant les vacances... sauf que je n'avais pas examiné de près le volant moteur et la couronne.
Déjà, merci la clés à choc pour desserrer les 5 vis du volant.
L'objectif premier était de remplacer le joint spi qui était bien sec. Mais avant de défaire cela, j'ai sorti la bague en bronze avec mon doigt et il n'y avait pas de joint spi (normal ?). La bague est cassée et bien usinée. Quand je la mesure, j'ai 16 mm en diamètre extérieur, 12 mm en diamètre intérieur et 16 mm de longueur. Problème, les références indiquent 18*12*10 ou 18.2*12*10 pour les bagues (et 12*18*12 pour les douilles à aiguilles). Quand je mesure le diamètre au bout du vilebrequin, j'ai 16,4 mm (peut-être 1 ou 2 dixièmes de plus). Cela me parait compliqué de rentrer une bague de 18 mm. Comment expliquer que le diamètre extérieur et la longueur ne coïncident pas ? Vous me conseillez quoi ?
Et comme un problème n'arrive jamais seul, un rivet de la couronne d'embrayage est cassé. Je n'ai pas l'impression que ce soit réparable. Merci par avance pour vos précieux conseils.
- neutron
- Deuchiste intermédiaire

- Messages : 137
- Enregistré le : 18 déc. 2023, 21:48
- Ma deuche : 2CV AZAM 1964 & EX 2CV AZKA 1976
- Date de naissance : 30 nov. 1982
- Localisation : Poitiers (86)
Re: Boite vitesse 2cv AZ bloquée - Changement ou réparation
Bonsoir,
J'ai parcouru les différents sujets traitant de cette bague ou de ce roulement. Petit rappel de mon problème.
Reste le choix entre bague et roulement.
J'ai retrouvé un message de @JPA_47 qui exprime une préférence pour les bagues... en laiton mais je pense qu'elles sont en bronze comme ici.
Reste à mettre un joint spi de 3 mm pour que la graisse reste avec la bague, le tout sans poussière. Dans ce message où @renato13 est cité, on retrouve des vues éclatées. J'ai l'impression que la lèvre du joint spi se met du côté de la bague.
Si vous avez des remarques pour compléter / corriger ma réflexion de la soirée, je reste preneur (idem pour la couronne d'embrayage centrifuge)
Merci par avance.
J'ai parcouru les différents sujets traitant de cette bague ou de ce roulement. Petit rappel de mon problème.
J'ai trouvé ce message où le lien renvoie vers un doc qui mentionne un roulement de diamètre 16 mm toujours en vente.
Reste le choix entre bague et roulement.
J'ai retrouvé un message de @JPA_47 qui exprime une préférence pour les bagues... en laiton mais je pense qu'elles sont en bronze comme ici.
Reste à mettre un joint spi de 3 mm pour que la graisse reste avec la bague, le tout sans poussière. Dans ce message où @renato13 est cité, on retrouve des vues éclatées. J'ai l'impression que la lèvre du joint spi se met du côté de la bague.
Si vous avez des remarques pour compléter / corriger ma réflexion de la soirée, je reste preneur (idem pour la couronne d'embrayage centrifuge)
Merci par avance.
- neutron
- Deuchiste intermédiaire

- Messages : 137
- Enregistré le : 18 déc. 2023, 21:48
- Ma deuche : 2CV AZAM 1964 & EX 2CV AZKA 1976
- Date de naissance : 30 nov. 1982
- Localisation : Poitiers (86)
Re: Boite vitesse 2cv AZ bloquée - Changement ou réparation
Bonsoir,
Aujourd'hui, le kit d'embrayage est arrivé de chez Burton. La butée d'embrayage n'était pas en photo sur le site et le détail des références des pièces n'était pas donné. Après quelques échanges de mails, ils m'ont confirmé le kit à commander. Il m'a semblé lire le modèle à doigts doit être couplé à une butée en graphite et que le modèle à diaphragme doit être couplé avec une butée à roulement. Je me trompe ?
J'imagine que la butée en graphite était en fin de vie. Merci par avance pour vos retours et bonnes fêtes à tous
Aujourd'hui, le kit d'embrayage est arrivé de chez Burton. La butée d'embrayage n'était pas en photo sur le site et le détail des références des pièces n'était pas donné. Après quelques échanges de mails, ils m'ont confirmé le kit à commander. Il m'a semblé lire le modèle à doigts doit être couplé à une butée en graphite et que le modèle à diaphragme doit être couplé avec une butée à roulement. Je me trompe ?
J'imagine que la butée en graphite était en fin de vie. Merci par avance pour vos retours et bonnes fêtes à tous
- Deuchémoi
- Docteur deuchiste

- Messages : 17027
- Enregistré le : 19 sept. 2009, 17:09
- Ma deuche : 2cv6 Spécial AZKA Bleue céleste 11/87
- Date de naissance : 30 oct. 1968
- Localisation : Vitrolles (13) ... au soleil !!!
Re: Boite vitesse 2cv AZ bloquée - Changement ou réparation
Hé ben il en manque !!
Pas de demande d'aide mécanique en Message Privé. Toutes les demandes se font dans les salons publics. Merci !
/¯\(°\=/°)... Ma présentation
2cv6 Spécial AZKA Bleue céleste 11/87
- Eric13190
- Docteur deuchiste

- Messages : 9469
- Enregistré le : 01 janv. 2020, 15:10
- Ma deuche : 2 cv6 club 1976
- Date de naissance : 04 sept. 1973
- Localisation : Allauch
- Âge : 52
Re: Boite vitesse 2cv AZ bloquée - Changement ou réparation
En effet 
"La 2cv est une des rares voiture où l'important reste la personne". Quino

- neutron
- Deuchiste intermédiaire

- Messages : 137
- Enregistré le : 18 déc. 2023, 21:48
- Ma deuche : 2CV AZAM 1964 & EX 2CV AZKA 1976
- Date de naissance : 30 nov. 1982
- Localisation : Poitiers (86)
Re: Boite vitesse 2cv AZ bloquée - Changement ou réparation
Bonjour,
Merci de confirmer ce que je pensais !
Il y a une référence de butée en graphite. Cependant, ce sujet émet des doutes sur la compatibilité. Juste en-dessous, @renato13 répond :
Merci par avance pour votre retour
Merci de confirmer ce que je pensais !
J'ai retrouvé où j'avais lu cette information : https://www.renov-2cv-mehari36.com/fr/e ... 23725.html
Il y a une référence de butée en graphite. Cependant, ce sujet émet des doutes sur la compatibilité. Juste en-dessous, @renato13 répond :
Comment savoir si le 3 doigts est sans glace de friction ?
Merci par avance pour votre retour
- neutron
- Deuchiste intermédiaire

- Messages : 137
- Enregistré le : 18 déc. 2023, 21:48
- Ma deuche : 2CV AZAM 1964 & EX 2CV AZKA 1976
- Date de naissance : 30 nov. 1982
- Localisation : Poitiers (86)
Re: Boite vitesse 2cv AZ bloquée - Changement ou réparation
Deux ans après sa dépose, la boîte de vitesse est remontée et mise en huile (je la changerai à nouveau car elle va être chargée en WD40).
Le passage des vitesses se fait bien lorsque je fais tourner l'arbre primaire avec la visseuse. On verra en conditions réelles. J'ai démonté l'embrayage initialement présent (ainsi que celui de la donneuse d'organe).
Le disque d'embrayage n'a pas de garniture contrairement à l'autre et au neuf.
Le tambour d'embrayage centrifuge est très marqué par rapport à l'autre.
Je vais repartir sur le second.
Sinon, j'ai commencé le nettoyage du moteur mais je vais ouvrir un autre sujet pour cela.
Bonne journée à tous
Le passage des vitesses se fait bien lorsque je fais tourner l'arbre primaire avec la visseuse. On verra en conditions réelles. J'ai démonté l'embrayage initialement présent (ainsi que celui de la donneuse d'organe).
Le disque d'embrayage n'a pas de garniture contrairement à l'autre et au neuf.
Sinon, j'ai commencé le nettoyage du moteur mais je vais ouvrir un autre sujet pour cela.
Bonne journée à tous
- Mica
- Deuchiste de renommée

- Messages : 500
- Enregistré le : 04 sept. 2025, 18:28
- Ma deuche : 2cv Charleston 1983
- Date de naissance : 28 août 1975
- Localisation : Marseille
- Âge : 50
Re: Boite vitesse 2cv AZ bloquée - Changement ou réparation
Bravo, très beau boulot 
" La nuit, tous les chats sont plats" ( Proverbe routier)