problèmes électriques sur ma 2cv
Modérateurs : Deuchémoi, zamzam, Eric13190
- bil56
- Nouveau deuchiste

- Messages : 26
- Enregistré le : 21 déc. 2022, 08:21
- Ma deuche : 2CV6 1973
- Date de naissance : 09 nov. 1952
- Localisation : 56700
problèmes électriques sur ma 2cv
bonjour à tous,
2cv6 73
tout allait bien jusqu'à ...
plus de charge d'alternateur (récent, régulateur externe sur le tablier) + plus de jauge essence + plus de clignotants ...
ça fait beaucoup !
la batterie est neuve, bien chargée ...
alors docteur ???
2cv6 73
tout allait bien jusqu'à ...
plus de charge d'alternateur (récent, régulateur externe sur le tablier) + plus de jauge essence + plus de clignotants ...
ça fait beaucoup !
la batterie est neuve, bien chargée ...
alors docteur ???
- Deuchémoi
- Docteur deuchiste

- Messages : 17044
- Enregistré le : 19 sept. 2009, 17:09
- Ma deuche : 2cv6 Spécial AZKA Bleue céleste 11/87
- Date de naissance : 30 oct. 1968
- Localisation : Vitrolles (13) ... au soleil !!!
Re: problèmes électriques sur ma 2cv
As-tu consulté ce lien pour vérifier le bon fonctionnement de ton alternateur (même récent, ça peut tomber en carafe !) :
viewtopic.php?f=35&t=6164
Pour le reste, j'imagine que les fusibles ont été vérifiés ... Quels sont les autres éléments ne fonctionnant pas ?
viewtopic.php?f=35&t=6164
Pour le reste, j'imagine que les fusibles ont été vérifiés ... Quels sont les autres éléments ne fonctionnant pas ?
Pas de demande d'aide mécanique en Message Privé. Toutes les demandes se font dans les salons publics. Merci !
/¯\(°\=/°)... Ma présentation
2cv6 Spécial AZKA Bleue céleste 11/87
- Filofax
- Docteur deuchiste

- Messages : 1742
- Enregistré le : 08 juin 2018, 16:09
- Ma deuche : 2CV6 Spéciale AZKA 1986
- Date de naissance : 31 mai 1970
- Localisation : Près de Brest
Re: problèmes électriques sur ma 2cv
Ton problème est un peu étonnant.
Tu indiques ne plus avoir de clignotant et de jauges.
Or les clignotants et la jauge sont sur deux circuits différents
Les clignotants sont protégé par le fusible "jaune" et la jauge sur le fusible "bleu"
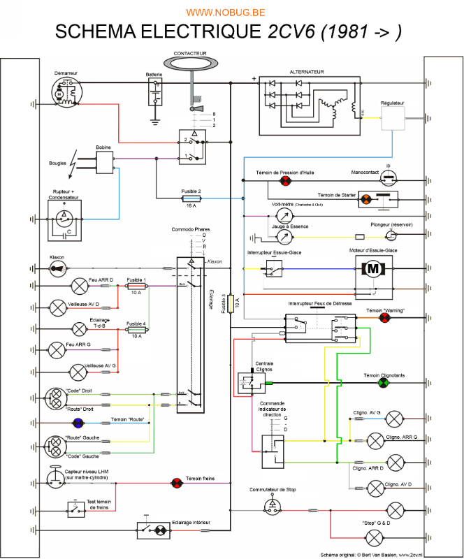
Je te mets ci dessous le schéma électrique de ta belle
Tu indiques ne plus avoir de clignotant et de jauges.
Or les clignotants et la jauge sont sur deux circuits différents
Les clignotants sont protégé par le fusible "jaune" et la jauge sur le fusible "bleu"
Je te mets ci dessous le schéma électrique de ta belle
- bil56
- Nouveau deuchiste

- Messages : 26
- Enregistré le : 21 déc. 2022, 08:21
- Ma deuche : 2CV6 1973
- Date de naissance : 09 nov. 1952
- Localisation : 56700
Re: problèmes électriques sur ma 2cv
merci , vous êtes rapides !
les fusibles sont bons, je vais à nouveau vérifier les contacts.
j'ai pas 13-14V en sortie d'alternateur (pas trouvé de marque) mais juste la tension de la batterie (12.7 env)
le régul est un Ducellier
curieux qu'en même temps je n'ai plus de jauge ni de clignotants ...
les fusibles sont bons, je vais à nouveau vérifier les contacts.
j'ai pas 13-14V en sortie d'alternateur (pas trouvé de marque) mais juste la tension de la batterie (12.7 env)
le régul est un Ducellier
curieux qu'en même temps je n'ai plus de jauge ni de clignotants ...
- Deuchémoi
- Docteur deuchiste

- Messages : 17044
- Enregistré le : 19 sept. 2009, 17:09
- Ma deuche : 2cv6 Spécial AZKA Bleue céleste 11/87
- Date de naissance : 30 oct. 1968
- Localisation : Vitrolles (13) ... au soleil !!!
Re: problèmes électriques sur ma 2cv
Tout le reste est OK ?
Pas de demande d'aide mécanique en Message Privé. Toutes les demandes se font dans les salons publics. Merci !
/¯\(°\=/°)... Ma présentation
2cv6 Spécial AZKA Bleue céleste 11/87
- CHARLYSTONE
- Docteur deuchiste

- Messages : 7142
- Enregistré le : 27 févr. 2018, 14:52
- Ma deuche : 2cv charleston de 06. 1990 2cv6 04.1983
- Date de naissance : 30 avr. 1958
- Localisation : 38 pres de bourgoin jallieu
Re: problèmes électriques sur ma 2cv
Bonjour @Filofax ,tu a mis un schéma 2CV à partir de 1981,celle de Bill est de 73,le problème peut venir de cosses oxydé donc à vérifier ou fil débrancher
- Eric13190
- Docteur deuchiste

- Messages : 9478
- Enregistré le : 01 janv. 2020, 15:10
- Ma deuche : 2 cv6 club 1976
- Date de naissance : 04 sept. 1973
- Localisation : Allauch
- Âge : 52
Re: problèmes électriques sur ma 2cv
Salut.
Si ça peut t'aider
Si ça peut t'aider
"La 2cv est une des rares voiture où l'important reste la personne". Quino

- PLUX
- Docteur deuchiste

- Messages : 2209
- Enregistré le : 01 sept. 2008, 16:20
- Ma deuche : 2cv 4 1974
- Date de naissance : 02 janv. 1959
- Localisation : luxembourg
- Âge : 67
Re: problèmes électriques sur ma 2cv
Ce n'est pas moi qui pourrait t'aider mais une 2cv6 de 73 et n'a 4 dev74 semblent avoir le même schéma.
Fusible bleu : essuie-glace, clignotant, jauge...
2cv 4 de 1974
- bil56
- Nouveau deuchiste

- Messages : 26
- Enregistré le : 21 déc. 2022, 08:21
- Ma deuche : 2CV6 1973
- Date de naissance : 09 nov. 1952
- Localisation : 56700
Re: problèmes électriques sur ma 2cv
bon, les amis,
après des heures à démonter, déconnecter, dégripper, jurer, pester et maudire ces c.... de chez Citroen,
TOUT FONCTIONNE !!!!!!
bilan, un clignotant AV cuit, à remplacer
OUF ...
et encore merci de vos interventions et bons conseils,
à charge de revanche, si je peux aider ...
après des heures à démonter, déconnecter, dégripper, jurer, pester et maudire ces c.... de chez Citroen,
TOUT FONCTIONNE !!!!!!
bilan, un clignotant AV cuit, à remplacer
OUF ...
et encore merci de vos interventions et bons conseils,
à charge de revanche, si je peux aider ...
- CHARLYSTONE
- Docteur deuchiste

- Messages : 7142
- Enregistré le : 27 févr. 2018, 14:52
- Ma deuche : 2cv charleston de 06. 1990 2cv6 04.1983
- Date de naissance : 30 avr. 1958
- Localisation : 38 pres de bourgoin jallieu
Re: problèmes électriques sur ma 2cv
Bravo
,par contre les autres pannes ne venais pas uniquement de l'ampoule du clignotant
- PLUX
- Docteur deuchiste

- Messages : 2209
- Enregistré le : 01 sept. 2008, 16:20
- Ma deuche : 2cv 4 1974
- Date de naissance : 02 janv. 1959
- Localisation : luxembourg
- Âge : 67
Re: problèmes électriques sur ma 2cv
bil56 a écrit : ↑21 déc. 2022, 18:19 bon, les amis,
après des heures à démonter, déconnecter, dégripper, jurer, pester et maudire ces c.... de chez Citroen,
TOUT FONCTIONNE !!!!!!![]()
bilan, un clignotant AV cuit, à remplacer
OUF ...
et encore merci de vos interventions et bons conseils,
à charge de revanche, si je peux aider ...
Bravo. Content pour toi
2cv 4 de 1974
- Deuchémoi
- Docteur deuchiste

- Messages : 17044
- Enregistré le : 19 sept. 2009, 17:09
- Ma deuche : 2cv6 Spécial AZKA Bleue céleste 11/87
- Date de naissance : 30 oct. 1968
- Localisation : Vitrolles (13) ... au soleil !!!
Re: problèmes électriques sur ma 2cv
A la bonne heure !

Pas de demande d'aide mécanique en Message Privé. Toutes les demandes se font dans les salons publics. Merci !
/¯\(°\=/°)... Ma présentation
2cv6 Spécial AZKA Bleue céleste 11/87