Restauration 2CV6 spéciale de 86
Modérateurs : Deuchémoi, zamzam
- zamzam
- Docteur deuchiste

- Messages : 6433
- Enregistré le : 22 juin 2011, 21:10
- Ma deuche : azam 11/64 ; azlp po 06/59
- Date de naissance : 27 juil. 1959
- Localisation : Nord bassin d'Arcadichon / Couches du trhone
- Âge : 66
Re: Restauration 2CV6 spéciale de 86
Attention Filofax, j'ai vu que tu avais maintenu ton moteur avec une cordelette attachée sur le support de démarreur, ça fait une bonne poignée mais c'est très fragile !
ça fait longtemps que je le couvais ... j'ai fait une rechute !
La 2CV : la seule voiture "open source"
La 2CV : la seule voiture "open source"
- Filofax
- Docteur deuchiste

- Messages : 1742
- Enregistré le : 08 juin 2018, 16:09
- Ma deuche : 2CV6 Spéciale AZKA 1986
- Date de naissance : 31 mai 1970
- Localisation : Près de Brest
Re: Restauration 2CV6 spéciale de 86
Oui, après avoir sortie l'ensemble moteur+boîte, pour les déplacer, je les ai mis sur mon diable. Et pour éviter que cela tombe du diable, j'ai mis un fil électrique de 2,5.
L'ensemble à fait 5 mètres ainsi, puis j'ai tout retiré.
Je n'ai rien soulevé par la "poignée" du démarreur., mais tu fais bien de le préciser pour d'autres qui lecteurs potentiels.
- Guyman
- Nouveau deuchiste

- Messages : 14
- Enregistré le : 03 mars 2021, 21:22
- Ma deuche : 2cv6 special
- Date de naissance : 19 janv. 1958
- Localisation : Rennes
Re: Restauration 2CV6 spéciale de 86
Bonjour,
Je ne sais pas si tu es toujours sur le forum
Je suis très impressionné par le travail que tu fais. Chapeau bas !!
Serai tu prêt à me donner des conseils en carrosserie ? J’attaque une 2cv6 spécial et la caisse est très pourrie: planchers latéraux, plancher pédalier, bas de caisse, baie de pare-brise, feux arrière, fond de coffre.
Je n’ai jamais fait. Mais j’ai l’envie, du temps et du matos et de la place. Ça suffit comme équipement ?
Merci de ton retour
PS je suis sur Rennes
Guyman
Je ne sais pas si tu es toujours sur le forum
Je suis très impressionné par le travail que tu fais. Chapeau bas !!
Serai tu prêt à me donner des conseils en carrosserie ? J’attaque une 2cv6 spécial et la caisse est très pourrie: planchers latéraux, plancher pédalier, bas de caisse, baie de pare-brise, feux arrière, fond de coffre.
Je n’ai jamais fait. Mais j’ai l’envie, du temps et du matos et de la place. Ça suffit comme équipement ?
Merci de ton retour
PS je suis sur Rennes
Guyman
- Filofax
- Docteur deuchiste

- Messages : 1742
- Enregistré le : 08 juin 2018, 16:09
- Ma deuche : 2CV6 Spéciale AZKA 1986
- Date de naissance : 31 mai 1970
- Localisation : Près de Brest
Re: Restauration 2CV6 spéciale de 86
Je vais vous conter mon après-midi d'hier.
Ayant reçu toute les pièces pour la rénovation de mon moteur, me voilà tout fragrant pour effectuer ce remontage.
Je commence donc par les piston/cylindre (désolé, je n'ai pas fait de photo).
Ce sont des pièces achetées chez Burton et fabriqué par Approtech.
N'ayant pas de pince à segments, j'ai utilisé une méthode trouver sur Youtube : Utiliser des calles de mon jeu de cales.
Pour ceux qui veulent voir cette méthode c'est ici : https://youtu.be/dRRF6JW40Oo?t=870
Ensuite, comme je n'ai pas non plus de compresseur de segment pour mettre les piston dans les cylindres, j'ai utilisé une méthode que j'ai trouver via google : Le rouleau de sotchs d'emballage (désolé pas de photo, ni de vidéo).
Oui, vous avez bien lu, un rouleaux de scotchs d'emballa fonctionne à merveille.
J'avais un vieux rouleau dans un coin, je l'ai coupé avec un trait de scie, et comme ce dernier fait 75 mm à l'origine et que mes pistons font 74, avec le trait de scie c'était nickel.
Badigeonnais tout ça d'huile de moteur et le tour est joué
Place ensuite au remontage des soupapes, culbuteurs sur les culasses. Là rien de bien sorcier, tout le monde a déjà vu faire.
Arrive maintenant le gros du chantier : L'assemblage du bas moteur.
Une petite photo de mon moteur mis sur mon étaux à l'aide d'une pièce métallique fixé sur les support moteur. Je redégraisse mes carters une dernière fois.
Je monte mon vilebrequin et je vérifie qu'il tourne ==> Nickel.
Je mets en place mon arbre à came en alignant les marques de calage. Je mets en place ma crépine et ma pompe à huile.
Je revérifie que mon vilebrequin tourne toujours ==> Nickel.
Ok, tout est bon, je mets ma pâte à joint (Loctite 518) Et j'essai de mettre mon demi-carter gauche pour referme mon moteur, et là.......ben non, impossible de refermer le carter.
Ceux qui sont attentif auront vu sur la photo précédente où ce situe le problème, non ?
Allez une petite aide : Et oui, lorsque j'ai mis en place le vilebrequin, la bague arrière n'était pas à sa place.
Lorsque j'ai fait tourné le vilebrequi pour faire mes tests, la bague à tournée, forcément.
Et donc forcément, impossible de refermer le moteur.
Donc solution : On enlève tout et on recommence.
Re dégraissage, remontage du vilebrequin en vérifiant que les 2 bagues soient bien à leur place, remise en place de l'arbre à came en contrôlant le calage, remettre la pâte à joint et réassemblage des demi carters.
Bien sur, j'ai huilé avec de la 15w40 là où il fallait et comme j'avais acheter également de l'huile d'assemblage, j'ai mis cette huile là où il fallait.
En fin d'après midi, le bas moteurs était assemblé.
Il me reste donc l'assemblage final à réalisé, mais la semaine prochaine.
Conclusion : Vérifiez bien que les deux bagues votre vilebrequin soient bien en place avant de continué, sinon vous faites le boulot deux fois
Ayant reçu toute les pièces pour la rénovation de mon moteur, me voilà tout fragrant pour effectuer ce remontage.
Je commence donc par les piston/cylindre (désolé, je n'ai pas fait de photo).
Ce sont des pièces achetées chez Burton et fabriqué par Approtech.
N'ayant pas de pince à segments, j'ai utilisé une méthode trouver sur Youtube : Utiliser des calles de mon jeu de cales.
Pour ceux qui veulent voir cette méthode c'est ici : https://youtu.be/dRRF6JW40Oo?t=870
Ensuite, comme je n'ai pas non plus de compresseur de segment pour mettre les piston dans les cylindres, j'ai utilisé une méthode que j'ai trouver via google : Le rouleau de sotchs d'emballage (désolé pas de photo, ni de vidéo).
Oui, vous avez bien lu, un rouleaux de scotchs d'emballa fonctionne à merveille.
J'avais un vieux rouleau dans un coin, je l'ai coupé avec un trait de scie, et comme ce dernier fait 75 mm à l'origine et que mes pistons font 74, avec le trait de scie c'était nickel.
Badigeonnais tout ça d'huile de moteur et le tour est joué
Place ensuite au remontage des soupapes, culbuteurs sur les culasses. Là rien de bien sorcier, tout le monde a déjà vu faire.
Arrive maintenant le gros du chantier : L'assemblage du bas moteur.
Une petite photo de mon moteur mis sur mon étaux à l'aide d'une pièce métallique fixé sur les support moteur. Je redégraisse mes carters une dernière fois.
Je monte mon vilebrequin et je vérifie qu'il tourne ==> Nickel.
Je mets en place mon arbre à came en alignant les marques de calage. Je mets en place ma crépine et ma pompe à huile.
Je revérifie que mon vilebrequin tourne toujours ==> Nickel.
Ok, tout est bon, je mets ma pâte à joint (Loctite 518) Et j'essai de mettre mon demi-carter gauche pour referme mon moteur, et là.......ben non, impossible de refermer le carter.
Ceux qui sont attentif auront vu sur la photo précédente où ce situe le problème, non ?
Allez une petite aide : Et oui, lorsque j'ai mis en place le vilebrequin, la bague arrière n'était pas à sa place.
Lorsque j'ai fait tourné le vilebrequi pour faire mes tests, la bague à tournée, forcément.
Et donc forcément, impossible de refermer le moteur.
Donc solution : On enlève tout et on recommence.
Re dégraissage, remontage du vilebrequin en vérifiant que les 2 bagues soient bien à leur place, remise en place de l'arbre à came en contrôlant le calage, remettre la pâte à joint et réassemblage des demi carters.
Bien sur, j'ai huilé avec de la 15w40 là où il fallait et comme j'avais acheter également de l'huile d'assemblage, j'ai mis cette huile là où il fallait.
En fin d'après midi, le bas moteurs était assemblé.
Il me reste donc l'assemblage final à réalisé, mais la semaine prochaine.
Conclusion : Vérifiez bien que les deux bagues votre vilebrequin soient bien en place avant de continué, sinon vous faites le boulot deux fois
-
JLUC
- Docteur deuchiste

- Messages : 1440
- Enregistré le : 26 sept. 2018, 12:59
- Ma deuche : Dyane 6 (4 glaces) qui n'existe qu'en rêve
- Date de naissance : 01 août 1974
- Localisation : Planète Terre
Re: Restauration 2CV6 spéciale de 86
Bonjour,
encore une aventure mécanique
Mais au final si tu y es arrivé c'est bien!!!
Sauf si ma mémoire me fait défaut, tu ne fais pas ça tous les jours.
Pour me consoler quand j'ai eu fait des trucs du genre...
... ben la mécanique c'est comme le sport quand on a pas d'entrainement on se plante.
Alors à bientôt pour la suite
JLUC
encore une aventure mécanique
Mais au final si tu y es arrivé c'est bien!!!
Sauf si ma mémoire me fait défaut, tu ne fais pas ça tous les jours.
Pour me consoler quand j'ai eu fait des trucs du genre...
Alors à bientôt pour la suite
JLUC
- Deuchémoi
- Docteur deuchiste

- Messages : 17048
- Enregistré le : 19 sept. 2009, 17:09
- Ma deuche : 2cv6 Spécial AZKA Bleue céleste 11/87
- Date de naissance : 30 oct. 1968
- Localisation : Vitrolles (13) ... au soleil !!!
Re: Restauration 2CV6 spéciale de 86
Ouais.... mais faire et défaire, c'est toujours travailler, non ?
As-tu vérifier lors du calage, que tu n'avais pas 2 marques différentes ....
Pour les segments, il y a aussi la méthode René :
C'est cool, quand ça avance !
Pas de demande d'aide mécanique en Message Privé. Toutes les demandes se font dans les salons publics. Merci !
/¯\(°\=/°)... Ma présentation
2cv6 Spécial AZKA Bleue céleste 11/87
- Losekem
- Deuchiste intermédiaire

- Messages : 209
- Enregistré le : 06 août 2020, 21:12
- Ma deuche : AK 400 de 1975
- Date de naissance : 17 juin 1997
- Localisation : Dijon
Re: Restauration 2CV6 spéciale de 86
Je confirme
Sur le sujet de ma deuche (http://forum.2cv-legende.com/viewtopic. ... &start=120) tu trouvera une photo de la position de la came d'allumage au PMH (volant calé) pour pouvoir comparer à la tienne. Même si honnêtement j'en doute, mais je ne te souhaite pas de devoir tout redémonter une fois le moteur sur le châssis prêt à redémarrer
- Filofax
- Docteur deuchiste

- Messages : 1742
- Enregistré le : 08 juin 2018, 16:09
- Ma deuche : 2CV6 Spéciale AZKA 1986
- Date de naissance : 31 mai 1970
- Localisation : Près de Brest
Re: Restauration 2CV6 spéciale de 86
Deuchémoi, Losekem, je n'ai pas d'autres marque sur la couronne dentées de mon arbre à cames, je suppose donc que c'est bonne.
J'ai toujours la plaque moteur d'origine, ce n'est pas un reconditionné.
Je pense qu'il n'avait jamais été ouvert avant.
JLUC, oui, je te confirme que mécanicien n'est pas mon métier, moi c'est plutôt l'informatique
Aujourd'hui, comme le temps n'était pas au beau fixe ici au bout du monde, mon ministre de l'emploi du temps m'a accordé une après-midi supplémentaire cette semaine.
J'ai donc pu continuer le remontage de mon moteur.
Le voici : J'avais remis la tubulure d'admission provisoirement afin de serrer mes culasses.
Il me reste à remettre en place le carénage de ventilation, et mettre le moteur sur le châssis.
Le carénage, il n'y a pas trop de soucis.
Par contre, pour remettre le moteur sur le châssis, il va falloir qu'il attente que j'ai un châssis
PS : Oui, les support moteur sont monté à l'envers sur les photos. J'ai rectifié depuis
Mais j'ai une question pour vous.
Dans la pochette de joint de Burton, il y a ce joint spi : Le diamètre extérieur est de 18,2 mm et intérieur environ 12 mm.
Je pense qu'il va à l'arrière du vilebrequin, là où la queue de boite se mets.
Mais comme je n'en avais pas au démontage, est-ce qu'il faut que je le mette ?
Merci d'avance pour vos réponses éclairées.
J'ai toujours la plaque moteur d'origine, ce n'est pas un reconditionné.
Je pense qu'il n'avait jamais été ouvert avant.
JLUC, oui, je te confirme que mécanicien n'est pas mon métier, moi c'est plutôt l'informatique
Aujourd'hui, comme le temps n'était pas au beau fixe ici au bout du monde, mon ministre de l'emploi du temps m'a accordé une après-midi supplémentaire cette semaine.
J'ai donc pu continuer le remontage de mon moteur.
Le voici : J'avais remis la tubulure d'admission provisoirement afin de serrer mes culasses.
Il me reste à remettre en place le carénage de ventilation, et mettre le moteur sur le châssis.
Le carénage, il n'y a pas trop de soucis.
Par contre, pour remettre le moteur sur le châssis, il va falloir qu'il attente que j'ai un châssis
PS : Oui, les support moteur sont monté à l'envers sur les photos. J'ai rectifié depuis
Mais j'ai une question pour vous.
Dans la pochette de joint de Burton, il y a ce joint spi : Le diamètre extérieur est de 18,2 mm et intérieur environ 12 mm.
Je pense qu'il va à l'arrière du vilebrequin, là où la queue de boite se mets.
Mais comme je n'en avais pas au démontage, est-ce qu'il faut que je le mette ?
Merci d'avance pour vos réponses éclairées.
-
JLUC
- Docteur deuchiste

- Messages : 1440
- Enregistré le : 26 sept. 2018, 12:59
- Ma deuche : Dyane 6 (4 glaces) qui n'existe qu'en rêve
- Date de naissance : 01 août 1974
- Localisation : Planète Terre
Re: Restauration 2CV6 spéciale de 86
Bricoler un "banc" avec la BV, et un bout de châssis est-ce envisageable?
Faudrait pas qu'il grippe d'ici à l'approvisionnement du châssis
Tu l'as mis en huile?
Jocker pour le joint.
Bon courage.
A bientôt.
JLUC
- Filofax
- Docteur deuchiste

- Messages : 1742
- Enregistré le : 08 juin 2018, 16:09
- Ma deuche : 2CV6 Spéciale AZKA 1986
- Date de naissance : 31 mai 1970
- Localisation : Près de Brest
Re: Restauration 2CV6 spéciale de 86
J'ai mise de l'huile d'assemblage.
Ca a l'avantage de rester gras et de ne pas couler.
Normalement, on peux garder ainsi un moteur durant des mois avant de le remettre en route.
Et ça se dissous avec de l'huile normal. Alors si je le mets en huile, l'huile d'assemblage va se dissoudre et le risque de grippage sera là.
Faire banc d'essai et une solution, mais comme je n'ais pas encore d'allumage, ca ne fonctionnerais pas de toute façon
Non, il ne me reste plus qu'à attendre avant de l'entendre ronronner (enfin j'espère qu'il ronronnera
)
Ca a l'avantage de rester gras et de ne pas couler.
Normalement, on peux garder ainsi un moteur durant des mois avant de le remettre en route.
Et ça se dissous avec de l'huile normal. Alors si je le mets en huile, l'huile d'assemblage va se dissoudre et le risque de grippage sera là.
Faire banc d'essai et une solution, mais comme je n'ais pas encore d'allumage, ca ne fonctionnerais pas de toute façon
Non, il ne me reste plus qu'à attendre avant de l'entendre ronronner (enfin j'espère qu'il ronronnera
- bob41
- Docteur deuchiste

- Messages : 8690
- Enregistré le : 09 mai 2016, 16:00
- Ma deuche : 2CV A 50 ; 2CV AZ 59 ; 2CV azam 65 ; 2CV 6 79 ; Dyane 67 ; AMI6 62 ; AMI8 77 ; HY 72 67
- Date de naissance : 26 sept. 1966
- Localisation : Sologne viticole (Contres) et Corse (Loreto-di-Casinca)
- Âge : 59
Re: Restauration 2CV6 spéciale de 86
Le joint, c'est le joint spi arrière du vilebrequin.
Il n'y en avait pas sur ton moteur ? Tu es sûr ? Comment se fait l'étanchéité ?
- Filofax
- Docteur deuchiste

- Messages : 1742
- Enregistré le : 08 juin 2018, 16:09
- Ma deuche : 2CV6 Spéciale AZKA 1986
- Date de naissance : 31 mai 1970
- Localisation : Près de Brest
Re: Restauration 2CV6 spéciale de 86
Bob,
J'ai regardé la RTA, et ce serait le joint spi qui se mets au niveau de la queue de boite de vitesse, là où il y a la bague en laiton dans mon cas de figure (moteur M28/1 - A06/635).
Page 33 de la RTA pour 2cv6, il y a ce schéma :
Et sur le "Je répare ma 2cv - Tome 3", en page 9, il y a cette coupe horizontale :
Sur les opération A100-00 des tome 1 et 2 du manuel de réparation qu'Azam76 nous a mis à disposition, les coupes horizontales sont comparable.
Pour moi, si je me replonge dans mes souvenirs de dessin industriels, il n'y pas de problème d'étanchéité.
Ce joint serait un pare poussière pour la bague laiton, où le roulement à aiguilles pour ceux qui on un roulement, pour éviter d'avoir de la poussière qui s'agglomère à la graisse qui se trouve a cet endroit (quand j'aurais mis de la graisse
Sa dimension est :
Diamètre extérieur : 18,2mm
Diamètre intérieur : 12 mm environ
Epaisseur : 4 mm
Je pense le remettre en place, malgré que René ait dit que ce n'était pas grave de ne pas le remettre dans cette discussion : viewtopic.php?t=8396
Qu'en penses tu ?
- Filofax
- Docteur deuchiste

- Messages : 1742
- Enregistré le : 08 juin 2018, 16:09
- Ma deuche : 2CV6 Spéciale AZKA 1986
- Date de naissance : 31 mai 1970
- Localisation : Près de Brest
Re: Restauration 2CV6 spéciale de 86
J'ai finalement mis le petit joint spi de queue de boite sur le vilebrequin et j'ai graissé la bague en laiton.
J'ai également remonté tous les carters de refroidissement du moteur.
Comme mon moteur est un moteur de 1986, il était équipé de carter en bitumes autour des cylindres et culasses qui étaient complètement pourris.
J'ai récupéré des carters métalliques.
Mais il a fallu adapter pour les mettre en place.
J'y ai passé l'après midi entière à remettre l'ensembles des carters.
Maintenant, le moteur va sagement attendre que le reste de la rénovation se poursuive avant de revoir le lumière?
Là, il va sagement attendre au fond de son carton, bien au chaud
Une petite photo du moteur, avant de refermer le carton
J'ai également remonté tous les carters de refroidissement du moteur.
Comme mon moteur est un moteur de 1986, il était équipé de carter en bitumes autour des cylindres et culasses qui étaient complètement pourris.
J'ai récupéré des carters métalliques.
Mais il a fallu adapter pour les mettre en place.
J'y ai passé l'après midi entière à remettre l'ensembles des carters.
Maintenant, le moteur va sagement attendre que le reste de la rénovation se poursuive avant de revoir le lumière?
Là, il va sagement attendre au fond de son carton, bien au chaud
Une petite photo du moteur, avant de refermer le carton
- Eric13190
- Docteur deuchiste

- Messages : 9477
- Enregistré le : 01 janv. 2020, 15:10
- Ma deuche : 2 cv6 club 1976
- Date de naissance : 04 sept. 1973
- Localisation : Allauch
- Âge : 52
Re: Restauration 2CV6 spéciale de 86
Il est magnifique, bravo.
Vivement qu'il revoit rapidement le jour.
"La 2cv est une des rares voiture où l'important reste la personne". Quino

- Deuchémoi
- Docteur deuchiste

- Messages : 17048
- Enregistré le : 19 sept. 2009, 17:09
- Ma deuche : 2cv6 Spécial AZKA Bleue céleste 11/87
- Date de naissance : 30 oct. 1968
- Localisation : Vitrolles (13) ... au soleil !!!
Re: Restauration 2CV6 spéciale de 86
Comme convenu, je t"envoie mon adresse postale en MP pour l'expédition.
Encore merci pour tout !
Pas de demande d'aide mécanique en Message Privé. Toutes les demandes se font dans les salons publics. Merci !
/¯\(°\=/°)... Ma présentation
2cv6 Spécial AZKA Bleue céleste 11/87
- bob41
- Docteur deuchiste

- Messages : 8690
- Enregistré le : 09 mai 2016, 16:00
- Ma deuche : 2CV A 50 ; 2CV AZ 59 ; 2CV azam 65 ; 2CV 6 79 ; Dyane 67 ; AMI6 62 ; AMI8 77 ; HY 72 67
- Date de naissance : 26 sept. 1966
- Localisation : Sologne viticole (Contres) et Corse (Loreto-di-Casinca)
- Âge : 59
Re: Restauration 2CV6 spéciale de 86
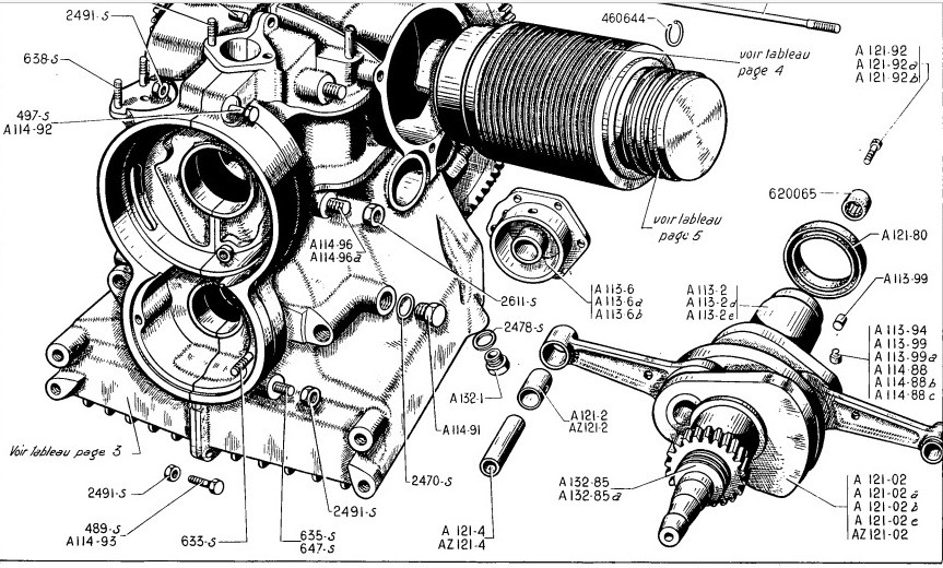
Et la pièce A 121-80 c'est quoi ?
- Filofax
- Docteur deuchiste

- Messages : 1742
- Enregistré le : 08 juin 2018, 16:09
- Ma deuche : 2CV6 Spéciale AZKA 1986
- Date de naissance : 31 mai 1970
- Localisation : Près de Brest
Re: Restauration 2CV6 spéciale de 86
C'est bien un joint spi, mais c'est le joint spi arrière du vilebrequin.
Celui-ci, je l'avais et j'en ai remis un neuf en viton qui se trouvait dans la pochette de joint.
Le joint spi dont je parle, c'est le petit joint spi qui n'est pas dans ton éclaté et qui ce nets derrière le roulement à aiguilles (pièce 620065).
Sur les derniers moteur, ils ont remplacé le roulement à aiguilles par des bague bronze.
C'est pas pas du tout les mêmes dimensions entre les deux joints. Il y a un rapport au minimum de 1/4
- Le_solognot_41
- Docteur deuchiste

- Messages : 939
- Enregistré le : 25 juil. 2019, 10:15
- Ma deuche : 2cv type AZA
- Date de naissance : 01 févr. 1974
- Localisation : sud du loir et cher
Re: Restauration 2CV6 spéciale de 86
tout beau tout propre ! bravo !Filofax a écrit : ↑13 mars 2021, 23:49 J'ai finalement mis le petit joint spi de queue de boite sur le vilebrequin et j'ai graissé la bague en laiton.
J'ai également remonté tous les carters de refroidissement du moteur.
Comme mon moteur est un moteur de 1986, il était équipé de carter en bitumes autour des cylindres et culasses qui étaient complètement pourris.
J'ai récupéré des carters métalliques.
Mais il a fallu adapter pour les mettre en place.
J'y ai passé l'après midi entière à remettre l'ensembles des carters.
Maintenant, le moteur va sagement attendre que le reste de la rénovation se poursuive avant de revoir le lumière?
Là, il va sagement attendre au fond de son carton, bien au chaud![]()
Une petite photo du moteur, avant de refermer le carton
197.jpg
- Filofax
- Docteur deuchiste

- Messages : 1742
- Enregistré le : 08 juin 2018, 16:09
- Ma deuche : 2CV6 Spéciale AZKA 1986
- Date de naissance : 31 mai 1970
- Localisation : Près de Brest
Re: Restauration 2CV6 spéciale de 86
Voilà maintenant 1 mois que je n'ai posté quoi que ce soit.
Et pour cause, je n'ai pas fait grand chose sur la 2CV.
Les beaux jours arrivants, il a fallu s'occuper du jardin, tondre, tailler les haies,....et c'est pas fini.
Mais je me suis quand même pris 2 heures pour restaurer le moteur d'essuie glace.
Je ne pense pas que ce soit le moteur d'origine de ma 2cv. Pour rappel, lorsque j'ai récupéré l'auto, tout le faisceau électrique avant était manquant, ainsi que l'intégralité du tableau de bord et ce qui va avec.
Mais le vendeur m'a donné tout ce qu'il avait et qui concerné les 2 cv.
Exemple, j'ai une vitre de porte arrière pour une 2cv AK. Je m'en sers comme marbre pour poncer les surface plane.
Je me suis également renseigné sur tout ce qui est apprêt et peinture.
Je comptais mettre en apprêt prochainement, puis m'occuper de remonter le châssis (que je n'ai as encore), et au dernier moment, faire la peinture de la caisse.
C'est à dire entre l'apprêt et la peinture il pouvait s'écouler pas mal de temps.
On m'a déconseillé d'espacé aussi longtemps les deux produits.
Donc information pour ceux qui comme moi doivent repeindre leur auto. On pose l'apprêt, on le ponce et on fait la peinture dans la foulé.
Du coup les prochaines opération seront autour des trains et châssis.
A dans quelques semaines
Et pour cause, je n'ai pas fait grand chose sur la 2CV.
Les beaux jours arrivants, il a fallu s'occuper du jardin, tondre, tailler les haies,....et c'est pas fini.
Mais je me suis quand même pris 2 heures pour restaurer le moteur d'essuie glace.
Je ne pense pas que ce soit le moteur d'origine de ma 2cv. Pour rappel, lorsque j'ai récupéré l'auto, tout le faisceau électrique avant était manquant, ainsi que l'intégralité du tableau de bord et ce qui va avec.
Mais le vendeur m'a donné tout ce qu'il avait et qui concerné les 2 cv.
Exemple, j'ai une vitre de porte arrière pour une 2cv AK. Je m'en sers comme marbre pour poncer les surface plane.
Je me suis également renseigné sur tout ce qui est apprêt et peinture.
Je comptais mettre en apprêt prochainement, puis m'occuper de remonter le châssis (que je n'ai as encore), et au dernier moment, faire la peinture de la caisse.
C'est à dire entre l'apprêt et la peinture il pouvait s'écouler pas mal de temps.
On m'a déconseillé d'espacé aussi longtemps les deux produits.
Donc information pour ceux qui comme moi doivent repeindre leur auto. On pose l'apprêt, on le ponce et on fait la peinture dans la foulé.
Du coup les prochaines opération seront autour des trains et châssis.
A dans quelques semaines
- Eric13190
- Docteur deuchiste

- Messages : 9477
- Enregistré le : 01 janv. 2020, 15:10
- Ma deuche : 2 cv6 club 1976
- Date de naissance : 04 sept. 1973
- Localisation : Allauch
- Âge : 52
Re: Restauration 2CV6 spéciale de 86
Bonne continuation au jardin et à bientôt pour suivre ta restauration.
"La 2cv est une des rares voiture où l'important reste la personne". Quino

- Pat_finlande
- Deuchiste confirmé

- Messages : 491
- Enregistré le : 17 sept. 2020, 19:05
- Ma deuche : 2CV 6 Special
- Date de naissance : 13 juin 1983
- Localisation : Sotkamo, Finlande
Re: Restauration 2CV6 spéciale de 86
Je viens de lire ce sujet depuis le debut, quel boulot!!
Pour un "non-specialiste", tu as quand meme fait un travail enorme sur tous les aspects de la voiture, c'est impressionnant! J'admire aussi ta patience et ton "acharnement" (dans le bon sens du terme), c'est un projet sur la duree.
J'espere un jour me lancer dans quelque chose de similaire, je ne manquerai pas de revenir prendre des notes

Pour un "non-specialiste", tu as quand meme fait un travail enorme sur tous les aspects de la voiture, c'est impressionnant! J'admire aussi ta patience et ton "acharnement" (dans le bon sens du terme), c'est un projet sur la duree.
J'espere un jour me lancer dans quelque chose de similaire, je ne manquerai pas de revenir prendre des notes
- paphio86
- Apprenti deuchiste

- Messages : 264
- Enregistré le : 05 janv. 2013, 21:12
- Ma deuche : 2cv6 1972
- Date de naissance : 10 juin 1980
Re: Restauration 2CV6 spéciale de 86
Super boulot Filofax
Le résultat final sera à la hauteur de la qualité de ton travail! Et puis tu mettras sûrement moins de temps que moi (7ans et demi quand même
)
Vivement la suite!
Le résultat final sera à la hauteur de la qualité de ton travail! Et puis tu mettras sûrement moins de temps que moi (7ans et demi quand même
Vivement la suite!
- Joie333
- Deuchiste intéressé

- Messages : 49
- Enregistré le : 07 avr. 2021, 22:14
- Ma deuche : 2cv6 Spéciale
- Date de naissance : 03 déc. 1985
- Localisation : Dijon
Re: Restauration 2CV6 spéciale de 86
C'est vraiment nickel! J'apprécie la qualité du travail! C'est vrai que quand on aime on ne compte pasFilofax a écrit : ↑17 févr. 2019, 11:57 La peinture, ça prends du temps, j'ao donc passé une semaine de plus que prévu, mais bon, quand on aime, on ne compte pas ...son temps![]()
Voici donc les pièces peintes :
017.jpg
018.jpg
Comme j'avais un peu de temps et les pièces, j'ai rassemblé ma crémaillère :
019.jpg
020.jpg
et mes barres de direction :
021.jpg
022.jpg
Je me demande parfois si nous nous accordons à nous même autant qu'à nos belles sur roues!
- Filofax
- Docteur deuchiste

- Messages : 1742
- Enregistré le : 08 juin 2018, 16:09
- Ma deuche : 2CV6 Spéciale AZKA 1986
- Date de naissance : 31 mai 1970
- Localisation : Près de Brest
Re: Restauration 2CV6 spéciale de 86
Comme annoncé, pour l'instant toute la partie carrosserie, peinture de la caisse va resté en "jachère".
Je me suis attaqué au train arrière aujourd'hui.
J'ai eu un gros doute sur le serrage des roulements de bras de suspension.
J'avais trop serré au début, ce qui provoqué des points durs sur les bras arrières.
En desserrant légèrement, c'était bon.
J'ai trouvé sur la RTA l'indication de 5,5 m.DaN pour le couple de serrage, mais avec l'outil a créneaux que j'ai, il n''est pas possible de mettre un clef dynamométrique, alors je l'ai fait à la clef "biscoto métrique" comme on dit.
Dans la RTA, il est également indiqué de mettre un goupille....mais je n'ai aps de trou pour mettre une goupille, et de mémoire, lorsque j'ai démonté les bras, il y a maintenant 3 ans (déjà
) je n'avais pas de goupille.
Qui peux me le confirmer ?
(PS : oui je sais, j'ai toujours les mêmes chaussures de sécurité
)
Comme je ne rigole pas avec la sécurité, j'ai commandé un kit complet de conduite de frein LHM pour mon auto.
Donc j'ai remonté les conduites de frein arrière.
Une chance, j'ai un long tournevis plat, qui m'a permis de ne pas trop galérer (après avoir compris que je n'y arriverais pas sans, c'est à dire, au bout d'une bonne heure. JE sais, pas rapide le gaillard
)
Il ne reste plus qu'à mettre le raccord de frein arrière.
Je me suis attaqué au train arrière aujourd'hui.
J'ai eu un gros doute sur le serrage des roulements de bras de suspension.
J'avais trop serré au début, ce qui provoqué des points durs sur les bras arrières.
En desserrant légèrement, c'était bon.
J'ai trouvé sur la RTA l'indication de 5,5 m.DaN pour le couple de serrage, mais avec l'outil a créneaux que j'ai, il n''est pas possible de mettre un clef dynamométrique, alors je l'ai fait à la clef "biscoto métrique" comme on dit.
Dans la RTA, il est également indiqué de mettre un goupille....mais je n'ai aps de trou pour mettre une goupille, et de mémoire, lorsque j'ai démonté les bras, il y a maintenant 3 ans (déjà
Qui peux me le confirmer ?
(PS : oui je sais, j'ai toujours les mêmes chaussures de sécurité
Comme je ne rigole pas avec la sécurité, j'ai commandé un kit complet de conduite de frein LHM pour mon auto.
Donc j'ai remonté les conduites de frein arrière.
Une chance, j'ai un long tournevis plat, qui m'a permis de ne pas trop galérer (après avoir compris que je n'y arriverais pas sans, c'est à dire, au bout d'une bonne heure. JE sais, pas rapide le gaillard
Il ne reste plus qu'à mettre le raccord de frein arrière.
- Filofax
- Docteur deuchiste

- Messages : 1742
- Enregistré le : 08 juin 2018, 16:09
- Ma deuche : 2CV6 Spéciale AZKA 1986
- Date de naissance : 31 mai 1970
- Localisation : Près de Brest
Re: Restauration 2CV6 spéciale de 86
Finalement, je me suis éclipsé durant la pub télévisuelle pour aller mettre ce fameux raccord de frein.
Madame n'a rien vue
Madame n'a rien vue
-
JLUC
- Docteur deuchiste

- Messages : 1440
- Enregistré le : 26 sept. 2018, 12:59
- Ma deuche : Dyane 6 (4 glaces) qui n'existe qu'en rêve
- Date de naissance : 01 août 1974
- Localisation : Planète Terre
Re: Restauration 2CV6 spéciale de 86
Bonsoir,
good job
Encore une opération "typique" qui me donne pas trop envie
Bravo
JLUC
good job
Encore une opération "typique" qui me donne pas trop envie
Bravo
JLUC
- Deuchémoi
- Docteur deuchiste

- Messages : 17048
- Enregistré le : 19 sept. 2009, 17:09
- Ma deuche : 2cv6 Spécial AZKA Bleue céleste 11/87
- Date de naissance : 30 oct. 1968
- Localisation : Vitrolles (13) ... au soleil !!!
Re: Restauration 2CV6 spéciale de 86
Si tu fais un stream privé de ta restauration, Madame aura l'impression de t'avoir à ses côtés, tout en regardant la télé ... pendant que tu avances au garage !
Pas de demande d'aide mécanique en Message Privé. Toutes les demandes se font dans les salons publics. Merci !
/¯\(°\=/°)... Ma présentation
2cv6 Spécial AZKA Bleue céleste 11/87
- Le_solognot_41
- Docteur deuchiste

- Messages : 939
- Enregistré le : 25 juil. 2019, 10:15
- Ma deuche : 2cv type AZA
- Date de naissance : 01 févr. 1974
- Localisation : sud du loir et cher
Re: Restauration 2CV6 spéciale de 86
félicitation pour ton travail !!

- Filofax
- Docteur deuchiste

- Messages : 1742
- Enregistré le : 08 juin 2018, 16:09
- Ma deuche : 2CV6 Spéciale AZKA 1986
- Date de naissance : 31 mai 1970
- Localisation : Près de Brest
Re: Restauration 2CV6 spéciale de 86
Même si je n'ai aps beaucoup de temps àconsacrer à mon projet 2Cv, j'ai quand même avancé un tout petit peu.
J'ai remonté les freins arrière
J'ai tout d'abord réalisé un outil pour le réglage des excentriques.
Deux bout de tuyaux PVC et hop Et ensuite j'ai remonté les freins et réglé les excentriques Un petit coup de maillet pour bloquer les tuyaux de freins sur les bras de suspension.
En se servant de bouts de durites d'essence de 4 mm, ça va nickel
PS : Je n'ai pas encore acheter les écrous pour remplacer les anciens, mais ils seront changés et serrés au couple (certainement biscotometrique) dès que le train arrière sera sur son châssis
J'ai remonté les freins arrière
J'ai tout d'abord réalisé un outil pour le réglage des excentriques.
Deux bout de tuyaux PVC et hop Et ensuite j'ai remonté les freins et réglé les excentriques Un petit coup de maillet pour bloquer les tuyaux de freins sur les bras de suspension.
En se servant de bouts de durites d'essence de 4 mm, ça va nickel
PS : Je n'ai pas encore acheter les écrous pour remplacer les anciens, mais ils seront changés et serrés au couple (certainement biscotometrique) dès que le train arrière sera sur son châssis