Bonjour,
Plusieurs remarques:
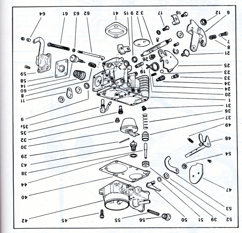
- Je trouve que la fixation de la tige d'accélérateur n'est pas très orthodoxe étonnant que le U soit dans le vide?

- agraphe tige accélérateur
- 10rafg.jpg (13.45 Kio) Vu 8669 fois
- Il est anormal que la vis de réglage ne touche pas le papillon de réglage, sans doute que la commande d'accélérateur est mal positionnée.
- On ne doit pas toucher à la vis de richesse capuchon noir d'origine réglage usine et blanc si modifié.
- Le réglage doit se faire par la vis de butée de papillon
Question:
- Est-ce un moteur avec embrayage centrifuge?
*Si oui le carburateur a-t-il un frein de ralenti?. dans l'affirmative est-il réglé correctement.
*Si non le carburateur n'a pas de frein de ralenti, si il y en a un le désactiver ou accepter un passage en mode ralenti plus long.
Procédure:
-Régler la commande d'accélérateur pour que le papillon de réglage vienne au contact de la vis de réglage desserrée. S'assurer que l’agrafe d'embout est bien posée.
-Repositionner la vis de richesse à sa position initiale, la serrer complètement sans forcer et dévisser de 2 tours.
-Régler le ralenti à l'aide de la vis de réglage, opération à faire moteur chaud (environ 800tmn).
-Si frein de ralenti le régler pour atteindre une durée de une à deux seconde en jouant sur l'accroche du ressort de rappel sur la boite d'admission.
-Vérifier que le piston du frein de ralenti n'est pas grippé le cas échéant.