Page 1 sur 1
problèmes électriques sur ma 2cv
Posté : 21 déc. 2022, 09:15
par bil56
bonjour à tous,
2cv6 73
tout allait bien jusqu'à ...
plus de charge d'alternateur (récent, régulateur externe sur le tablier) + plus de jauge essence + plus de clignotants ...
ça fait beaucoup !
la batterie est neuve, bien chargée ...
alors docteur ???
Re: problèmes électriques sur ma 2cv
Posté : 21 déc. 2022, 09:38
par Deuchémoi
As-tu consulté ce lien pour vérifier le bon fonctionnement de ton alternateur (même récent, ça peut tomber en carafe !) :
viewtopic.php?f=35&t=6164
Pour le reste, j'imagine que les fusibles ont été vérifiés ... Quels sont les autres éléments ne fonctionnant pas ?
Re: problèmes électriques sur ma 2cv
Posté : 21 déc. 2022, 09:48
par Filofax
Ton problème est un peu étonnant.
Tu indiques ne plus avoir de clignotant et de jauges.
Or les clignotants et la jauge sont sur deux circuits différents
Les clignotants sont protégé par le fusible "jaune" et la jauge sur le fusible "bleu"
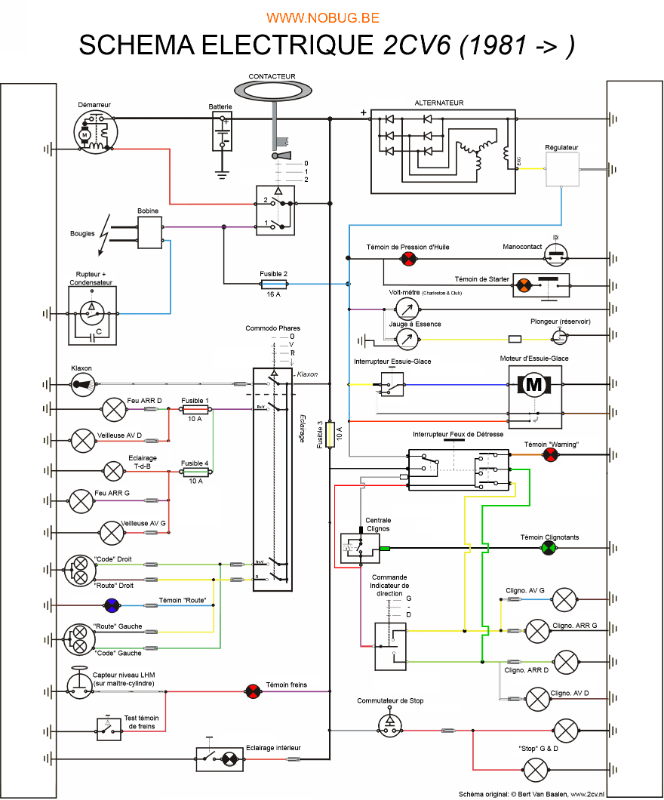
Je te mets ci dessous le schéma électrique de ta belle
Re: problèmes électriques sur ma 2cv
Posté : 21 déc. 2022, 12:02
par bil56
merci , vous êtes rapides !
les fusibles sont bons, je vais à nouveau vérifier les contacts.
j'ai pas 13-14V en sortie d'alternateur (pas trouvé de marque) mais juste la tension de la batterie (12.7 env)
le régul est un Ducellier
curieux qu'en même temps je n'ai plus de jauge ni de clignotants ...
Re: problèmes électriques sur ma 2cv
Posté : 21 déc. 2022, 12:28
par Deuchémoi
bil56 a écrit : ↑21 déc. 2022, 12:02
curieux qu'en même temps je n'ai plus de jauge ni de clignotants ...
Tout le reste est OK ?
Re: problèmes électriques sur ma 2cv
Posté : 21 déc. 2022, 13:18
par CHARLYSTONE
Bonjour @Filofax ,tu a mis un schéma 2CV à partir de 1981,celle de Bill est de 73,le problème peut venir de cosses oxydé donc à vérifier ou fil débrancher
Re: problèmes électriques sur ma 2cv
Posté : 21 déc. 2022, 13:31
par Eric13190
Salut.
Si ça peut t'aider

Re: problèmes électriques sur ma 2cv
Posté : 21 déc. 2022, 14:25
par PLUX
Deuchémoi a écrit : ↑21 déc. 2022, 12:28
bil56 a écrit : ↑21 déc. 2022, 12:02
curieux qu'en même temps je n'ai plus de jauge ni de clignotants ...
Tout le reste est OK ?
Ce n'est pas moi qui pourrait t'aider mais une 2cv6 de 73 et n'a 4 dev74 semblent avoir le même schéma.
Fusible bleu : essuie-glace, clignotant, jauge...
Re: problèmes électriques sur ma 2cv
Posté : 21 déc. 2022, 18:19
par bil56
bon, les amis,
après des heures à démonter, déconnecter, dégripper, jurer, pester et maudire ces c.... de chez Citroen,
TOUT FONCTIONNE !!!!!!
bilan, un clignotant AV cuit, à remplacer
OUF ...
et encore merci de vos interventions et bons conseils,
à charge de revanche, si je peux aider ...
Re: problèmes électriques sur ma 2cv
Posté : 21 déc. 2022, 18:37
par CHARLYSTONE
Bravo

,par contre les autres pannes ne venais pas uniquement de l'ampoule du clignotant
Re: problèmes électriques sur ma 2cv
Posté : 21 déc. 2022, 18:49
par PLUX
bil56 a écrit : ↑21 déc. 2022, 18:19
bon, les amis,
après des heures à démonter, déconnecter, dégripper, jurer, pester et maudire ces c.... de chez Citroen,
TOUT FONCTIONNE !!!!!!
bilan, un clignotant AV cuit, à remplacer
OUF ...
et encore merci de vos interventions et bons conseils,
à charge de revanche, si je peux aider ...
Bravo. Content pour toi
Re: problèmes électriques sur ma 2cv
Posté : 22 déc. 2022, 09:07
par Deuchémoi
A la bonne heure !
