Page 1 sur 1
Clignotants 2 cv résolu
Posté : 27 avr. 2019, 21:08
par totoche
Bonjour
Depuis ce matin lorsque je mets les clignotants à droite comme à gauche ça clignote rapidement pareil que lorsqu'une ampoule est grillèe mais elles fonctionnenttoutes d'ailleurs en warning ça clignote normalement.
Avez vous une idée de la cause ?
Merci
Re: Clignotants
Posté : 27 avr. 2019, 21:52
par CHARLYSTONE
Bonsoir, ton problème vient peut être du fil de masse sur les ailes avant ou de la centrale
Re: Clignotants
Posté : 27 avr. 2019, 22:06
par Mikey 71
Je pense pas que ça vienne du fil de masse, les warning ne marcheraient pas sinon. Regarde plutôt les fils avant la centrale....

Re: Clignotants
Posté : 28 avr. 2019, 06:33
par totoche
Merci de vos réponses.
Où se situe cette centrale clignotante, j'ai regardé sur le net et j'ai trouvé 2 versions :
- sur le tablier côté conducteur et moteur
- ou dans le tableau de bord
Quel version est vrai pour une 2cv6 spéciale.
Apparemment ça ressemblerait à un tube en verre
Re: Clignotants
Posté : 28 avr. 2019, 07:26
par CHARLYSTONE
La centrale ce trouve sous le tablier côté conducteur ,débranche et rebranche les trois cosses y doit y avoir un mauvais contact
Re: Clignotants
Posté : 28 avr. 2019, 07:33
par renato13
Je pense plutôt a ta centrale clignotant qui à un souci , sinon un problème Electrique rien fonctionnerai .

Re: Clignotants 2 cv
Posté : 28 avr. 2019, 07:35
par totoche
Moi qui pensais être le seul insomniaque
Merci de vos conseils, je vais commencer par regarder les masses
Re: Clignotants 2 cv
Posté : 28 avr. 2019, 07:50
par CHARLYSTONE
Quel modèle ta 2cv et l'année
Re: Clignotants 2 cv
Posté : 28 avr. 2019, 07:56
par totoche
2cv6 spéciale de 1989
Re: Clignotants 2 cv
Posté : 28 avr. 2019, 07:59
par CHARLYSTONE
Ok,la centrale est facile a trouver
Re: Clignotants 2 cv
Posté : 28 avr. 2019, 08:04
par renato13
totoche a écrit :2cv6 spéciale de 1989
Ben une 89 çà conforte mon idée sur un soucis de ta centrale . Une 89 tu doit avoir une centrale qui fait les deux ,clignotants et warning.
Les plus anciennes avait deux centrales ,une pour les feux de détresse ,et une pour les cligno. la oui !!! çà pourrait être un problème électrique .

Re: Clignotants 2 cv
Posté : 28 avr. 2019, 12:52
par totoche
Ce matin j'y suis passé que 2 minutes car j'étais avec ma femme.
Lorsque mets les warning la lumière verre sur le tableau de bord clignote et lorsque je mets les clignotants, non seulement ils clignotent très vite mais en plus ce voyant vert ne clignote pas .
Re: Clignotants 2 cv
Posté : 28 avr. 2019, 13:09
par Deuchémoi
totoche a écrit :non seulement ils clignotent très vite mais en plus ce voyant vert ne clignote pas .
Pour moi, il y a un lien de cause à effet ! Il doit y avoir un pblm sur le branchement du voyant (une masse ou un fil déconnecté !), qui fait que le voyant ne fonctionne plus et que du coup, ça clignote rapidement (normal, puisqu'une ampoule, celle du voyant, est HS !).
Je n'y mettrai pas ma main à couper, mais ... presque !

Re: Clignotants 2 cv
Posté : 28 avr. 2019, 13:26
par totoche
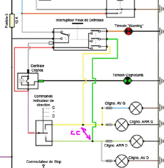
C'est une piste je vais regarder le schéma électrique si j'y comprends quelque chose
Re: Clignotants 2 cv
Posté : 28 avr. 2019, 14:12
par renato13
Moi je pense plutôt à ta centrale cligno , le répétiteur interne hs .

Re: Clignotants 2 cv
Posté : 28 avr. 2019, 14:34
par renato13
Tu a fait un essaie ? , de toilé les cu d'ampoule et le porte ampoule ,ainsi que les fusibles .

Re: Clignotants 2 cv
Posté : 28 avr. 2019, 20:15
par totoche
J'ai regardé le schéma électrique et je ne comprends pas,il y aurait 2 voyants lumineux différents, 1 pour les clignotants et un autre pour les warning.
Il me semblait bien que le voyant vert faisait les 2
Re: Clignotants 2 cv
Posté : 28 avr. 2019, 21:21
par Deuchémoi
totoche a écrit :J'ai regardé le schéma électrique et je ne comprends pas,il y aurait 2 voyants lumineux différents, 1 pour les clignotants et un autre pour les warning.
Il me semblait bien que le voyant vert faisait les 2
Sur ma 6 Spécial de 87, c'est bien 2 voyants différents !
Orange pour le warning (juste au dessus de l'inter warning) et vert pour les clignos (au dessus du voyant de phare).

Re: Clignotants 2 cv
Posté : 29 avr. 2019, 06:54
par totoche
Merci
Donc ce n'est pas normal que ce soit le vert qui clignote avec les warning, il doit y avoir déjà une invertion
Re: Clignotants 2 cv
Posté : 29 avr. 2019, 10:26
par Fredjojo
ce n'est pas facile car x montages et x bidouillages possibles au fil du temps.
Si tu as ce montage , normalement 2 voyants
clignotant seul = voyant vert
warning = voyant vert et rouge
d'apres ce que tu donne comme infos ,je verrais bien un court circuit en mauve sur le dessin mais peux tu confirmer que tu as commodo a bruiteur ? la charge des 4 clignotants + bruiteur je pense que la centrale n 'aime pas .
On pourrait dans un premier temps , debrancher les 3 cables du commodo clignotant , et tu fais toucher le fil rouge + vert et ensuite fil rouge + jaune du faisceau et nous dire ce qu il se passe (avec le contact mis).
Fred
Re: Clignotants 2 cv résolu
Posté : 29 avr. 2019, 11:26
par totoche
Merci à tous pour votre aide. C'est réglé
J'y suis passé ce matin et c'était pire que je le pensais.
Les warning faisaient clignoter leur voyant rouge mais aussi le vert ainsi que l'aiguille de la jauge d'essence.
La centrale clignotante ne ressemblait à rien de ce que j'ai pu voir sur le net, elle avait 4 broches.
Je l'ai emmenée au garage du coin sans grands espoirs. Ça lui a pris 5 minutes.
Le fil du voyant lumineux du starter était branché sur la 4eme broche.
Ça devait être comme cela depuis un bon moment mais je n'avais jamais prêté attention, c'est un copain qui me l'a fait remarquer la semaine dernière.
Re: Clignotants 2 cv résolu
Posté : 29 avr. 2019, 12:37
par Deuchémoi
The end !
A la bonne heure.

Re: Clignotants 2 cv résolu
Posté : 29 avr. 2019, 16:49
par CHARLYSTONE
Bonjour Totoche,la centrale clignotante de 2cv n'a que 3 broches et pas 4?
Re: Clignotants 2 cv résolu
Posté : 29 avr. 2019, 16:56
par totoche
C'est bien ce que je dis, ce n'est pas une centrale clignotante d'origine
Re: Clignotants 2 cv résolu
Posté : 29 avr. 2019, 17:00
par CHARLYSTONE
A d'accord donc tu a monter une d'origine
Re: Clignotants 2 cv résolu
Posté : 29 avr. 2019, 17:23
par totoche
Ho que non, ça fonctionne donc je ne touche plus à rien.
Le mécano a juste débrancher ce câble. Il reste une broche sans fil
Re: Clignotants 2 cv résolu
Posté : 30 avr. 2019, 08:52
par PLUX
Le mieux est l'ennemi du bien.
si cela marche et de donne satisfaction, ne touche à rien.
par contre changer une centrale de clignotant pour en mettre une type d'origine, ce n'est pas difficile, je le sais, j'y suis arrivé.
Et tu as la satisfaction de remettre la voiture dans une état plus proche de l'origine.
Si celle-ci casse tu auras le temps d'y songer, d'ici là tu peux rouler tranquille avec l'été.
Re: Clignotants 2 cv résolu
Posté : 30 avr. 2019, 09:32
par bob41
Puisqu'on parle de centrale clignotante, j'ai une question.
Sur ma 2 CV 6 de 1979, j'ai remplacé la centrale HS par une autre identique à bruiteur et trois broches. Elle fonctionne parfaitement et les clignos aussi.
J'ai voulu mettre un voyant parce que mes vieilles oreilles n'entendent pas toujours le bruiteur, eh oui ! :shock:
Je l'ai branché comme montré sur le schéma sur le fil de masse : ça ne marche pas. Et pourtant si je mets le voltmètre il y a bien un courant qui passe et avec une tension de 12 V, et l'ampoule du voyant n'est pas HS.
Alors ?
Mais on en reparlera plus tard, là je suis en Corse et je n'ai pas la 2 CV sous la main....

Re: Clignotants 2 cv résolu
Posté : 30 avr. 2019, 11:15
par renato13
bob41 a écrit :
Puisqu'on parle de centrale clignotante, j'ai une question.
Sur ma 2 CV 6 de 1979, j'ai remplacé la centrale HS par une autre identique à bruiteur et trois broches. Elle fonctionne parfaitement et les clignos aussi.
J'ai voulu mettre un voyant parce que mes vieilles oreilles n'entendent pas toujours le bruiteur, eh oui ! :shock:
Je l'ai branché comme montré sur le schéma sur le fil de masse : ça ne marche pas. Et pourtant si je mets le voltmètre il y a bien un courant qui passe et avec une tension de 12 V, et l'ampoule du voyant n'est pas HS.
Alors ?
Mais on en reparlera plus tard, là je suis en Corse et je n'ai pas la 2 CV sous la main....

Salut bob bonne vacances ,je suppose que tu est en vacance !! la corse , des que j'ai fini de payer les études d’infirmier à mon fils qui me coûte un bras .
je retourne ,y faire un tour,.
Bref ,pour ton voyant cligno.
Un truc tout simple tu ponte direct sur l'ampoule avant ,avec un fil volant direct a ton voyant ,quant ton ampoule du cligno ,va clignoter
ton voyant avec . tu fait pareil de l'autre coté ,deux voyant un droite un gauche , comme sur les Ferrari
on en reparle ,quant tu reviens .

Re: Clignotants 2 cv résolu
Posté : 30 avr. 2019, 17:50
par PLUX
Pas bête comme solution et simple et efficace.
Je retiens car mes oreilles........
Par contre la mémoire est bonne et mes séjours en Corse me reviennent vite. C'est si beau.
Bonnes vacances