Page 1 sur 1
court circuit eclairage et feux stop 2cv résolu
Posté : 13 sept. 2019, 09:22
par GUILLAUME77
Bonjour à tous,
j'ai un souci electrique incomprehensible. lorsque que j'allume les feux, il y a du courant positif qui arrive par le + du faisceau des freins.
lorsque je freine il y aussi le + qui arrive normalement donc qui rentre en conflit si les feux sont allumés(fusibles du haut et du bas qui petent).
j'ai remplacé le commodo en respectant les couleurs et positions donc normalement pas d'erreur.....
Daprès vous il y a un moment ou le faisceau peut se rencontré? je comprends pas car pour moi il y a pas de relation entre les deux.
merci de votre aide
guillaume
Re: court circuit eclairage et feux stop
Posté : 13 sept. 2019, 10:19
par Math 2cv
effectivement c'est étrange

. Vérifie dans un premier temps le cheminement du fil de feu stop des feux arrières jusqu'au contacteur, voir s'il n'y a pas de fil sectionné qui feraient masse (mais ça ne serait pas les mêmes symptômes), ou si un pontage sur le fil d'origine n'a pas été réalisé entre temps.
Sinon je sèche ! Les problèmes électriques c'est compliqué à résoudre quand on n'est pas devant la voiture.
Attends d'autres avis.

Re: court circuit eclairage et feux stop
Posté : 13 sept. 2019, 11:01
par renato13
les feux , et les stop ,son deux faisceaux différent, regarde plutôt ton porte fusible ,mauvais contact ,
nettoie bien les cosses et le porte fusible ,possible un mauvais contact.

Re: court circuit eclairage et feux stop 2cv
Posté : 13 sept. 2019, 19:03
par Le_solognot_41
moi j'ai une anecdote a raconter, cela n'aidera pas guillaume mais bon :
un ami à moi laisse sa vielle twingo plusieurs mois dehors sans s'en servir.
il veut s'en servir et là plus de clignotant ni de warning.
je lui dis déjà regarde les fusibles, mais aucun n'est fondu.
on démonte la centrale de clignotant, et là un autre ami arrive et la démonte.
il nous dit "ça sent pas le bruler et c'est pas noir alors c'est pas grillé !"
on lui explique qu'il y a un circuit intégré etc etc ...
mais il persiste il dit c'est les fusibles, nous on dit non .
il farfouine retire le fusible des clignotants et l'interverti avec un autre du même calibre 10A.
il remonte la centrale et là .... ça marche !
effectivement en regardant bien à la lumière du jour
le fusible était un peu oxydé et ne faisait pas contact !
c'est à peine croyable , on a vraiment passé pour 2 cons !!
Re: court circuit eclairage et feux stop
Posté : 14 sept. 2019, 11:06
par GUILLAUME77
renato13 a écrit :
les feux , et les stop ,son deux faisceaux différent, regarde plutôt ton porte fusible ,mauvais contact ,
nettoie bien les cosses et le porte fusible ,possible un mauvais contact.

Bonjour renato,
Comment un mauvais contact sur un fusible peut envoyer du + sur un fil d'un faisceau différent? Ca m interpelle
guillaume
Re: court circuit eclairage et feux stop 2cv
Posté : 14 sept. 2019, 12:19
par GUILLAUME77
Le_solognot_41 a écrit :moi j'ai une anecdote a raconter, cela n'aidera pas guillaume mais bon :
un ami à moi laisse sa vielle twingo plusieurs mois dehors sans s'en servir.
il veut s'en servir et là plus de clignotant ni de warning.
je lui dis déjà regarde les fusibles, mais aucun n'est fondu.
on démonte la centrale de clignotant, et là un autre ami arrive et la démonte.
il nous dit "ça sent pas le bruler et c'est pas noir alors c'est pas grillé !"
on lui explique qu'il y a un circuit intégré etc etc ...
mais il persiste il dit c'est les fusibles, nous on dit non .
il farfouine retire le fusible des clignotants et l'interverti avec un autre du même calibre 10A.
il remonte la centrale et là .... ça marche !
effectivement en regardant bien à la lumière du jour
le fusible était un peu oxydé et ne faisait pas contact !
c'est à peine croyable , on a vraiment passé pour 2 cons !!
bonjour solognot
merci pour ton aide mais la ce n'est pas que ca fonctionne pas mais j'ai du + d'alimentation des feux qui passe dans le circuit du + des stops.
en plus, les fusibles ont sautés donc la ils sont tous neufs du coup je comprends pas
Guillaume
Re: court circuit eclairage et feux stop
Posté : 14 sept. 2019, 18:53
par renato13
GUILLAUME77 a écrit :renato13 a écrit :
les feux , et les stop ,son deux faisceaux différent, regarde plutôt ton porte fusible ,mauvais contact ,
nettoie bien les cosses et le porte fusible ,possible un mauvais contact.

Bonjour renato,
Comment un mauvais contact sur un fusible peut envoyer du + sur un fil d'un faisceau différent? Ca m interpelle
guillaume
Ben ton porte fusible protège plusieurs circuit, si tu a un mauvais contact sur un plot ou une parti du porte fusible, de la rouille, ou une cosse abîmée ,ou
qui bouge ,!! le courant ,peut passer d'un fusible sur l'autre, si c'est pas ton porte fusible !! après contrôle ,débranche un à un tes appareil Electrique
pour voir le quel qui fait cramer les fusibles. Tu va avoir besoin de plusieurs fusible , mais c'est la façon la plus efficace de trouver un court circuit.

Re: court circuit eclairage et feux stop 2cv
Posté : 14 sept. 2019, 20:28
par Le_solognot_41
GUILLAUME77 a écrit :Bonjour à tous,
j'ai un souci electrique incomprehensible. lorsque que j'allume les feux, il y a du courant positif qui arrive par le + du faisceau des freins.
lorsque je freine il y aussi le + qui arrive normalement donc qui rentre en conflit si les feux sont allumés(fusibles du haut et du bas qui petent).
j'ai remplacé le commodo en respectant les couleurs et positions donc normalement pas d'erreur.....
Daprès vous il y a un moment ou le faisceau peut se rencontré? je comprends pas car pour moi il y a pas de relation entre les deux.
merci de votre aide
guillaume
mon premier post n’était pas fait pour t'aider je l'avais précisé
je t'ai bien relu : là ou le circuit des feux et celui des stops se rejoignent, c'est dans les feux à l’arrière.
mais je comprends pas une chose : quand tu allumes les feux, les stops s'allument aussi ?
je ne sais pas si la puissance des 2 stops en plus peuvent faire sauter le fusible des feux même bien calibré

ce serait intéressant à savoir.
deuxièmement, un conflit de "plus" tu es sur que c'est possible, le plus viendra toujours de ta seule batterie, le courant ne circule pas entre 2 fils branchés au "plus".
tercio , des épissures, c'est peut être source de contact indésirable, mais est ce qu'il y a 2 épissures l'une sur l'autre dans tout le faisceau ?
plutôt proche de carrosserie donc du "moins".
quand tu freines les feux de positions s'allument ?
au fait c'est sur ta 2CV Charleston de 1981 ?
Note du Benêt : j'ai un 2cv expert avec un schéma électrique mais je ne sais pas de quel modèle il faut que je regarde.
EDIT: c'est le schéma d'une azam, ou la veilleuse gauche et les stops passe dans le même faisceau dans la "zone charnière sous capot" :shock:
mais cela doit être différent sur la tienne.
Re: court circuit eclairage et feux stop 2cv
Posté : 14 sept. 2019, 21:13
par GUILLAUME77
Le_solognot_41 a écrit :GUILLAUME77 a écrit :Bonjour à tous,
j'ai un souci electrique incomprehensible. lorsque que j'allume les feux, il y a du courant positif qui arrive par le + du faisceau des freins.
lorsque je freine il y aussi le + qui arrive normalement donc qui rentre en conflit si les feux sont allumés(fusibles du haut et du bas qui petent).
j'ai remplacé le commodo en respectant les couleurs et positions donc normalement pas d'erreur.....
Daprès vous il y a un moment ou le faisceau peut se rencontré? je comprends pas car pour moi il y a pas de relation entre les deux.
merci de votre aide
guillaume
mon premier post n’était pas fait pour t'aider je l'avais précisé
je t'ai bien relu : là ou le circuit des feux et celui des stops se rejoignent, c'est dans les feux à l’arrière.
mais je comprends pas une chose : quand tu allumes les feux, les stops s'allument aussi ?
je ne sais pas si la puissance des 2 stops en plus peuvent faire sauter le fusible des feux même bien calibré

ce serait intéressant à savoir.
deuxièmement, un conflit de "plus" tu es sur que c'est possible, le plus viendra toujours de ta seule batterie, le courant ne circule pas entre 2 fils branchés au "plus".
tercio , des épissures, c'est peut être source de contact indésirable, mais est ce qu'il y a 2 épissures l'une sur l'autre dans tout le faisceau ?
plutôt proche de carrosserie donc du "moins".
quand tu freines les feux de positions s'allument ?
au fait c'est sur ta 2CV Charleston de 1981 ?
Note du Benêt : j'ai un 2cv expert avec un schéma électrique mais je ne sais pas de quel modèle il faut que je regarde.
EDIT: c'est le schéma d'une azam, ou la veilleuse gauche et les stops passe dans le même faisceau dans la "zone charnière sous capot" :shock:
mais cela doit être différent sur la tienne.
*
probleme resolu grace à vos differents posts, j'ai regarder les fusibles RAS puis j'ai chercher les fils d'alimentation des feux puis des stops en les testants et effectivement conflits entre les deux alimentations.
j'ai regarder partout ou cela le faisceau se trouve accessible avant de le depioter mais rien. j'ai donc retirer le scotch en partant de la boite de fusible et au bout de 5 cm j'ai trouvé deux cbles verts avec une legere dechirure qui se touchait tres legerement.
apres avoir tester, il s'agit bien des deux alimentations :danse: :danse: :danse: :danse:
une bonne galère mais soulagé d'avoir trouvé.
un grand merci à tous.
PS:oui c'est bien sur ma charleston de juillet 1981
Re: court circuit eclairage et feux stop 2cv
Posté : 14 sept. 2019, 21:28
par renato13

content pour toi

Re: court circuit eclairage et feux stop 2cv résolu
Posté : 15 sept. 2019, 13:00
par Le_solognot_41
bravo tu as résolu ton problème !
mais ce serait bon d'analyser un peu le schéma pour voir ce qu'il se passait vraiment, ça peut servir pour d'autre.
Re: court circuit eclairage et feux stop 2cv résolu
Posté : 15 sept. 2019, 17:15
par Deuchémoi
Le_solognot_41 a écrit :
mais ce serait bon d'analyser un peu le schéma pour voir ce qu'il se passait vraiment, ça peut servir pour d'autre.
Bha ... il me semble qu'il a trouvé ce qui se passait :
Guillaume77 a écrit :j'ai donc retirer le scotch en partant de la boite de fusible et au bout de 5 cm j'ai trouvé deux cbles verts avec une legere dechirure qui se touchait tres legerement.

Re: court circuit eclairage et feux stop 2cv résolu
Posté : 15 sept. 2019, 21:02
par Le_solognot_41
Deuchémoi a écrit :Le_solognot_41 a écrit :
mais ce serait bon d'analyser un peu le schéma pour voir ce qu'il se passait vraiment, ça peut servir pour d'autre.
Bha ... il me semble qu'il a trouvé ce qui se passait :
Guillaume77 a écrit :j'ai donc retirer le scotch en partant de la boite de fusible et au bout de 5 cm j'ai trouvé deux cbles verts avec une legere dechirure qui se touchait tres legerement.

ce que je voulais dire c'est suivre le courant sur un schéma, j'en trouverai bien un dans un bouquin.
on s'amuse comme on peut

Re: court circuit eclairage et feux stop 2cv résolu
Posté : 17 sept. 2019, 08:40
par GUILLAUME77
Le_solognot_41 a écrit :Deuchémoi a écrit :Le_solognot_41 a écrit :
mais ce serait bon d'analyser un peu le schéma pour voir ce qu'il se passait vraiment, ça peut servir pour d'autre.
Bha ... il me semble qu'il a trouvé ce qui se passait :
Guillaume77 a écrit :j'ai donc retirer le scotch en partant de la boite de fusible et au bout de 5 cm j'ai trouvé deux cbles verts avec une legere dechirure qui se touchait tres legerement.

ce que je voulais dire c'est suivre le courant sur un schéma, j'en trouverai bien un dans un bouquin.
on s'amuse comme on peut

Comme tu l'a remarqué je suis loin loin d'etre un expert en electricité mais je vais essayer de decrire ce que j'ai vu. Le fil qui envoi le plus est vert est provient du fusible haut de la boite. il est rentré en contact dans le faisceau avec un fil vert aussi mais qui se connecte un peu plus loin avec un fil gris

en fait en regardant de plus pres, le fil gris se connecte sur le capteur de pedale de frein.
voila voila
guillaume
Re: court circuit eclairage et feux stop 2cv résolu
Posté : 17 sept. 2019, 20:21
par Le_solognot_41
je ne suis pas un expert non plus ! et puis maintenant c'est carrément de l’électronique complexe dans les voitures :langue1:
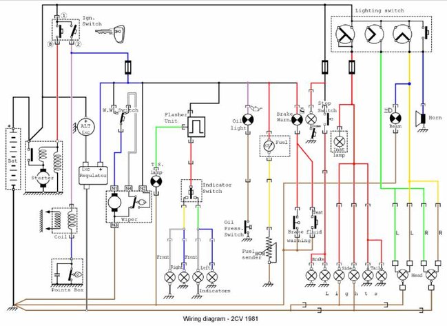
voici un schéma :

- schéma 2cv 1981
donc chez toi il y avait un contact entre le fil noir des stops et le rouge des veilleuses, juste en dessous des 2 fusibles en haut à droite.
si le problème se trouvait avant le contacteur de stop
alors pas de feux de stop allumés quand tu mets les veilleuses,
par contre si après le contacteur, alors tu alimentes aussi les stops, sans passer par leur fusible,
tout le courant passant alors par le fusible des veilleuses, qui fait peut être son travail de protection en fondant devant trop de puissance.
mais ça explique pas tout ...
( sur ce plan on dirait que les stops marche même contacts ( clé ) éteints :shock: j’espère qu'il n'est pas archi-faux )
Re: court circuit eclairage et feux stop 2cv résolu
Posté : 20 sept. 2019, 14:31
par Nancy Boy
Tant mieux si tu as résolu ton problème.
S'il te faut un schéma compréhensible, tu en trouveras un ici:
http://www.nobug.be/2CV/Technique.html
Re: court circuit eclairage et feux stop 2cv résolu
Posté : 20 sept. 2019, 22:44
par Le_solognot_41
merci pour le lien.
